GM Service Manual Online
For 1990-2009 cars only
Makes
🢒
Chevrolet
🢒
2000
🢒
Tracker - 4WD
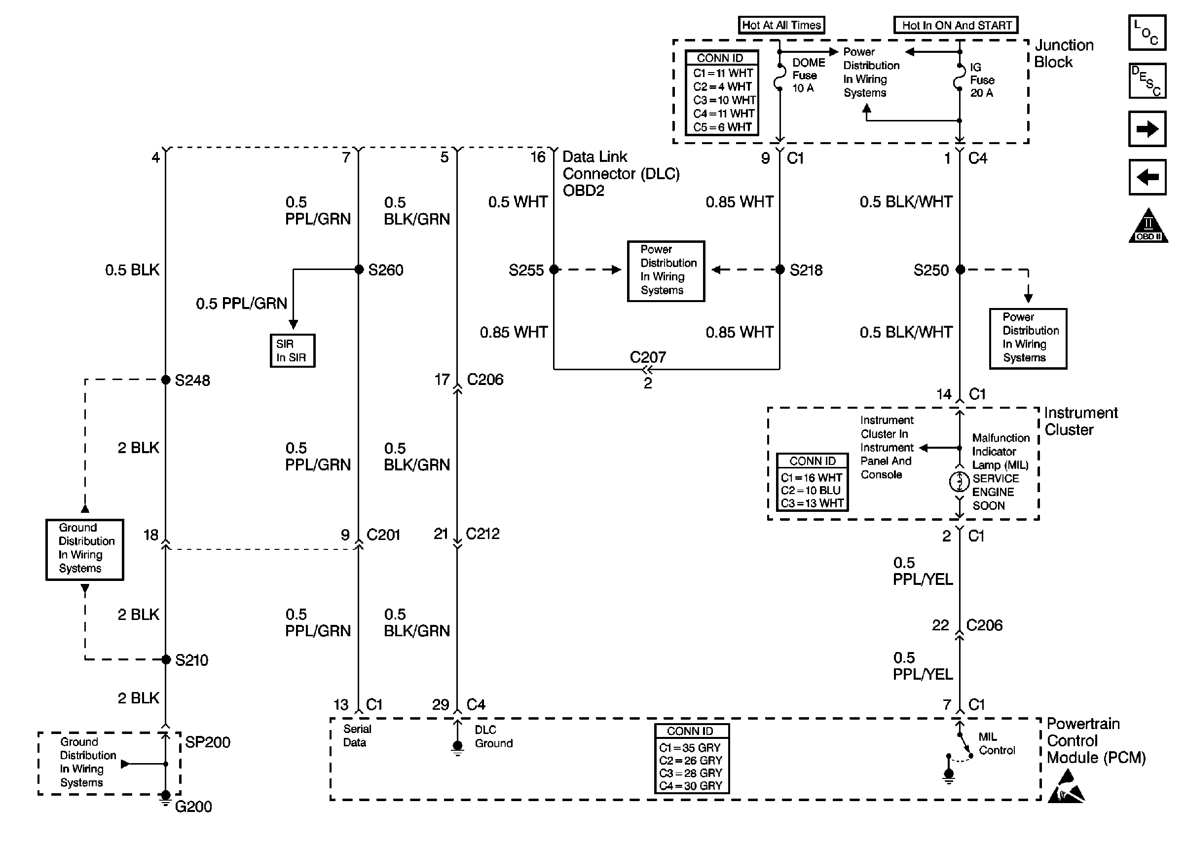
🢒 MIL and DLC
MIL and DLC
MIL and DLC
Engine Controls Components
Ignition System
Power and Ground
Handling ESD Sensitive Parts Notice
IG, TURN and WIP Fuses
Handling ESD Sensitive Parts Notice
(Engine Indicators)
HAZ, D/L, TAIL, STOP and DOME Fuses
SIR Schematics
G202
G200 (2 of 2)
H/L, HTR, IG and LAMP Fuses