GM Service Manual Online
For 1990-2009 cars only
Makes
🢒
Chevrolet
🢒
2000
🢒
Tracker - 4WD
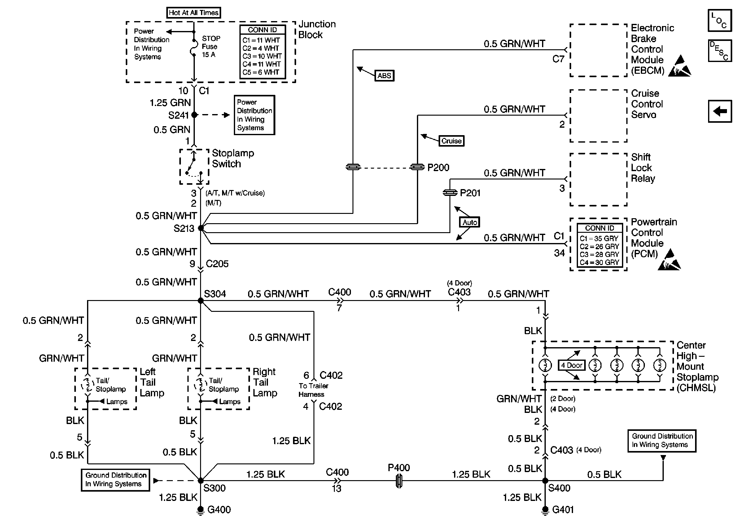
🢒 Stoplamps
Stoplamps
Stoplamps
Lighting Systems Components
Exterior Lights Circuit Description
Handling ESD Sensitive Parts Notice
Turn Switch and Lamps
Handling ESD Sensitive Parts Notice
G400 and G401
HAZ, D/L, TAIL, STOP and DOME Fuses
HAZ, D/L, TAIL, STOP and DOME Fuses
G400 and G401