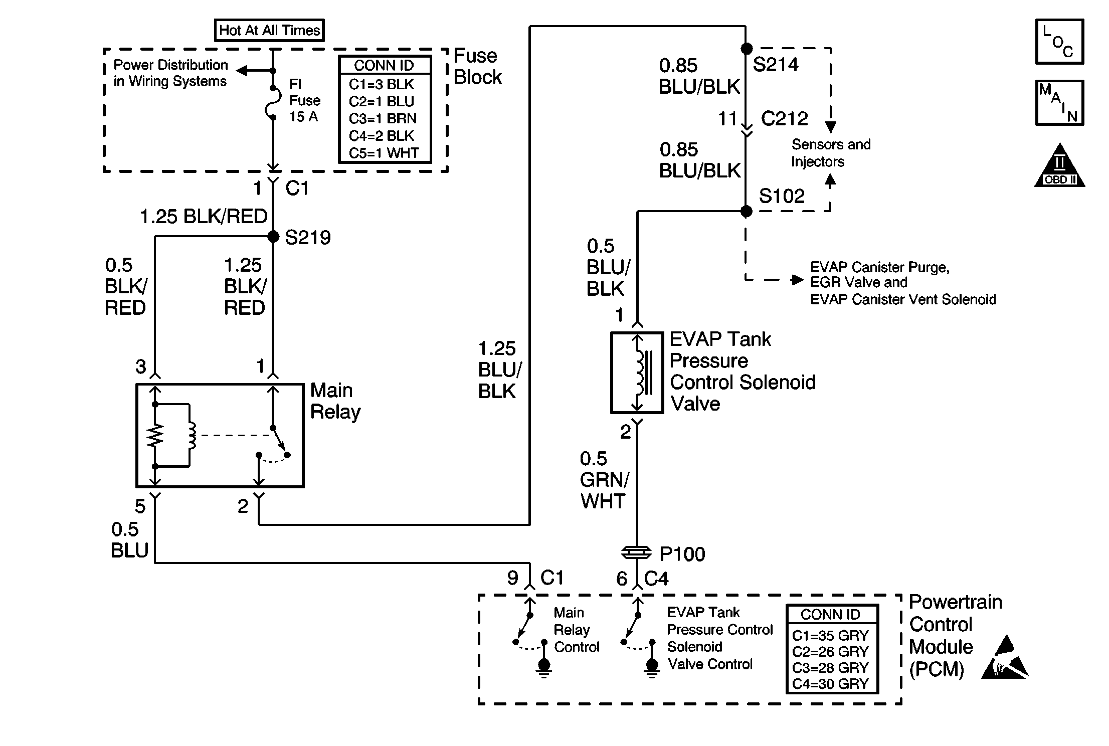
The tank pressure control valve is operated by a vacuum signal from the evaporative emission (EVAP) tank pressure control valve. The EVAP tank pressure control valve is controlled by the powertrain control module (PCM). The PCM opens the tank pressure control valve when the engine is running and the fuel level is within a specified range. The tank pressure control valve opens in order to allow the unrestricted flow of fuel vapors from the fuel tank to the EVAP canister. The DTC P1410 diagnostic monitors the circuit voltage of the EVAP tank pressure control valve .
The ignition is On or the engine is running.
The PCM does not detect the expected voltage in the valve control circuit with the fuel level more than a specified value when the diagnostic runs.
| • | The PCM illuminates the malfunction indicator lamp (MIL) after 2 consecutive ignition cycles in which the diagnostic runs with the fault active. |
| • | The PCM records the operating conditions at the time the diagnostic fails. This information is stored in the Freeze Frame buffer. |
| • | The MIL turns off after 3 consecutively passing trips without a fault present. |
| • | A history DTC clears after 40 consecutive warm-up cycles without a fault. |
| • | Perform the scan tool Clear DTC Information function. |
Test the operation of the EVAP tank pressure control valve. Refer to Evaporative Emission Control System Diagnosis .
If the DTC P1410 is intermittent, driving the vehicle under the following conditions can verify whether the fault is present. Perform the scan tool Clear DTC Information function. Road test the vehicle while monitoring the DTC P1410 diagnostic on the scan tool under the Not Ran Since Code Cleared selection in the DTC Information menu. If DTC P1410 appears in the Not Ran Since Code Cleared list, the P1410 diagnostic has not yet run. When DTC P1410 does not appear in the Not Ran Since Code Cleared list, the P1410 diagnostic has run. If the MIL is NOT illuminated, and there is no Pending DTC Status in DTC Information, the P1410 diagnostic has passed. The DTCs MUST be cleared in order to view the Current Status of the Not Ran Since Code Cleared list. DO NOT forget that the Not Ran Since Code Cleared list only indicates that the test has run, not whether the test passed or failed. The DTC Information screen must be checked for Current or Pending status in order to determine the outcome of the diagnostic test involved.
An intermittent malfunction may be caused by a fault in the fuel tank pressure sensor circuit. Inspect the wiring harness and the components for any of the following conditions:
| • | Any backed-out terminals |
| • | Any improper mating of terminals |
| • | Any broken electrical connector locks |
| • | Any improperly formed or damaged terminals |
| • | Any faulty terminal-to-wire connections |
| • | Any physical damage to the wiring harness |
| • | A broken wire inside the insulation |
| • | Any corrosion of the electrical connections, the splices, or the terminals |
If DTC P1410 cannot be duplicated, the information included in the Freeze Frame data can be useful in determining the vehicle operating conditions when the DTC was first set.
The numbers below refer to the step numbers in the diagnostic table.
The Powertrain OBD System Check prompts the technician to complete some basic checks and store the Freeze Frame data on the scan tool if applicable. This creates an electronic copy of the data taken when the fault occurred. The information is then stored in the scan tool for later reference.
The DTC P1410 diagnostic depends on correct fuel tank level readings in order to accurately detect a malfunction of the EVAP tank pressure control solenoid valve.
This step checks whether the condition that caused the DTC P1410 is still present.
This step checks the control side operation of the EVAP tank pressure control solenoid valve.
This step determines if the malfunction that caused DTC P1410 to set is still present. Driving the vehicle under these conditions will verify whether the fault is present. After performing the scan tool Clear DTC Information function, the DTC P1410 diagnostic can be monitored on the scan tool under the Not Ran Since Code Cleared selection in the DTC Information menu. If DTC P1410 appears in the Not Ran Since Code Cleared list, the P1410 diagnostic has not yet run. When DTC P1410 does not appear in the Not Ran Since Code Cleared list, the P1410 diagnostic has run. If the MIL is NOT illuminated and there is no Pending DTC Status in DTC Information, the P1410 diagnostic has passed. The DTCs MUST be cleared in order to view the Current Status of the Not Ran Since Code Cleared list. DO NOT forget that the Not Ran Since Code Cleared list only indicates that the test has run, not whether the test passed or failed. The DTC Information screen must be checked for Current or Pending status, in order to determine the outcome of the diagnostic test involved.
Step | Action | Value(s) | Yes | No |
|---|---|---|---|---|
Was the Powertrain On-Board Diagnostic (OBD) System Check performed? | -- | Go to Step 2 | ||
Are DTC P0461 or DTC P0463 set? | -- | Go to DTC P0461 Fuel Level Sensor Performance or DTC P0463 Fuel Level Sensor Circuit High Voltage | Go to Step 3 | |
Is there a Current or Pending DTC P1410 set? | -- | Go to Step 4 | Go to Diagnostic Aids | |
4 |
Is the resistance within the specified range? | 28 - 36 ohms at 20°C (68°F) | Go to Step 5 | Go to Step 9 |
5 |
Does the test lamp illuminate? | -- | Go to Step 6 | Go to Step 8 |
Does the test lamp illuminate only when the EVAP tank pressure control valve is commanded ON? | -- | Go to Step 9 | Go to Step 7 | |
7 |
Was a repair necessary? | -- | Go to Step 11 | Go to Step 10 |
8 | Repair the open in the ignition positive voltage circuit of the pressure control valve. Refer to Wiring Repairs in Wiring Systems. Is the action complete? | -- | Go to Step 11 | -- |
9 | Replace the EVAP tank pressure control valve. Refer to Evaporative Emission Tank Pressure Control Solenoid Valve Replace . Is the action complete? | -- | Go to Step 11 | -- |
10 |
Important: The replacement PCM must be programmed. Replace the PCM. Refer to Powertrain Control Module Replacement/Programming . Is the action complete? | -- | Go to Step 11 | -- |
Are any DTCs displayed on the scan tool? | -- | System OK |