GM Service Manual Online
For 1990-2009 cars only
Makes
🢒
Chevrolet
🢒
2001
🢒
Tracker - 4WD
🢒
Driveline/Axle
🢒
Transfer Case - Tracker
🢒 Transfer Case Control Schematics
Figure
1:
Main Relay and PCM
Master Electrical Component List
Transfer Case Description and Operation
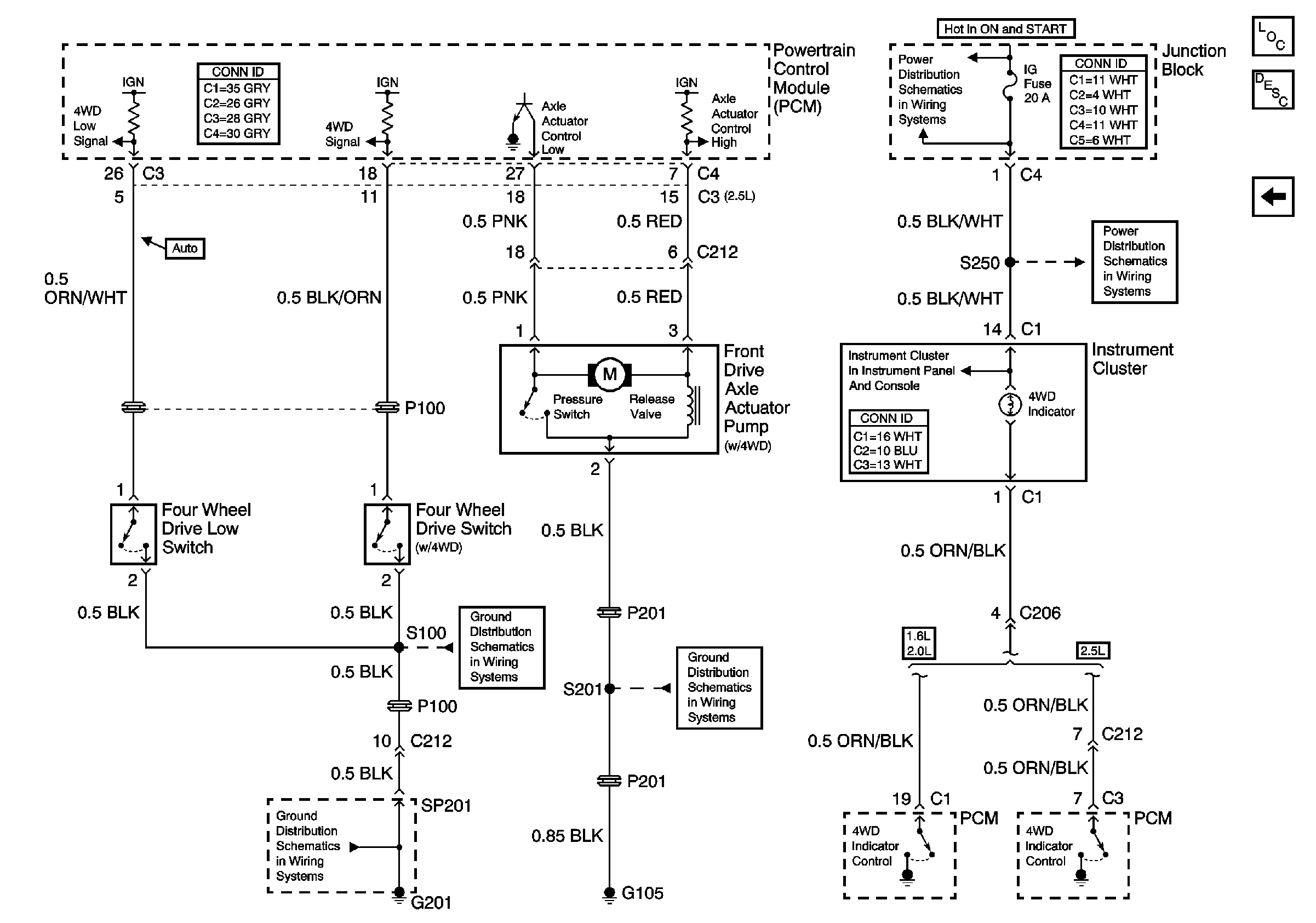
Front Drive Axle Actuator Pump and Four Wheel Drive Switches
G100, G101 and G102
IG Fuse
HAZ, D/L, TAIL, Stop and Dome Fuses
Exhaust Gas Recirculation (EGR) Valve and EVAP Solenoids
BATT, ABS, FI and ACC Fuses
Figure
2:
Front Drive Axle Actuator Pump and Four Wheel Drive Switches
Master Electrical Component List
Transfer Case Description and Operation
Main Relay and PCM
IG, Turn and WIP Fuses
IG Fuse
Instrument Cluster Indicators
G105
G201
G201