GM Service Manual Online
For 1990-2009 cars only
Makes
🢒
Chevrolet
🢒
2004
🢒
Tracker - 4WD
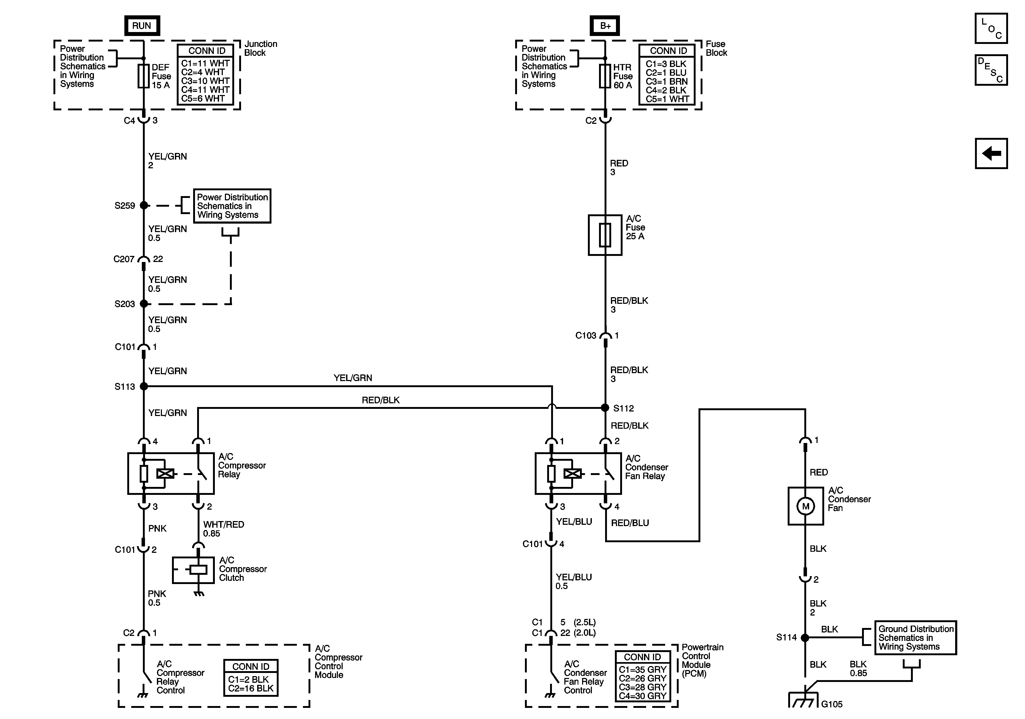
🢒 A/C Condenser Fan Control
A/C Condenser Fan Control
A/C Condenser Fan Control
Master Electrical Component List
Air Temperature Description and Operation
A/C Compressor Control Module, A/C, Blower, Defroster, Refrigerant Pressure Swi
CIG, DEF and P/W Fuses
CIG, DEF and P/W Fuses
H/L, L, H/L, R, HTR, IG and LAMP Fuses
G105