GM Service Manual Online
For 1990-2009 cars only
Makes
🢒
Chevrolet
🢒
2002
🢒
TrailBlazer - 2WD
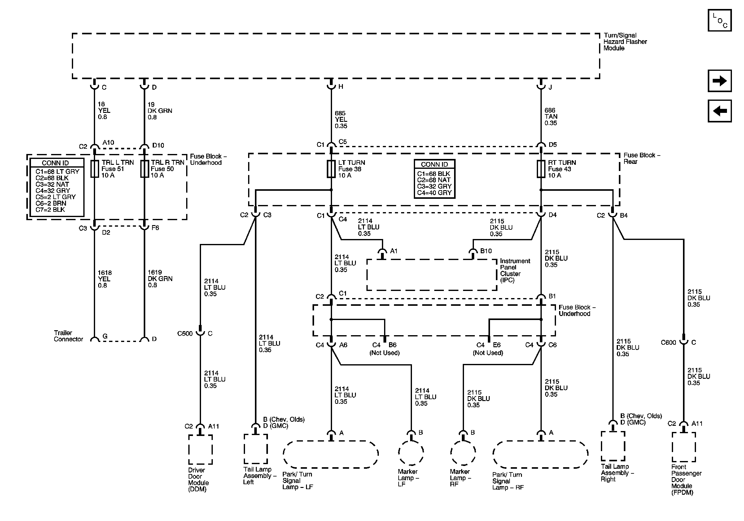
🢒 TRL L TRN, TRL R TRN, LT TURN, and RT TURN Fuses
TRL L TRN, TRL R TRN, LT TURN, and RT TURN Fuses
TRL L TRN, TRL R TRN, LT TURN, and RT TURN Fuses
Master Electrical Component List
IGN 0, TBC IG, TBC ACC, FRT WPR, and RAIN Fuses
RR FOG, LR PARK, TR PARK, RR PARK, F PARK, LGM #2 Fuses, RR WIPER and SEATS Circuit Breakers