GM Service Manual Online
For 1990-2009 cars only
Makes
🢒
Chevrolet
🢒
2002
🢒
TrailBlazer - 2WD
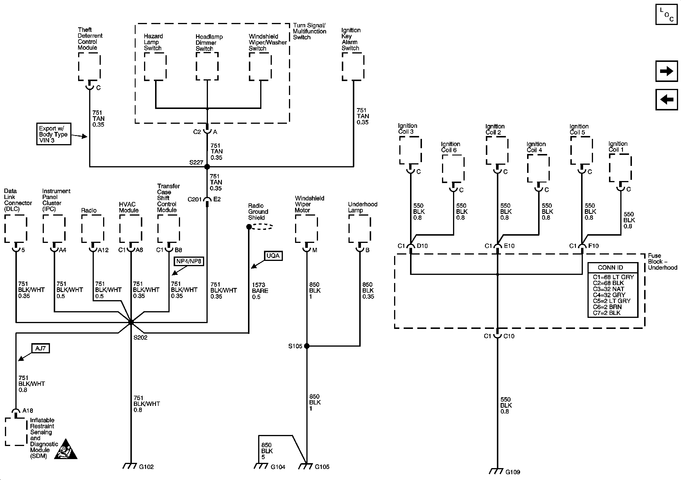
🢒 G102, G104, G105, and G109
G102, G104, G105, and G109
G102, G104, G105, and G109
Master Electrical Component List
G107 and G108
G101, G103, G106, and G110
SIR Caution for Zoning