GM Service Manual Online
For 1990-2009 cars only
Makes
🢒
Chevrolet
🢒
2002
🢒
TrailBlazer - 2WD
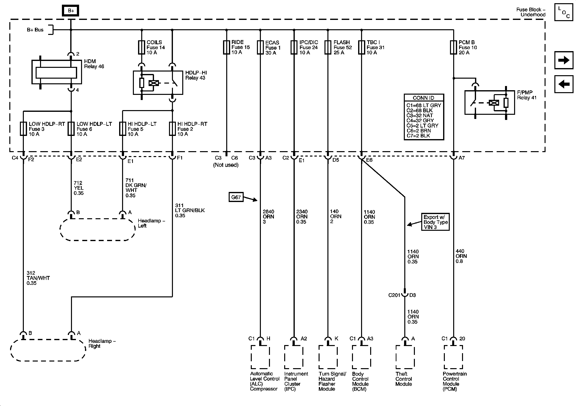
🢒 COILS, RIDE, ECAS, IPC/DIC, FLASH, TBC 1, and PCM B Fuses
COILS, RIDE, ECAS, IPC/DIC, FLASH, TBC 1, and PCM B Fuses
COILS, RIDE, ECAS, IPC/DIC, FLASH, TBC 1, and PCM B Fuses
Master Electrical Component List
LGM/DSM, OH BATT/ONSTAR, RADIO, and HVAC B Fuses
TRAILER, ABS, ATC, BLOWER, ELEK BRK, CIGAR, ST/LP, VEH CHMSL, and VEH STOP Fuses
B+ Bus - Underhood Fuse Block