GM Service Manual Online
For 1990-2009 cars only
Makes
🢒
Chevrolet
🢒
2003
🢒
TrailBlazer - 2WD
🢒
Suspension
🢒
Air Suspension
🢒 Suspension Controls Component Views
Figure
1:
Chassis, Right Side
(1)
Air Suspension Sensor, RR
(2)
Upper Control Arm, RR
(3)
Frame
Figure
2:
Chassis, Right Rear (Body Type VIN 3)
(1)
Wiring, Switch-to-Compressor
(2)
Wire Harness Connector
(3)
Frame
(4)
Air Suspension Compressor
(5)
Rear Floor Panel
Figure
3:
Rear Trim Panel (Body Type VIN 3)
(1)
Lower Trim Panel
(2)
Air Suspension Inflator Switch
Figure
4:
Right Rear (Body Type VIN 3)
(1)
Lower Side Trim Panel
(2)
Indicator
Figure
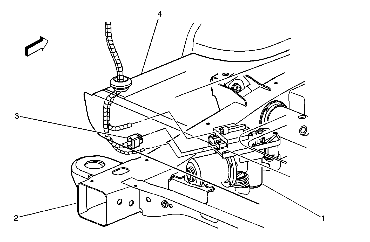
5:
Chassis, LR (Body Type VIN 6)
(1)
Air Suspension Compressor
(2)
Frame
(3)
Wiring, Compressor-to-Switch
(4)
Rear Floor Panel