GM Service Manual Online
For 1990-2009 cars only
Makes
🢒
Chevrolet
🢒
2003
🢒
TrailBlazer - 2WD
🢒
Body and Accessories
🢒
Lighting Systems
🢒 Headlights/Daytime Running Lights (DRL) Schematics
Figure
1:
Headlamps
Master Electrical Component List
Exterior Lighting Systems Description and Operation
Headlamp Switch
G101, G103, G106 and G110
G102, G104, G105 and G107
G108
Ambient Light/Sunload Sensor
B+ Bus - Underhood Fuse Block
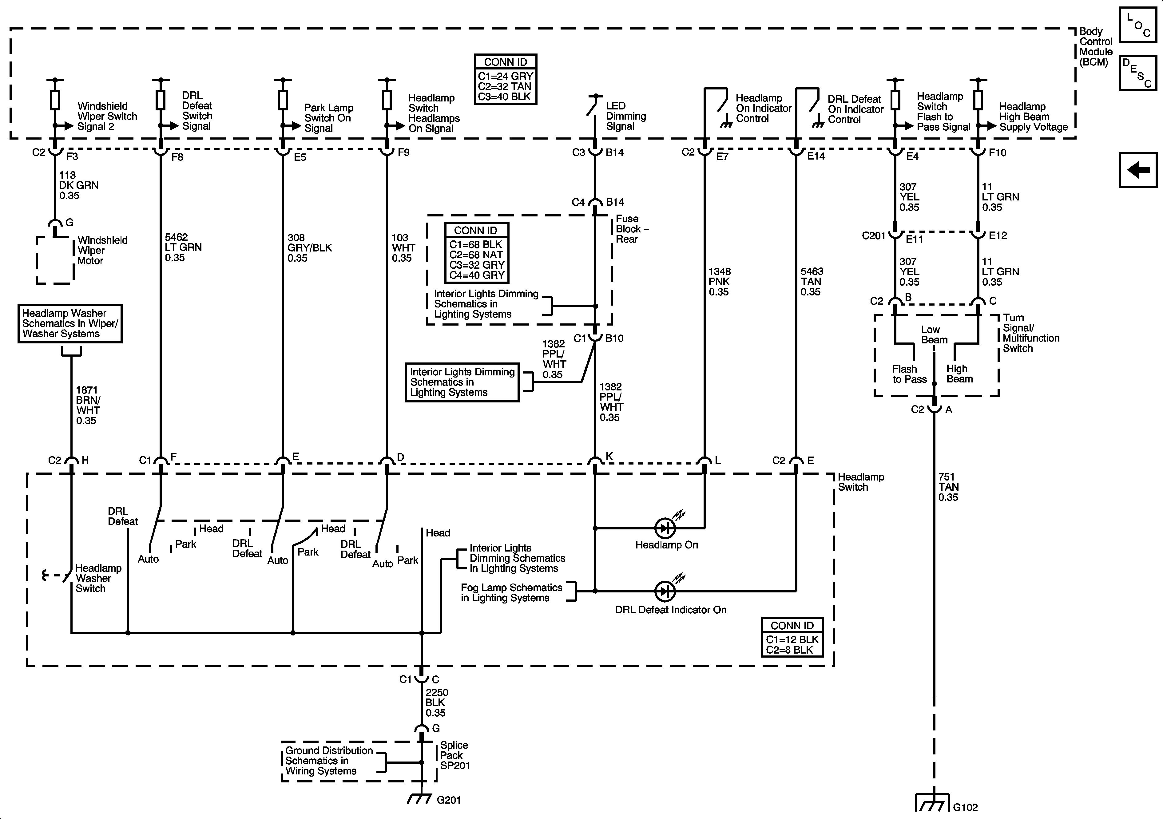
Figure
2:
Headlamp Switch
Master Electrical Component List
Exterior Lighting Systems Description and Operation
Headlamps
G102, G104, G105 and G107
G201 - 1 of 2
Interior Lamps (Short Wheelbase, Body Type VIN 3)
Foglamps
Headlamp Washer
Courtesy Lamp Supply