GM Service Manual Online
For 1990-2009 cars only
Makes
🢒
Chevrolet
🢒
2003
🢒
TrailBlazer - 2WD
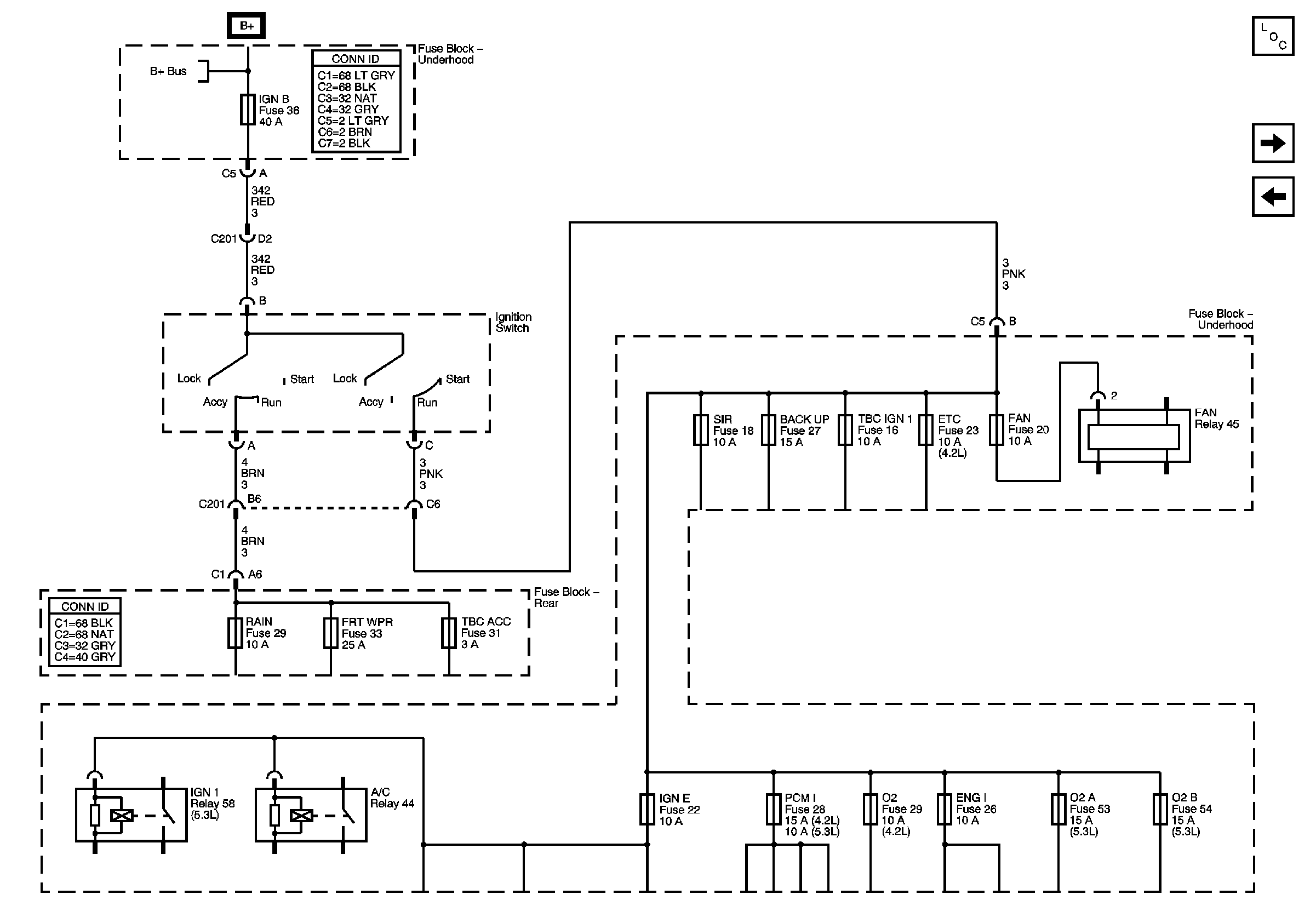
🢒 ACCY/RUN and RUN/START Bus Bars
ACCY/RUN and RUN/START Bus Bars
ACCY/RUN, and RUN/START Bus Bars
Master Electrical Component List
TRAILER, ABS, ATC, BLOWER, ELEC BRK, CIGAR, ST/LP, VEH CHMSL, and VEH STOP fuses
ACCY/RUN/START, RUN, and START Bus Bars
B+ Bus - Underhood Fuse Block