GM Service Manual Online
For 1990-2009 cars only
Makes
🢒
Chevrolet
🢒
2003
🢒
TrailBlazer - 2WD
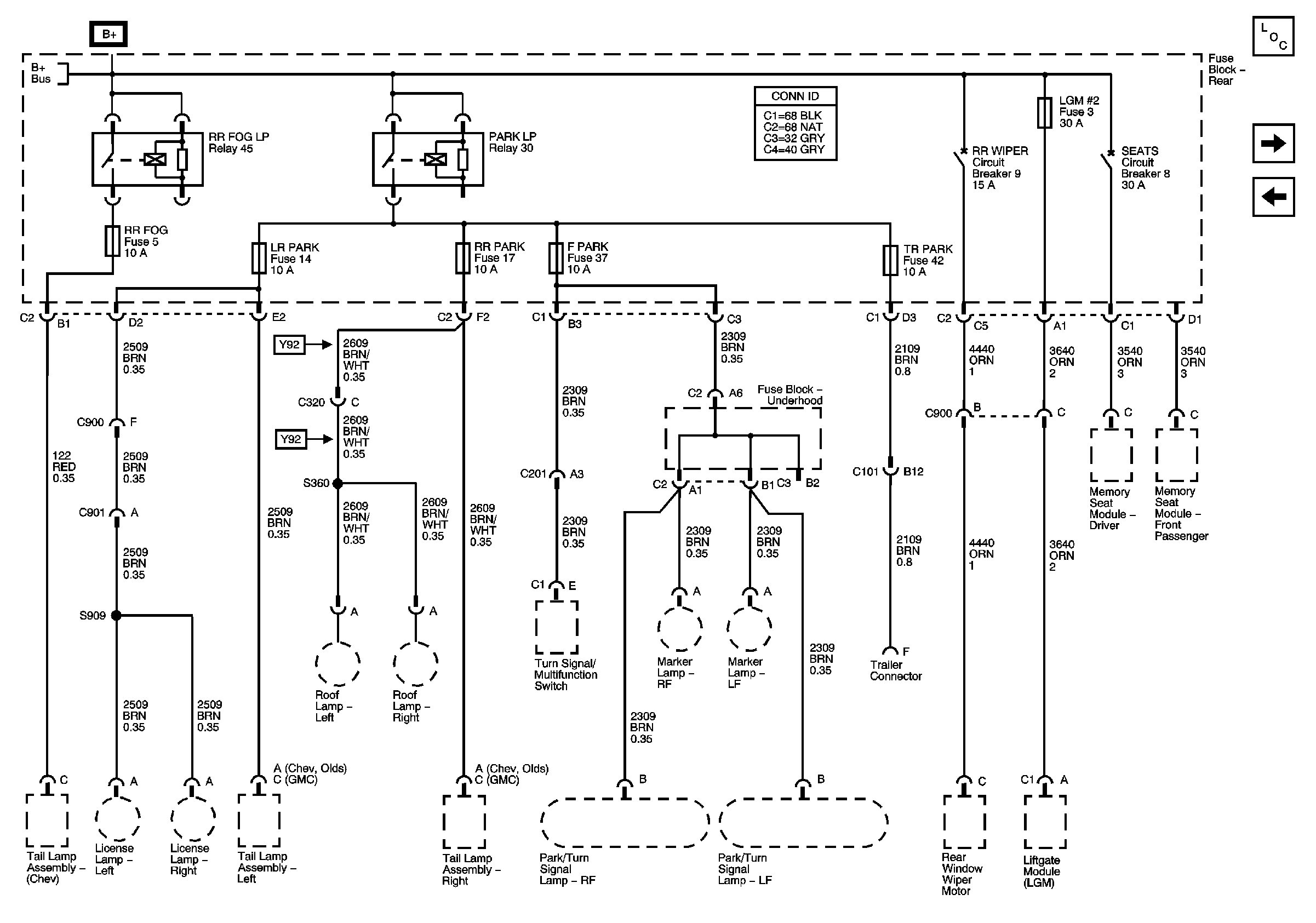
🢒 RR FOG, LR PARK, TR PARK, RR PARK, F PARK, LGM 2 Fuses, RR WIPER and SEATS Circuit Breakers
RR FOG, LR PARK, TR PARK, RR PARK, F PARK, LGM 2 Fuses, RR WIPER and SEATS Circuit Breakers
RR FOG, LR PARK, TR PARK, RR PARK, F PARK, LGM #2 Fuses, RR WIPER, and SEATS Circuit Breakers
Master Electrical Component List
TRL L TRN, TRL R TRN, LT TURN and RT TURN Fuses
TBC5, DDM, PDM, AMP Fuses, DOORS Circuit Breakers
B+ Bus - Underhood Fuse Block