GM Service Manual Online
For 1990-2009 cars only
Makes
🢒
Chevrolet
🢒
2003
🢒
TrailBlazer - 2WD
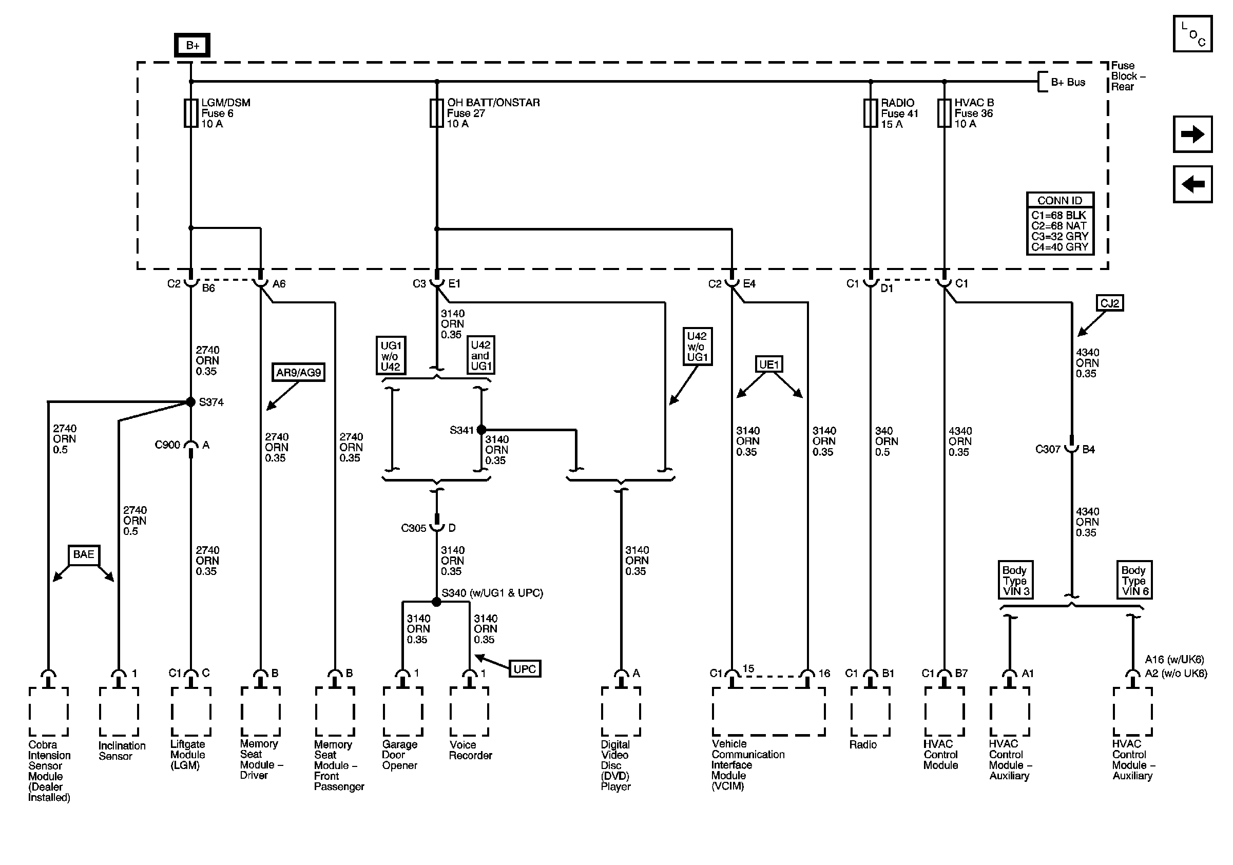
🢒 LGM/DSM, OH BATT/ONSTAR, RADIO,HVAC B
LGM/DSM, OH BATT/ONSTAR, RADIO,HVAC B
LGM/DSM, OH BATT/ONSTAR, RADIO, and HVAC B Fuses
Master Electrical Component List
ETC, INJ A and INJ B Fuses - 5.3L
COILS, CANISTER, ECAS, IPC/DIC, FLASH, TBC1, and PCM B Fuses
B+ Bus - Underhood Fuse Block