GM Service Manual Online
For 1990-2009 cars only

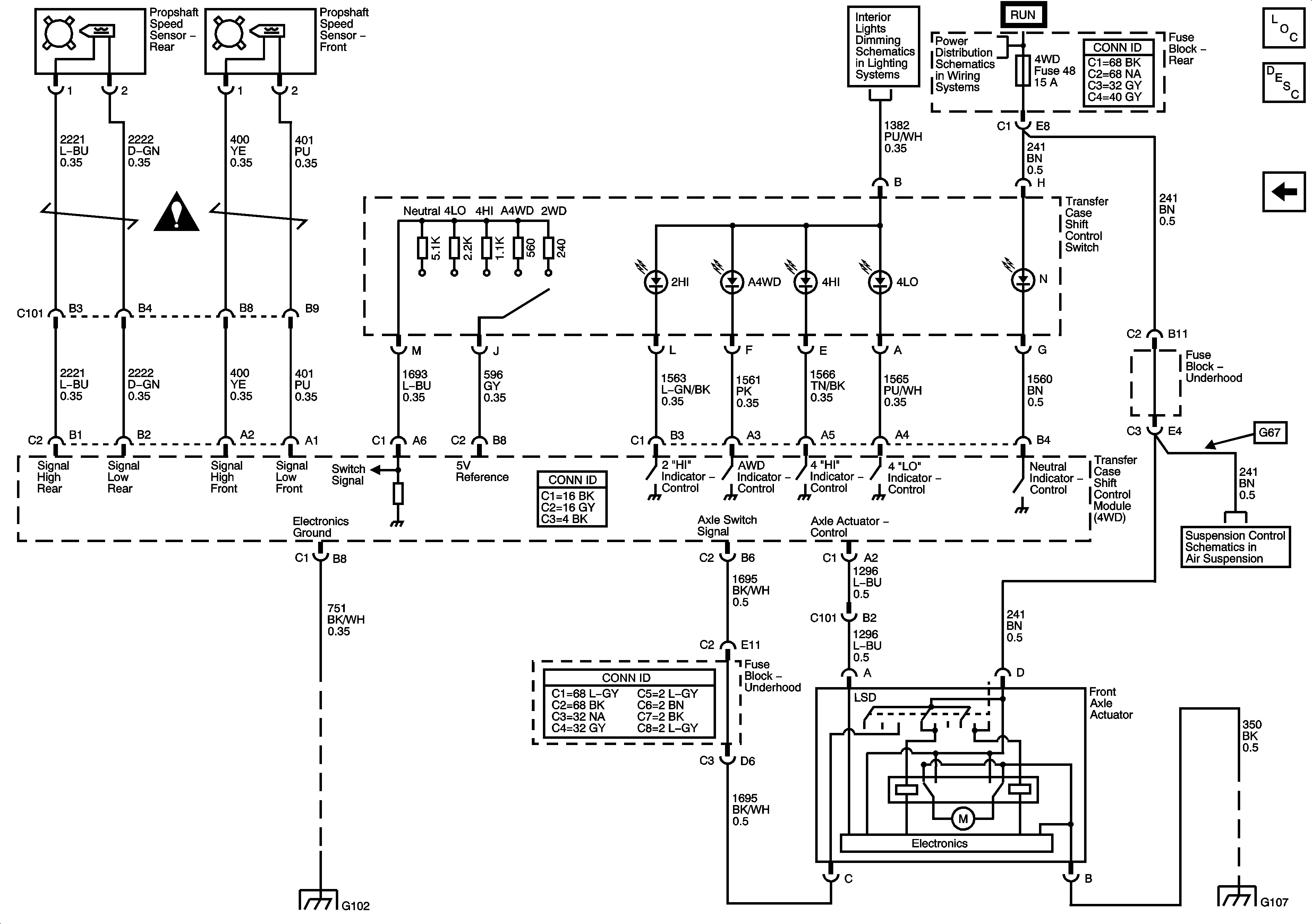
Speed Signal, Front Axle Actuator Control, and Indicators

Speed Signal, Front Axle Actuator Control, and Indicators


Object Number: 1265036  Size: FS
Master Electrical Component List
Transfer Case Description and Operation
Power, Ground, Serial Data, and Transfer Case Encoder Motor
Courtesy Lamp Supply - 2 of 2
ACCY/RUN/START, RUN, and START Bus Bars
04 S/T Utility Suspension Controls Schematics
G102
G104, G105, and G107