GM Service Manual Online
For 1990-2009 cars only
Makes
🢒
Chevrolet
🢒
2004
🢒
TrailBlazer - 2WD
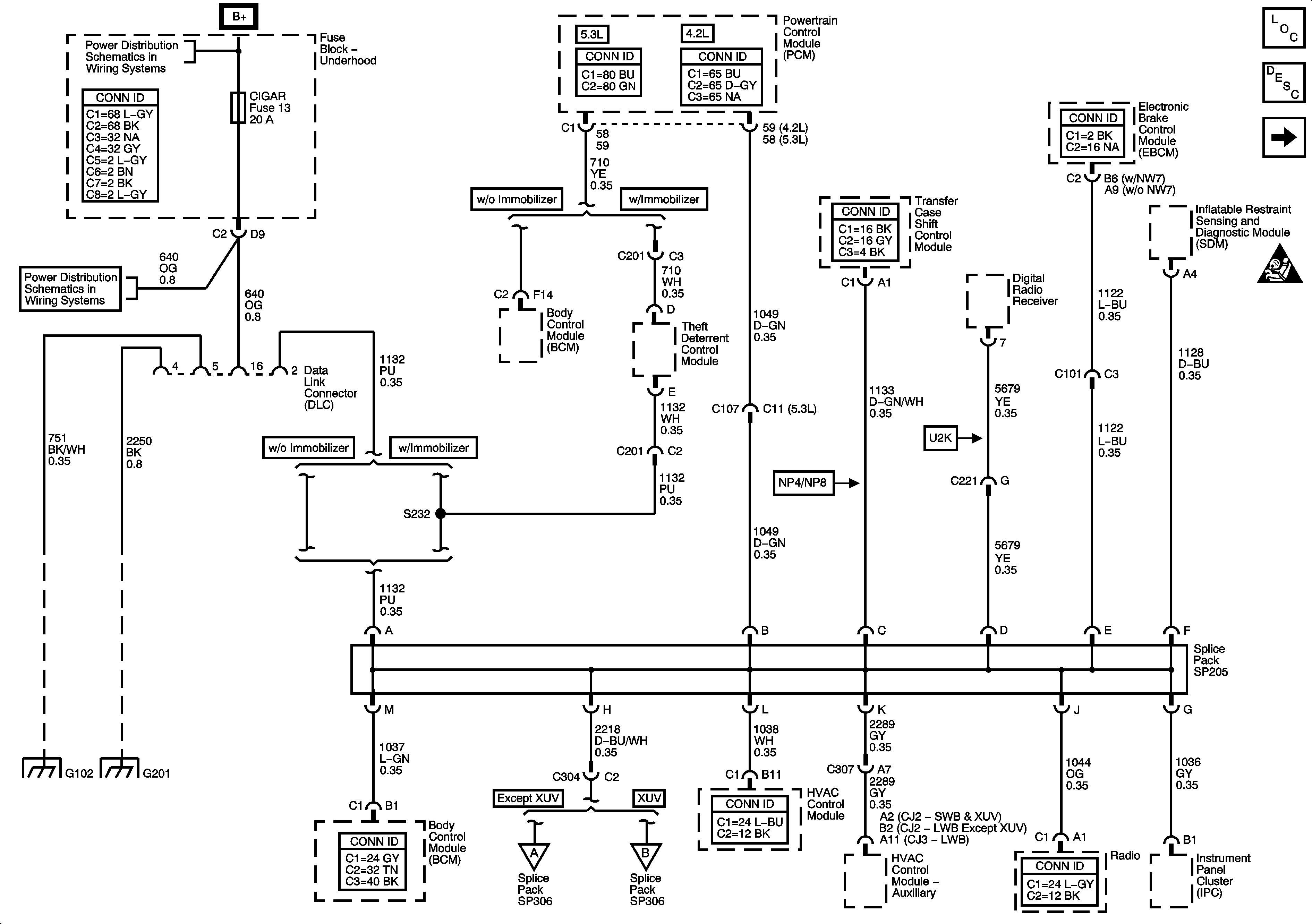
🢒 Power, Ground, Data Link Connector, and SP205
Power, Ground, Data Link Connector, and SP205
Power, Ground, Data Link Connector, and SP205
Master Electrical Component List
Data Link Communications Description and Operation
SP306 - Except XUV
SIR Caution for Zoning
B+ Bus - Underhood Fuse Block
CIGAR, ABS, ATC, BLOWER, ECAS, IPC/DIC, FLASH, ST/LP, ELEK BRK, and TRAILER Fuses
G102
G201 - 1 of 2
SP306 - Except XUV
SP306 - XUV