GM Service Manual Online
For 1990-2009 cars only
Makes
🢒
Chevrolet
🢒
2004
🢒
TrailBlazer - 2WD
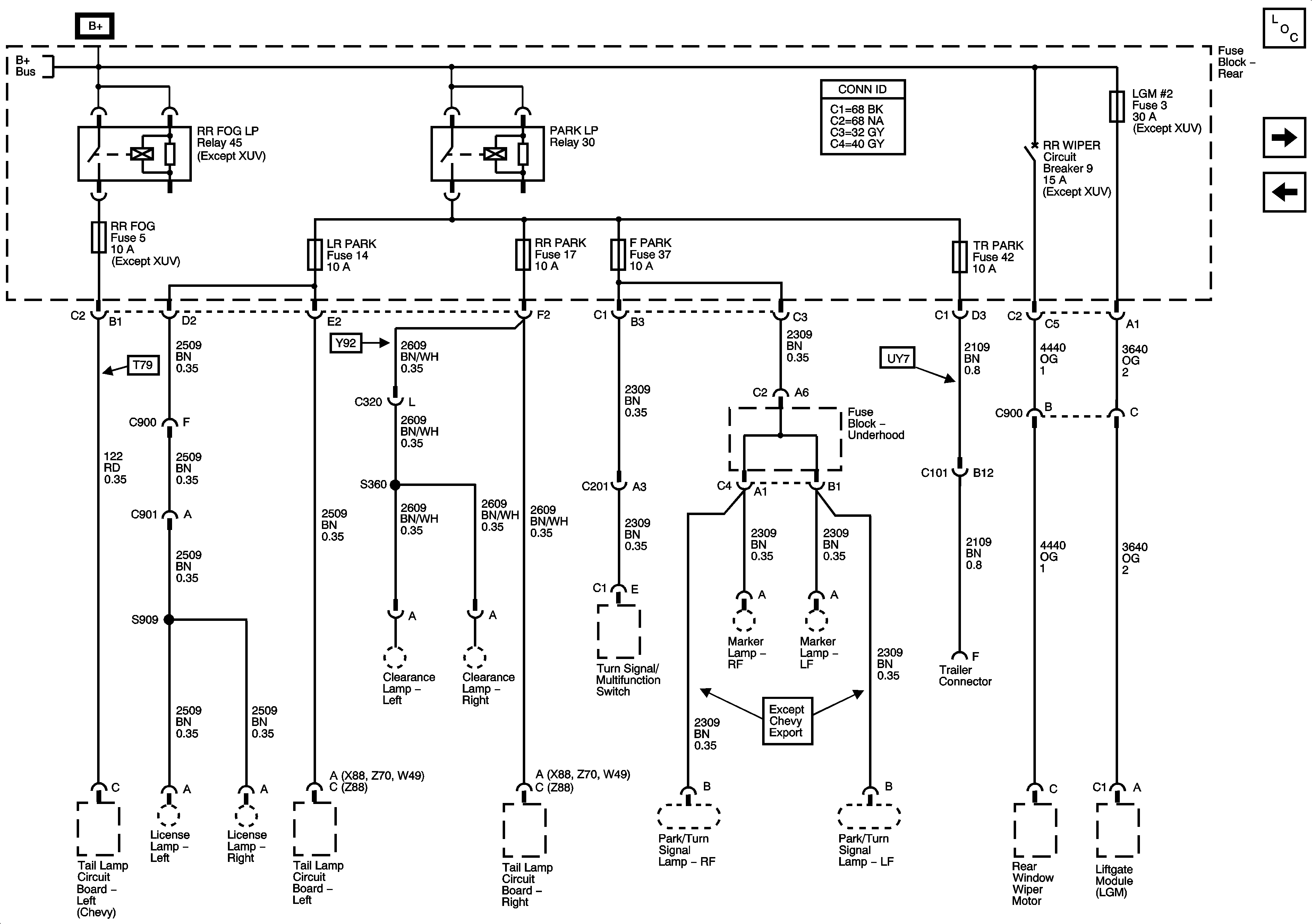
🢒 RR FOG, LR PARK, TR PARK, RR PARK, F PARK, LGM #2 Fuses, and RR WIPER Circuit Breaker
RR FOG, LR PARK, TR PARK, RR PARK, F PARK, LGM #2 Fuses, and RR WIPER Circuit Breaker
RR FOG, LR PARK, TR PARK, RR PARK, F PARK, LGM #2 Fuses, and RR WIPER Circuit Breaker
Master Electrical Component List
ROOF, PWR LATCH, EGM #2, and EGM/DSM Fuses, and ROOF REG, MIDGATE REG, and ENDGLASS REG Circuit Breakers - XUV
DDM, PDM, AMP Fuses, SEATS, LT DOORS, RT DOORS Circuit Breakers