GM Service Manual Online
For 1990-2009 cars only
Makes
🢒
Chevrolet
🢒
2004
🢒
TrailBlazer - 2WD
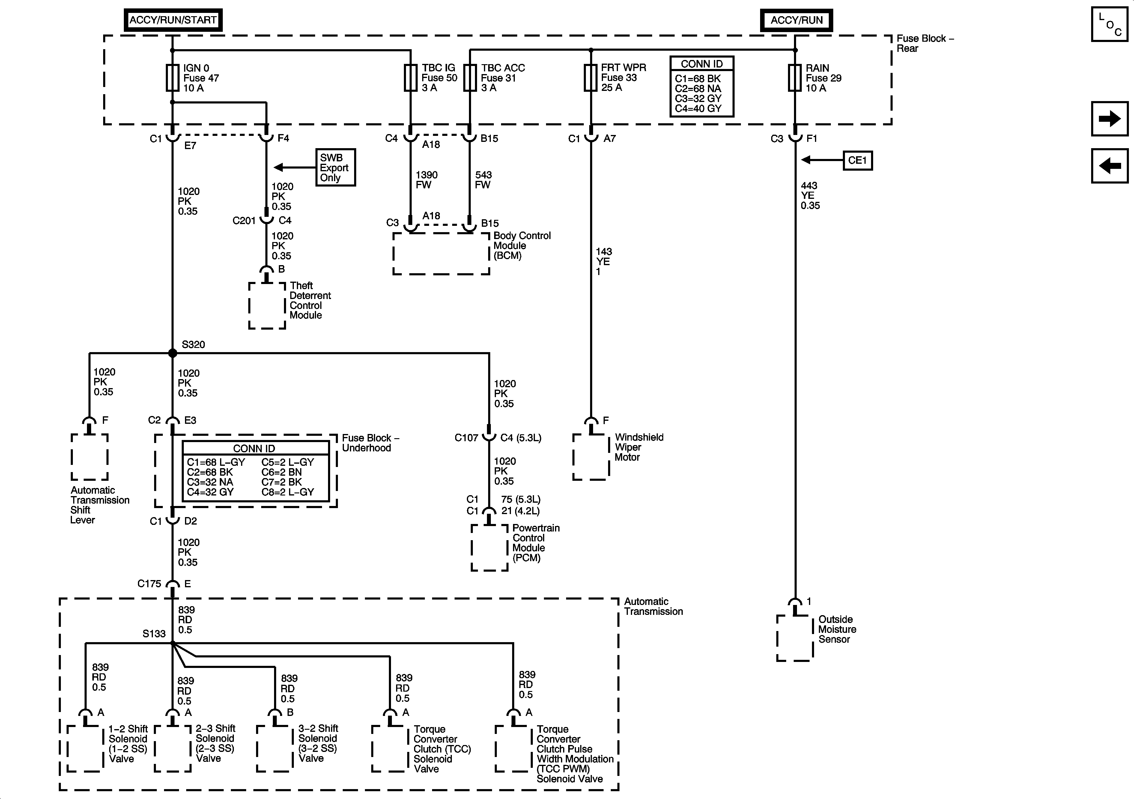
🢒 IGN 0, TBC IG, TBC ACC, FRT WPR, and RAIN Fuses
IGN 0, TBC IG, TBC ACC, FRT WPR, and RAIN Fuses
IGN 0, TBC IG, TBC ACC, FRT WPR, and RAIN Fuses
Master Electrical Component List
IGN E, TBC IGN 1, BACKUP, BTSI, and TRLR B/U Fuses
TRL L TRN, TRL R TRN, LT TURN, and RT TURN Fuses