GM Service Manual Online
For 1990-2009 cars only
Makes
🢒
Chevrolet
🢒
2004
🢒
TrailBlazer - 2WD
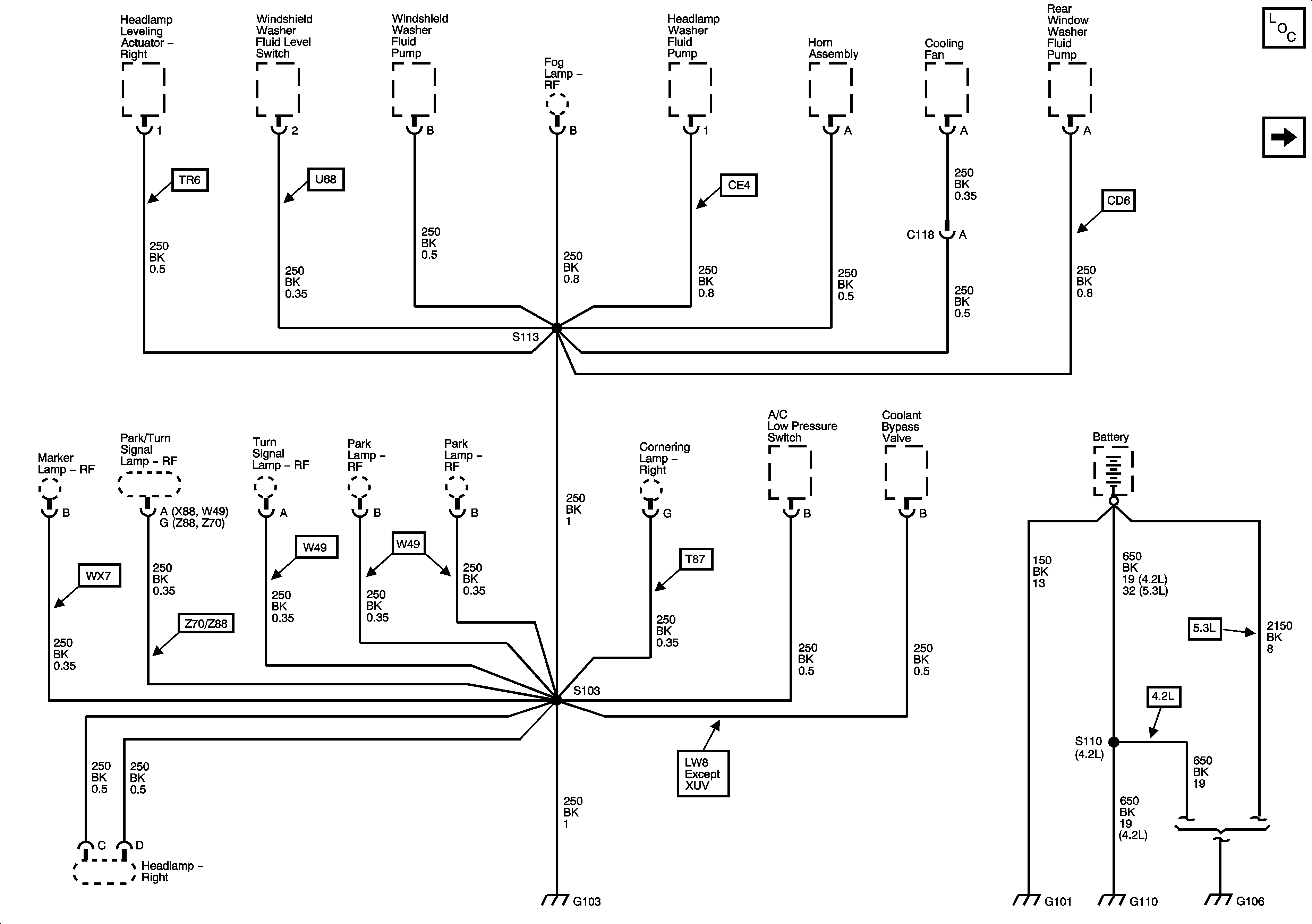
🢒 G101, G103, G106, and G110
G101, G103, G106, and G110
G101, G103, G106, and G110
Master Electrical Component List
G102