GM Service Manual Online
For 1990-2009 cars only
Makes
🢒
Chevrolet
🢒
2005
🢒
TrailBlazer - 2WD
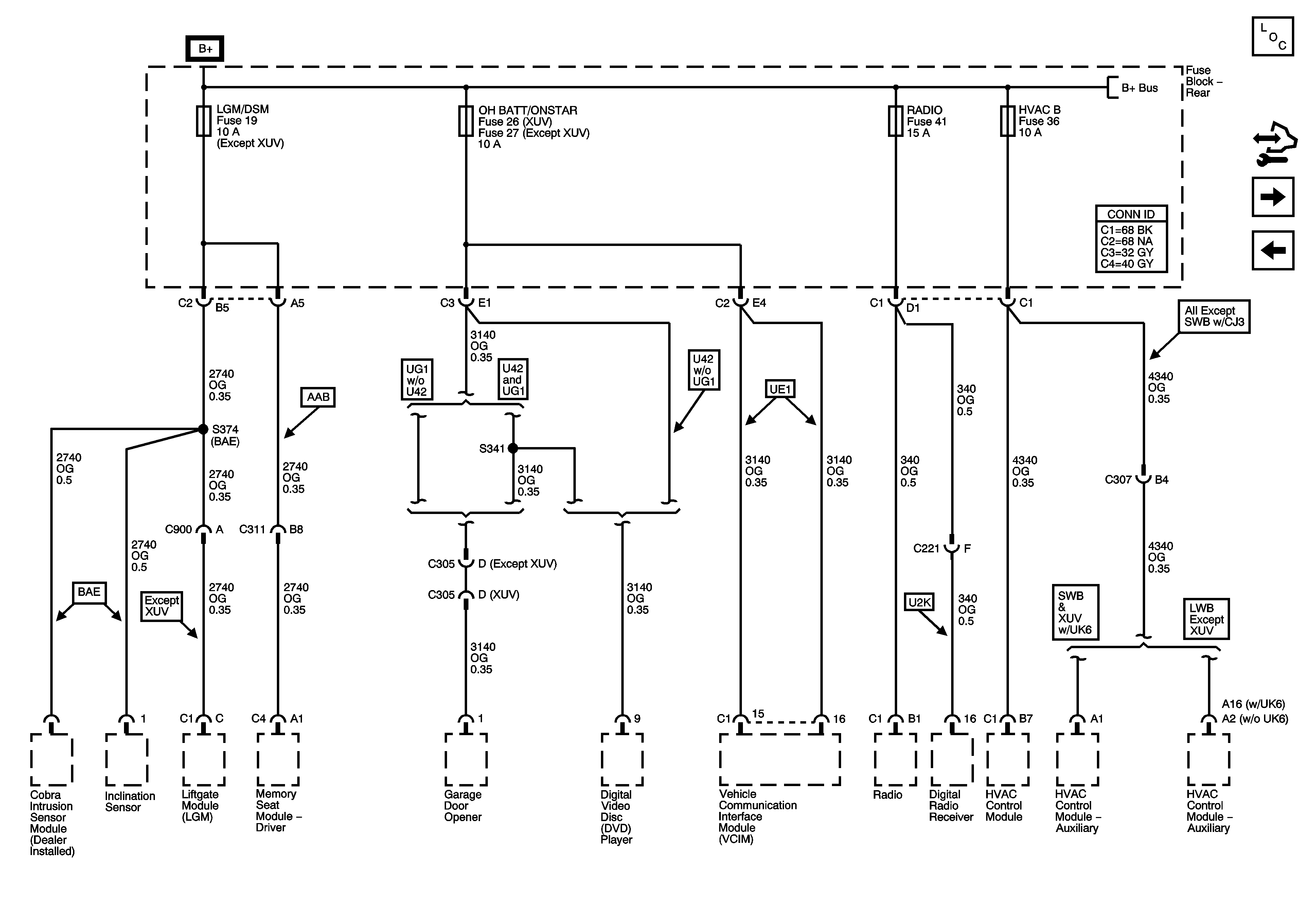
🢒 HVAC B, LGM/DSM, OHBATT/ONSTAR, and RADIO Fuses
HVAC B, LGM/DSM, OHBATT/ONSTAR, and RADIO Fuses
HVAC B, LGM/DSM, OH BATT/ONSTAR, and RADIO Fuses
Master Electrical Component List
Control Module References
AUX PWR1, AUX PWR2, RRHVAC, SUNROOF, TBC2, TBC3, TBC4, TBC5, and TCM/CANISTER Fuses
AIR, COILS, EAP, ECM, HDM, HI HDLP-LT, HI HDLP-RT, LOW HDLP-RT, LOW HDLP-LT, PCMB, and TCB1 Fuses
B+ Bus - Rear Fuse Block