GM Service Manual Online
For 1990-2009 cars only
Makes
🢒
Chevrolet
🢒
2006
🢒
TrailBlazer - 2WD
🢒
Driveline/Axle
🢒
Transfer Case - NVG 226-NP8
🢒 Transfer Case Control Schematics
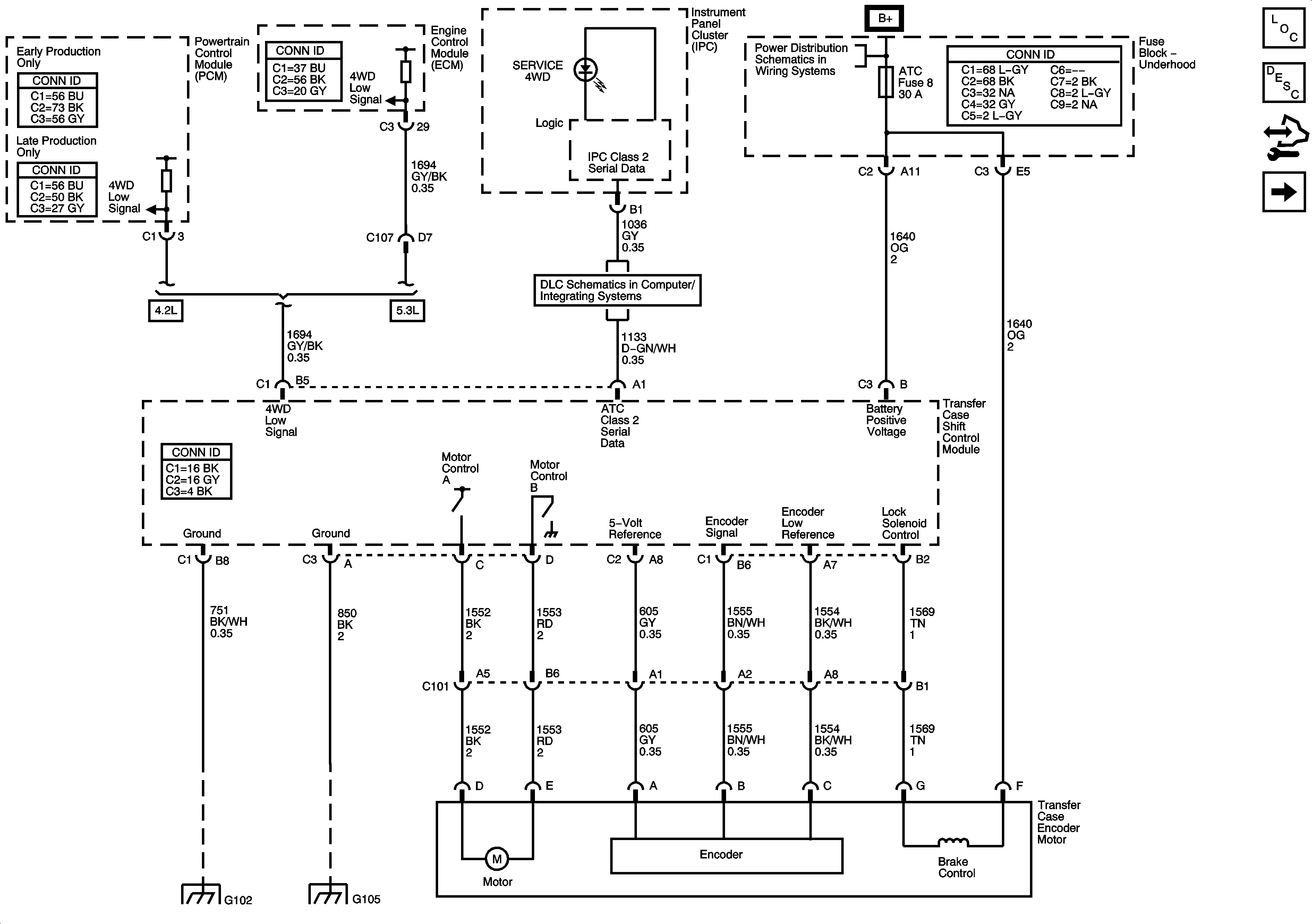
Figure
1:
Power, Ground, Serial Data, and Transfer Case Encoder Motor
Master Electrical Component List
Transfer Case Description and Operation
Control Module References
Speed Signal, Front Axle Actuator, and Indicators
Underhood Fuse Block
SP205
G102
G104, G105, and G107
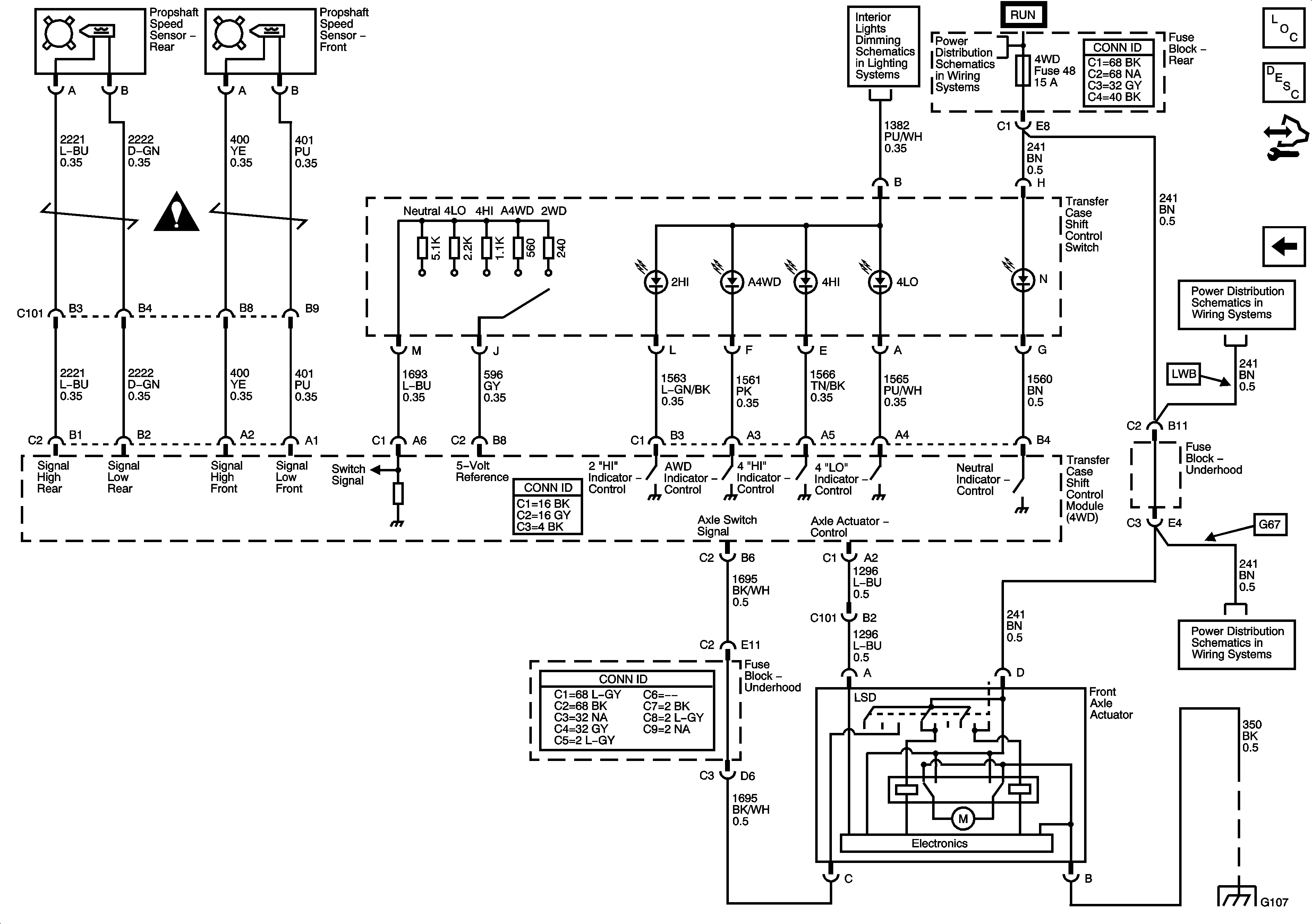
Figure
2:
Speed Signal, Front Axle Actuator and Indicators
Master Electrical Component List
Transfer Case Description and Operation
Control Module References
Power, Ground, Serial Data, and Transfer Case Encoder Motor
Courtesy Lamp Supply
Ignition Switch - ACCY/RUN/START, RUN, and START Bus Bars, IGN A and CRNK Fuses
4WD, AIRBAG, ECMI, HVAC, and TRANS Fuses
4WD, AIRBAG, ECMI, HVAC, and TRANS Fuses
G104, G105, and G107