GM Service Manual Online
For 1990-2009 cars only
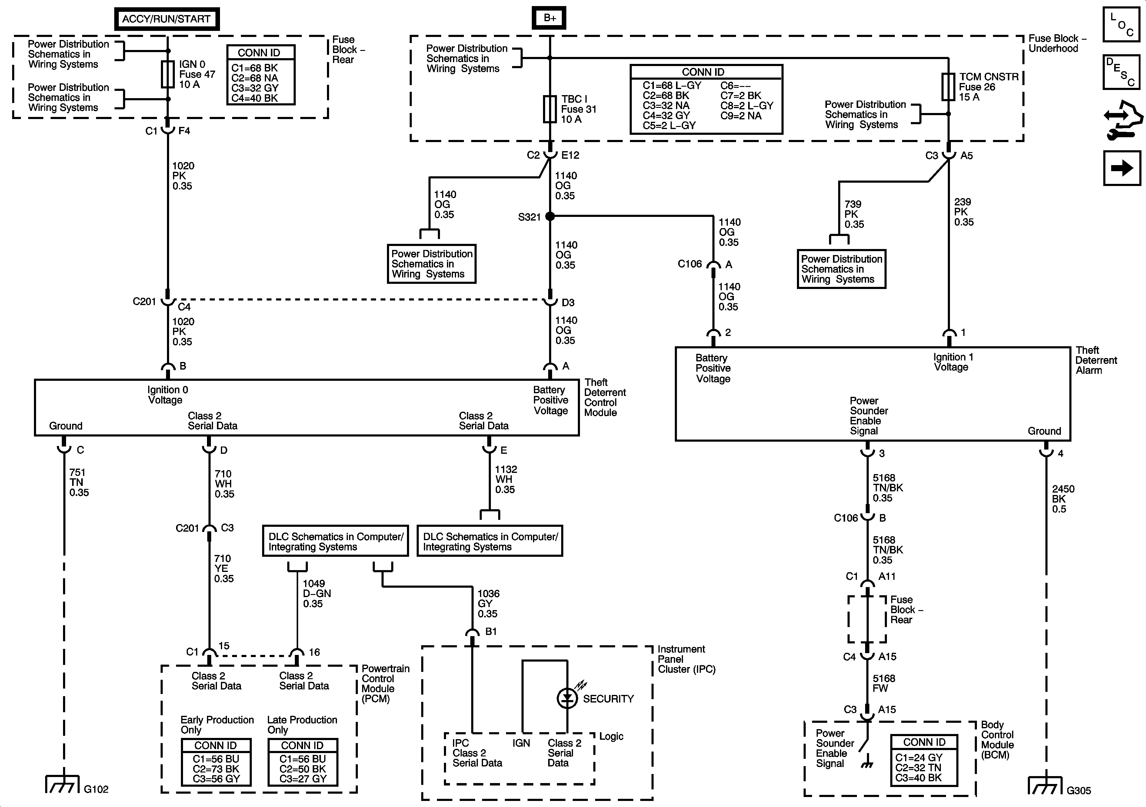
Figure 1:

Theft Deterrent Control Module and Alarm


Object Number: 1594396  Size: FS
Master Electrical Component List
Theft Systems Description and Operation
Control Module References
Intrusion and Indication Sensor Signals
Ignition Switch - ACCY/RUN/START, RUN, and START Bus Bars, IGN A and CRNK Fuses
FRT WPR, IGN 0, RAIN, TBC ACC, TBC IG, and TCM Fuses
Underhood Fuse Block
AIR PUMP, EAP, ECM, HDM, HI HEADLAMP-LT, HI HEADLAMP-RT, IGN COILS, LO HEADLAMP-LT, LO HEADLAMP-RT, PCM B and TBC I Fuses
AUX PWR 1, RR HVAC, SUNROOF, TBC 2, TBC 3, TBC 4, TBC 5, and TCM CNSTR Fuses
SP205
Power, Ground, Data Link Connector
G102
G201 - 2 of 2, and G305
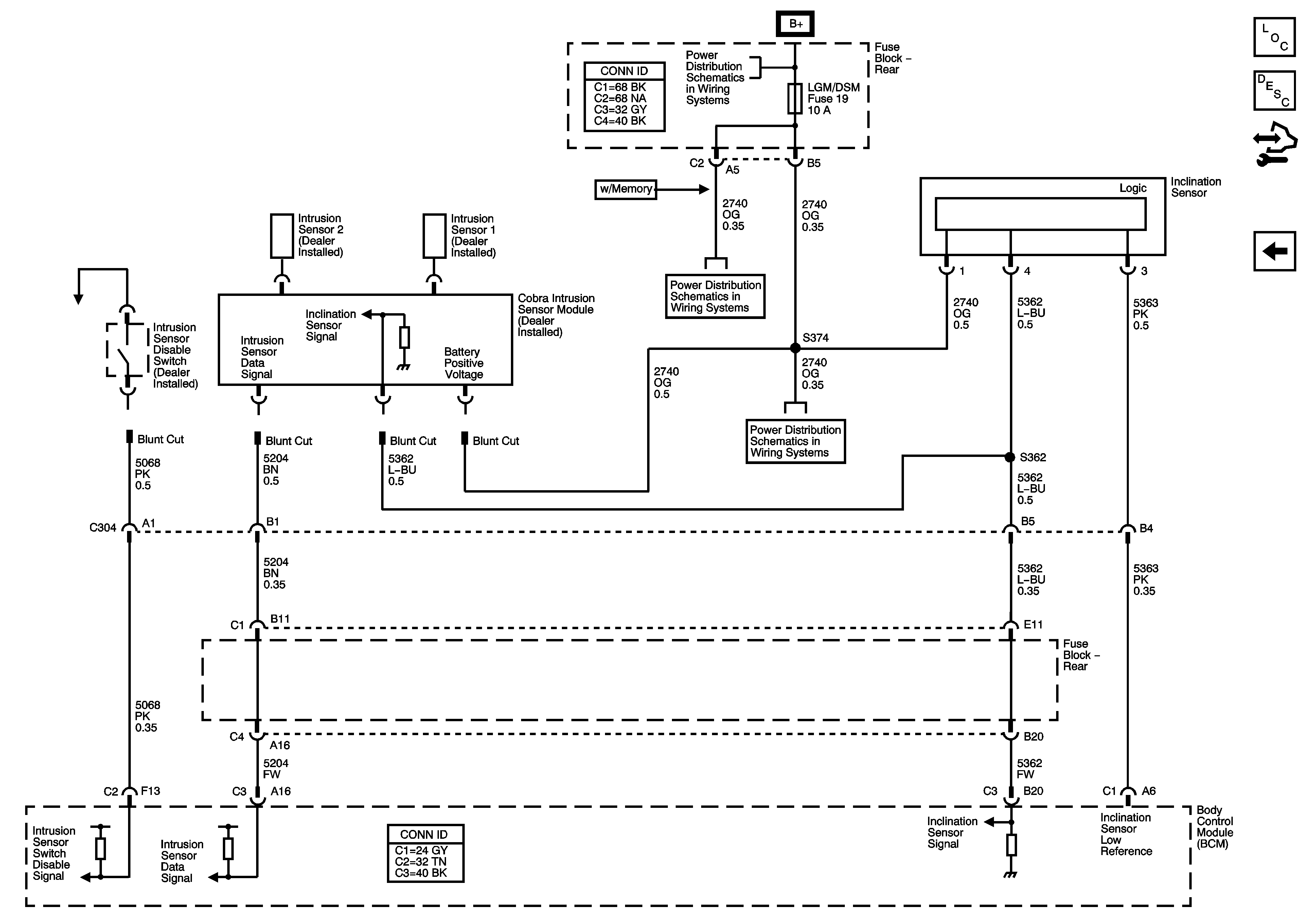
Figure 2:

Intrusion and Indication Sensor Signals


Object Number: 1594398  Size: FS
Master Electrical Component List
Theft Systems Description and Operation
Control Module References
Theft Deterrent Control Module and Alarm
B+ Bus - Rear Fuse Block
HVAC B, LGM/DSM, OH BATT/ONSTAR, and RADIO FUSES
HVAC B, LGM/DSM, OH BATT/ONSTAR, and RADIO FUSES