GM Service Manual Online
For 1990-2009 cars only
Makes
🢒
Chevrolet
🢒
2006
🢒
TrailBlazer - 2WD
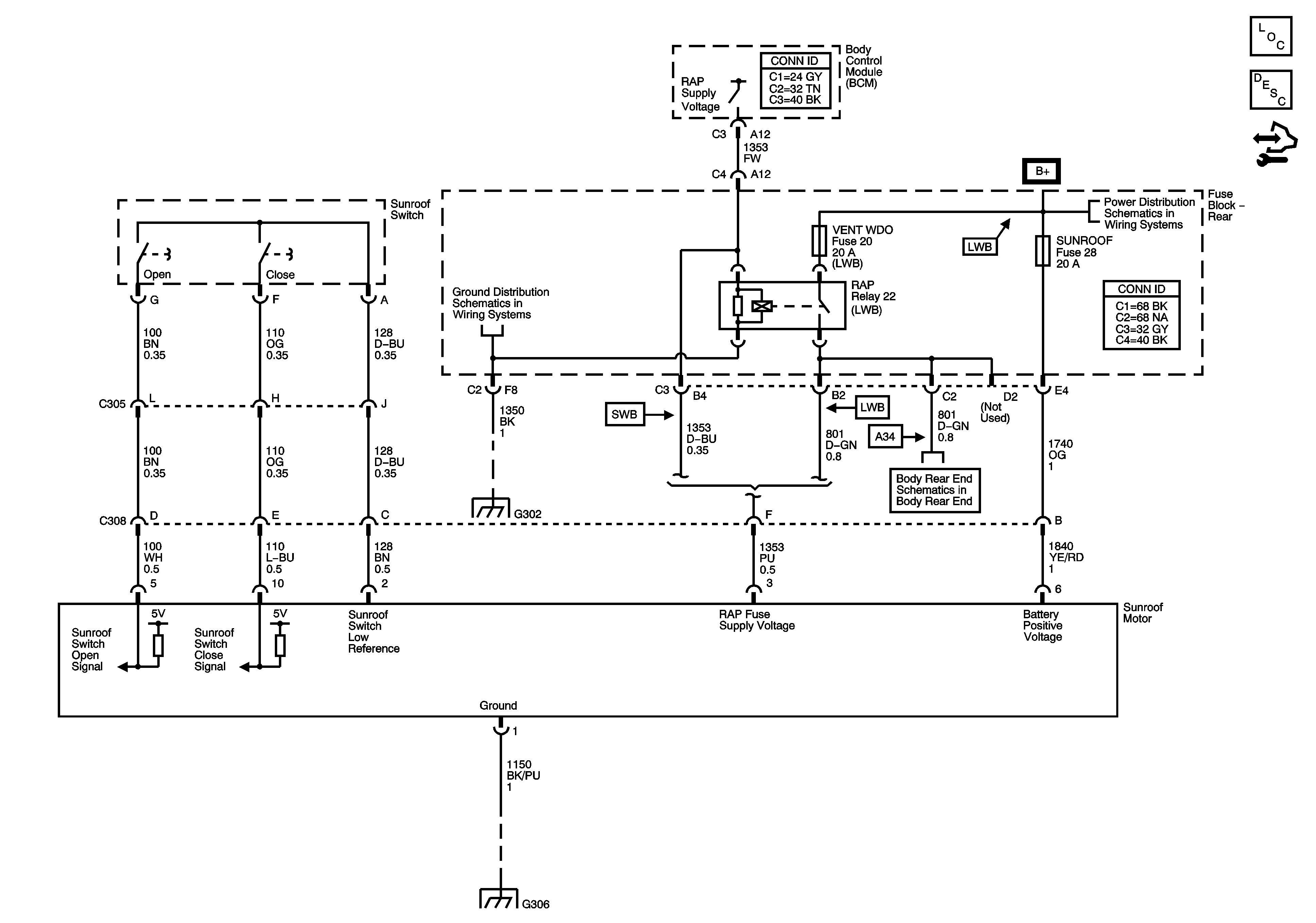
🢒 Sunroof Schematics
Sunroof Schematics
Master Electrical Component List
Sunroof Description and Operation
Control Module References
G302 - 2 of 2
B+ Bus - Rear Fuse Block
G302 - 1 of 2, G303, and G304
Quarter Glass Windows - LWB
G306