| Figure 1: |
Module Power, Ground, Serial Data, and MIL
|
| Figure 2: |
Underhood Fuse Block - PWR/TRN Relay - 1 of 2
|
| Figure 3: |
Underhood Fuse Block - PWR/TRN Relay - 2 of 2
|
| Figure 4: |
Engine Data Sensors - 5-Volt and Low Reference
|
| Figure 5: |
Engine Data Sensors - MAF, Pressure, Temperature, and VSS
|
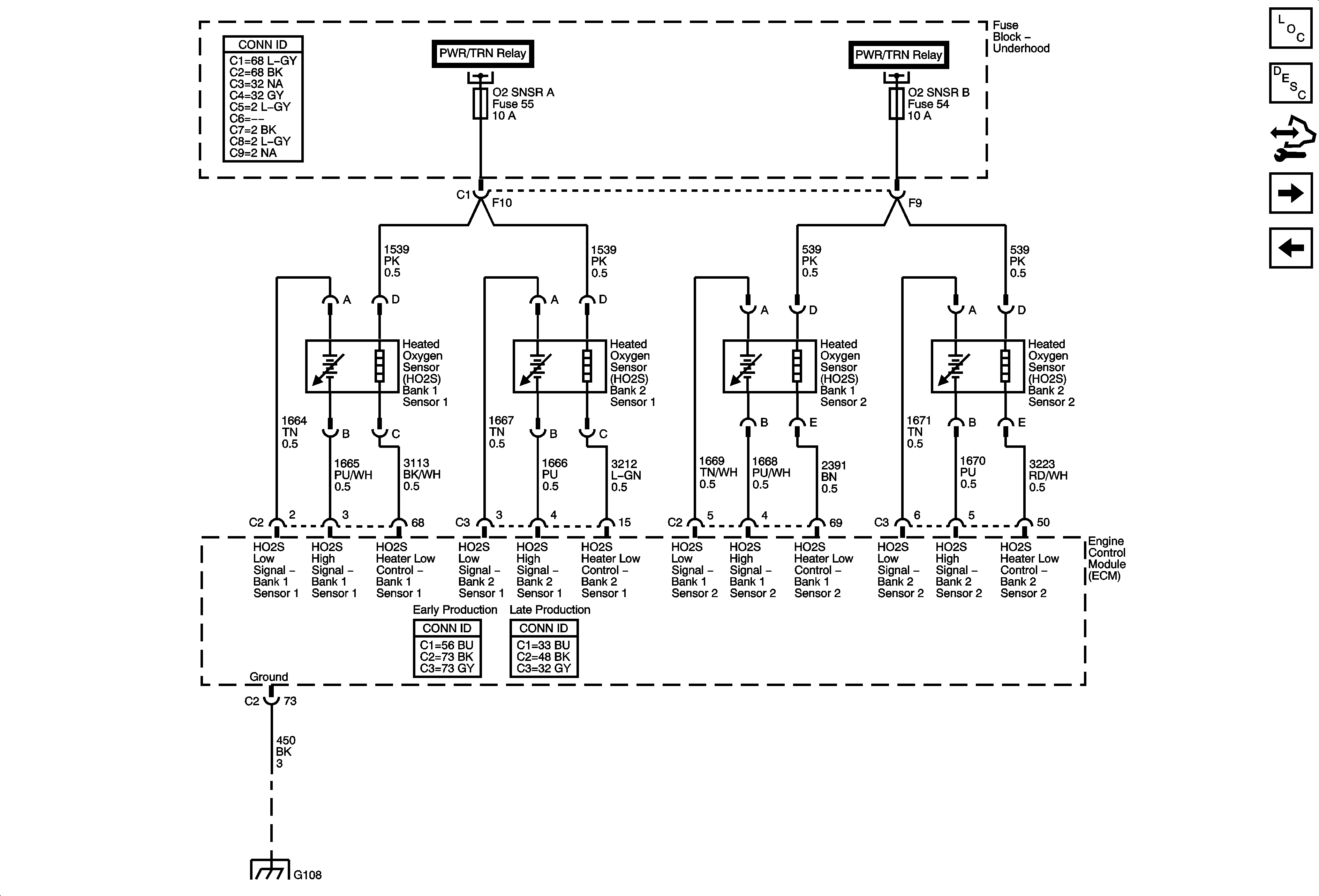
| Figure 6: |
Engine Data Sensors - Oxygen Sensors
|
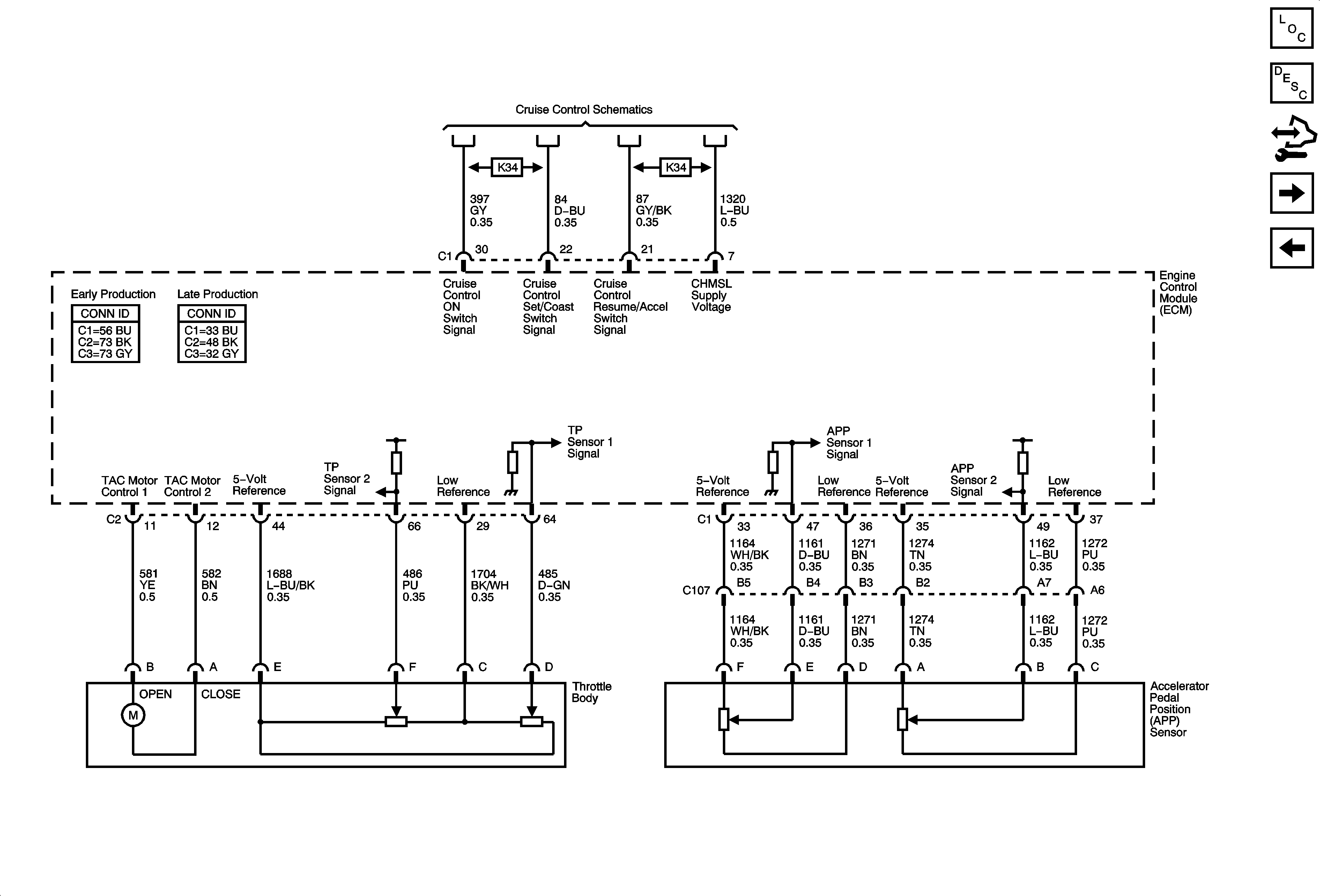
| Figure 7: |
Engine Data Sensors - Throttle Actuator Controls
|
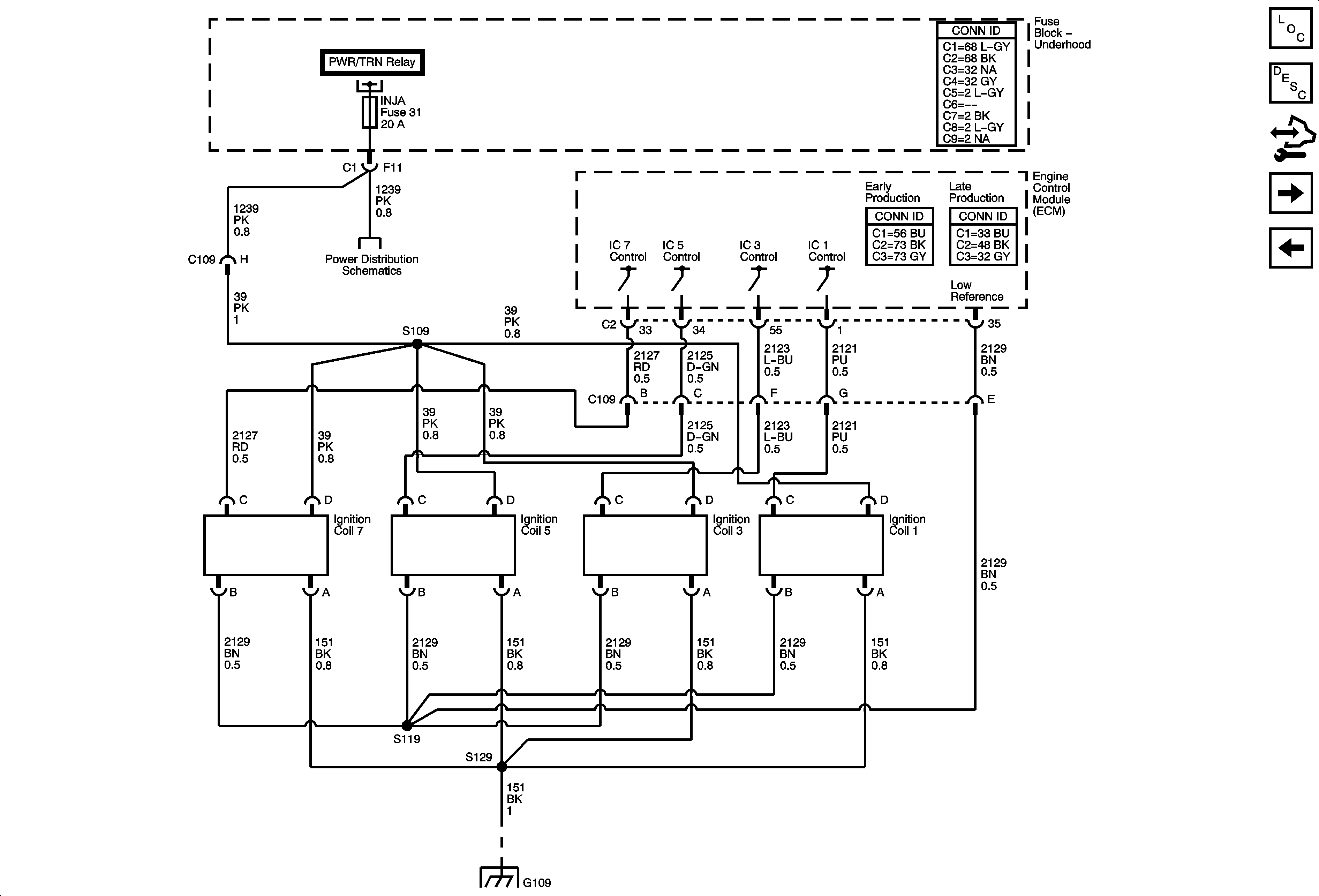
| Figure 8: |
Ignition Controls - Ignition Coils 1, 3, 5, and 7
|
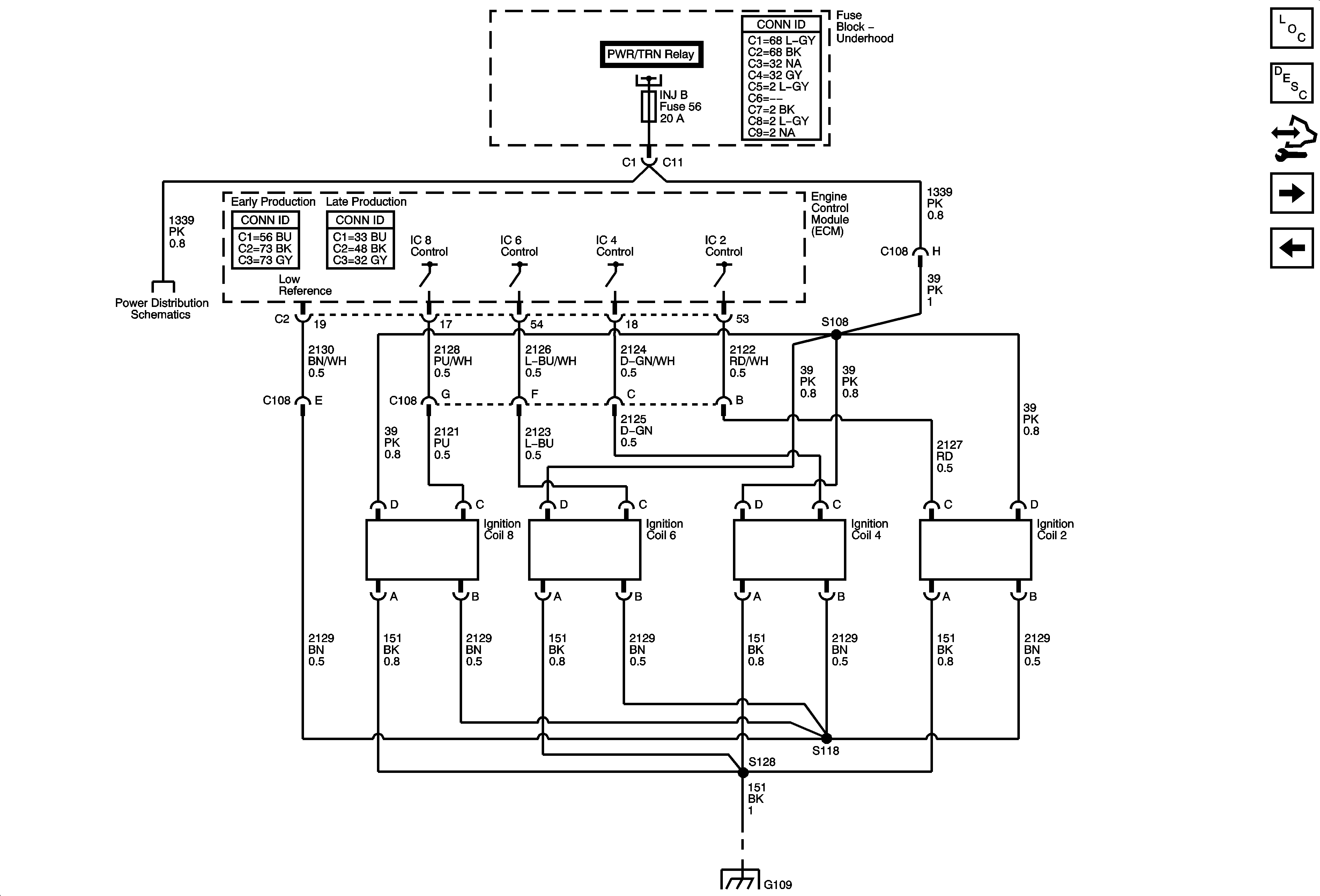
| Figure 9: |
Ignition Controls - Ignition Coils 2, 4, 6, and 8
|
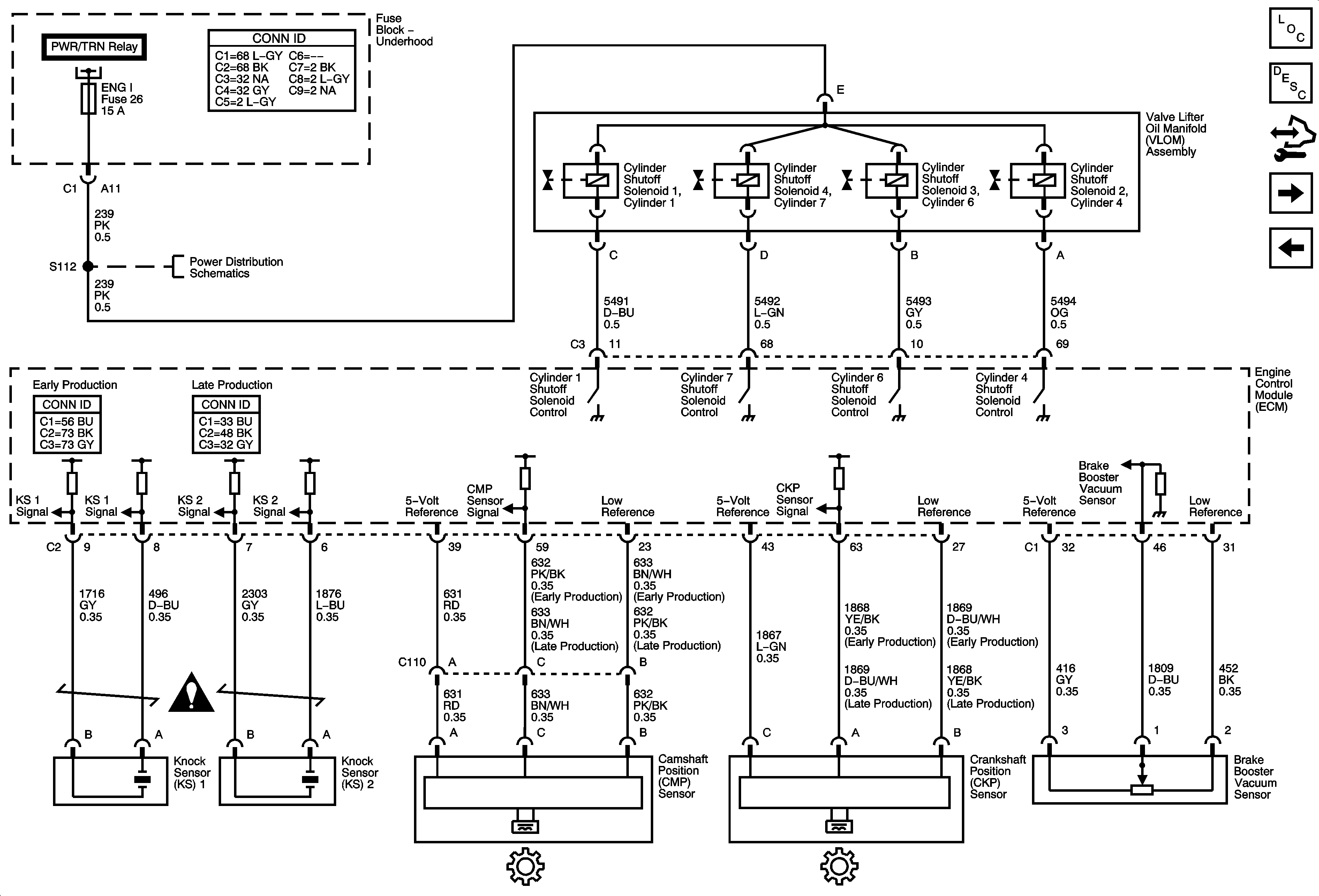
| Figure 10: |
Ignition Controls - Sensors and DOD Controls
|
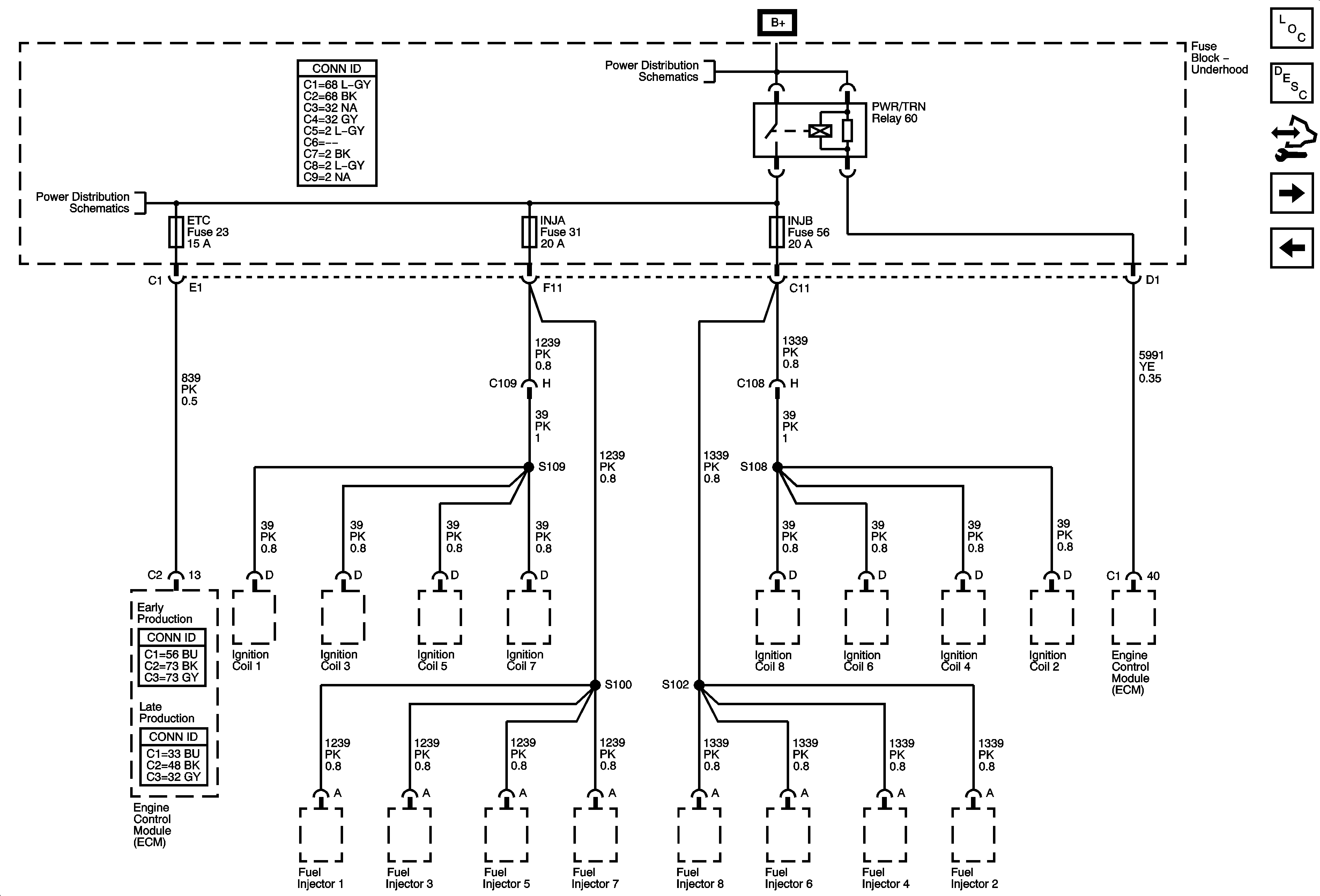
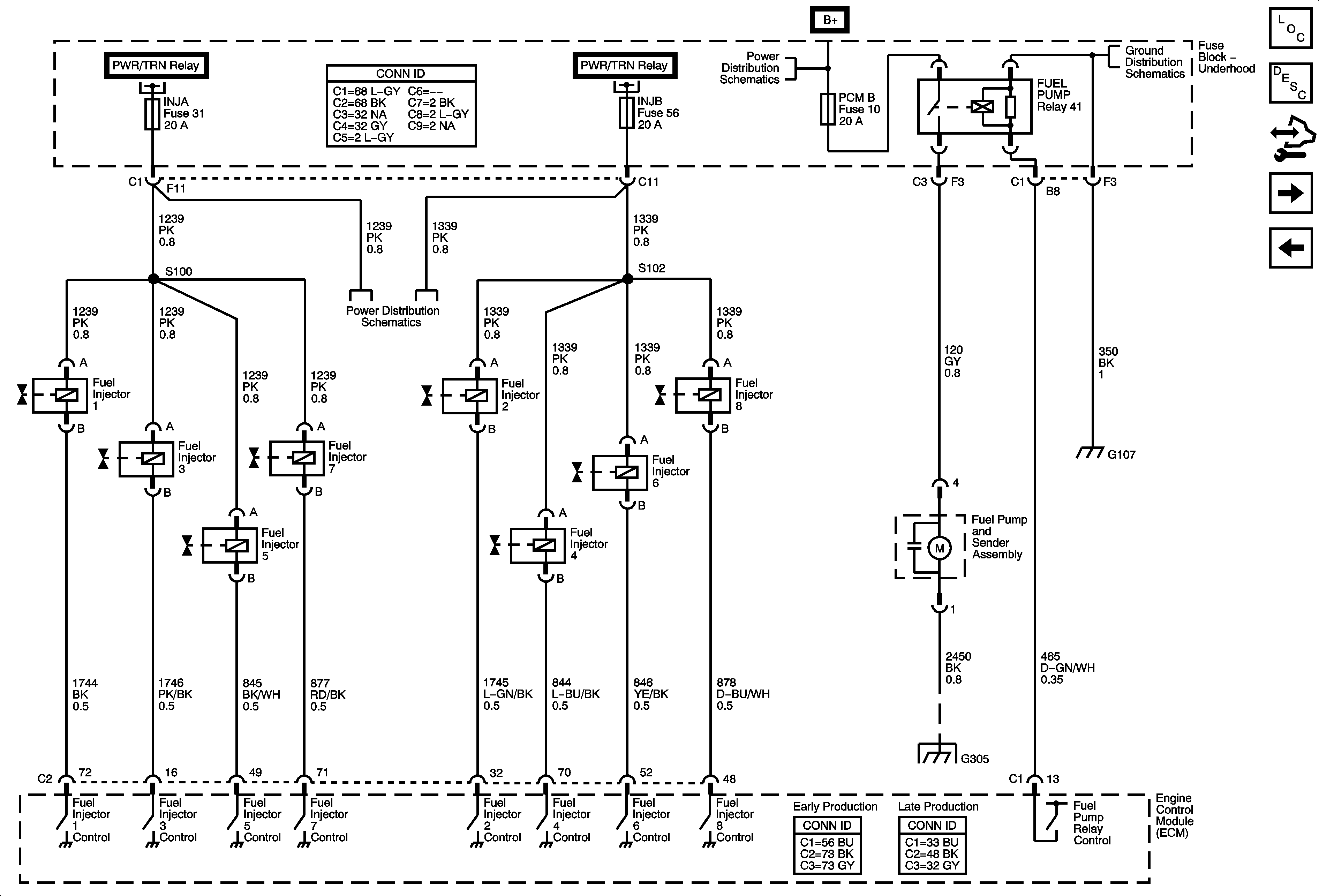
| Figure 11: |
Fuel Controls - Fuel Pump and Fuel Injectors
|
| Figure 12: |
Fuel Controls - EVAP Controls
|
| Figure 13: |
Controlled/Monitored Subsystem References
|