GM Service Manual Online
For 1990-2009 cars only
Makes
🢒
Chevrolet
🢒
2007
🢒
TrailBlazer - 2WD
🢒
Diagnostic Navigation
🢒
Vehicle Diagnostic Information
🢒 Audible Warnings Schematics
Master Electrical Component List
Audible Warnings Description and Operation
Control Module References
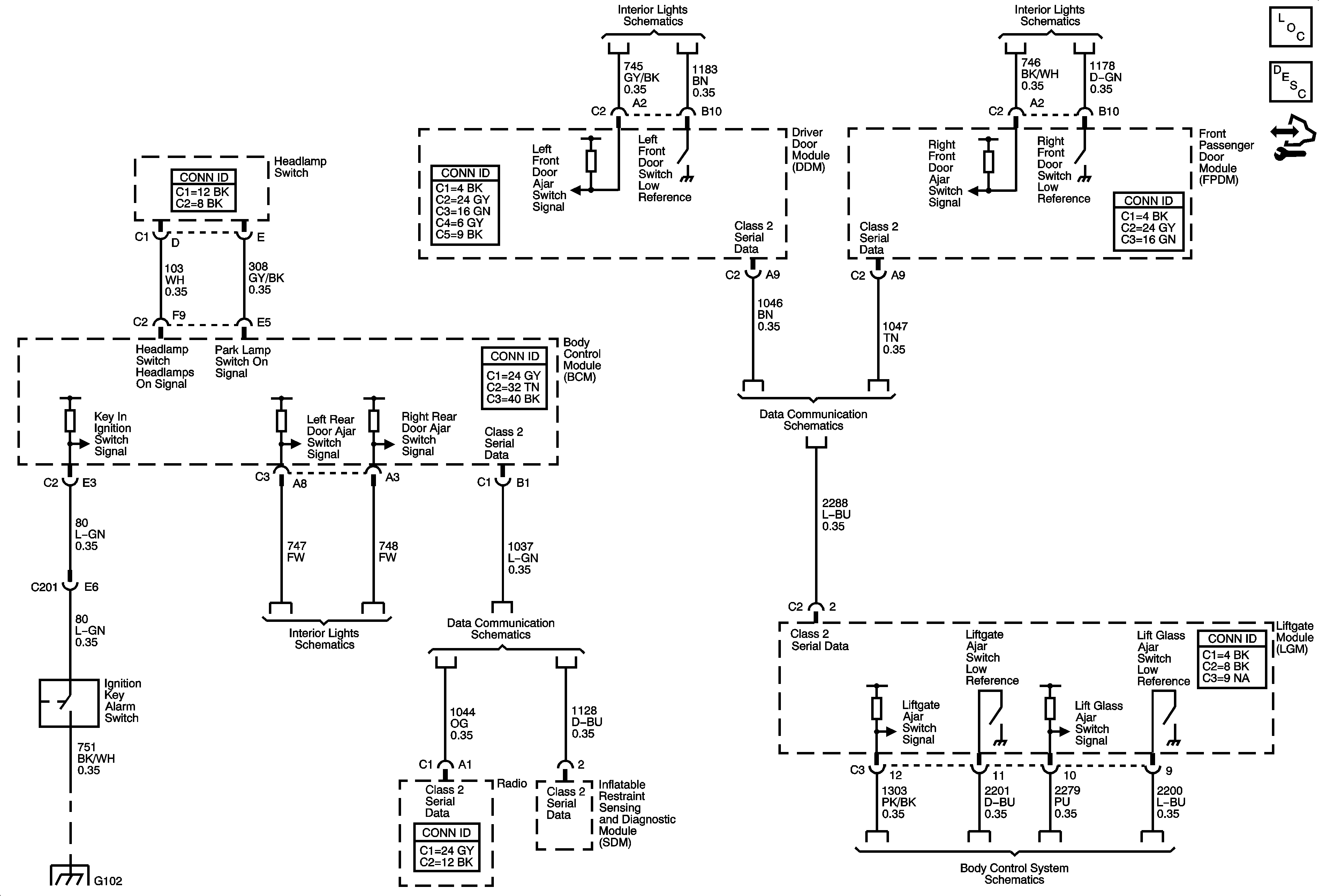
Door Switch Inputs and Liftgate Switch Inputs
Door Switch Inputs and Liftgate Switch Inputs
SP306
Door Switch Inputs and Liftgate Switch Inputs
SP205
G102
Liftgate Module