GM Service Manual Online
For 1990-2009 cars only
Makes
🢒
Chevrolet
🢒
2007
🢒
TrailBlazer - 2WD
🢒
Body Repair
🢒
Bumpers and Fascias
🢒 Front Air Dam Replacement
Front Air Dam Replacement Rainier
Removal Procedure
Remove the front fascia. Refer to
Front Bumper Fascia Replacement
.
Remove the impact bar. Refer to
Front Bumper Impact Bar Replacement
.
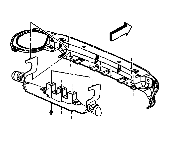
Remove the 3 push-pins that retain the air deflector to the impact bar.
Disengage the tabs on the air deflector from the slots in the impact bar.
Remove the air deflector from the impact bar.
Installation Procedure
Install the air deflector to the impact bar.
Insert the tabs on the air deflector to the slots in the impact bar.
Install the 3 push-pins that retain the air deflector to the impact bar.
Install the impact bar. Refer to
Front Bumper Impact Bar Replacement
.
Install the fascia. Refer to
Front Bumper Fascia Replacement
.