GM Service Manual Online
For 1990-2009 cars only
Makes
🢒
Chevrolet
🢒
2007
🢒
TrailBlazer - 2WD
🢒
Power and Signal Distribution
🢒
Wiring Systems and Power Management
🢒 Cruise Control Schematics
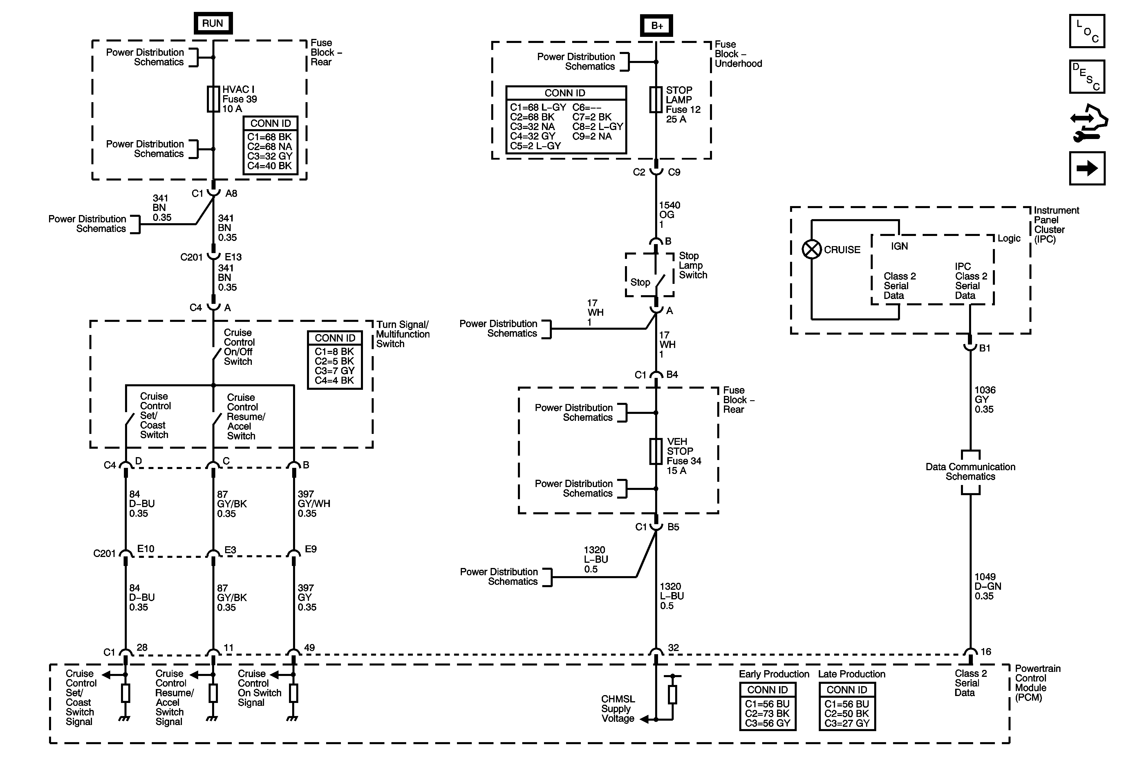
Figure
1:
4.2L
Master Electrical Component List
Cruise Control Description and Operation (4.2L)
Control Module References
5.3L/6.0L
Ignition Switch - ACCY/RUN/START, RUN, and START Bus Bars, IGN A and CRNK Fuses
BRAKE, HVAC I, and TBC RUN Fuses
BRAKE, HVAC I, and TBC RUN Fuses
B+ Bus - Underhood Fuse Block
ABS, ATC, BLWR, ECAS, ELEC BRK, HAZRD, IPC/DIC, LTR, RVC, STOP LAMP, TRLR, VEH CHMSL, VEH STOP, and VSES Fuses
ABS, ATC, BLWR, ECAS, ELEC BRK, HAZRD, IPC/DIC, LTR, RVC, STOP LAMP, TRLR, VEH CHMSL, VEH STOP, and VSES Fuses
ABS, ATC, BLWR, ECAS, ELEC BRK, HAZRD, IPC/DIC, LTR, RVC, STOP LAMP, TRLR, VEH CHMSL, VEH STOP, and VSES Fuses
ABS, ATC, BLWR, ECAS, ELEC BRK, HAZRD, IPC/DIC, LTR, RVC, STOP LAMP, TRLR, VEH CHMSL, VEH STOP, and VSES Fuses
SP205
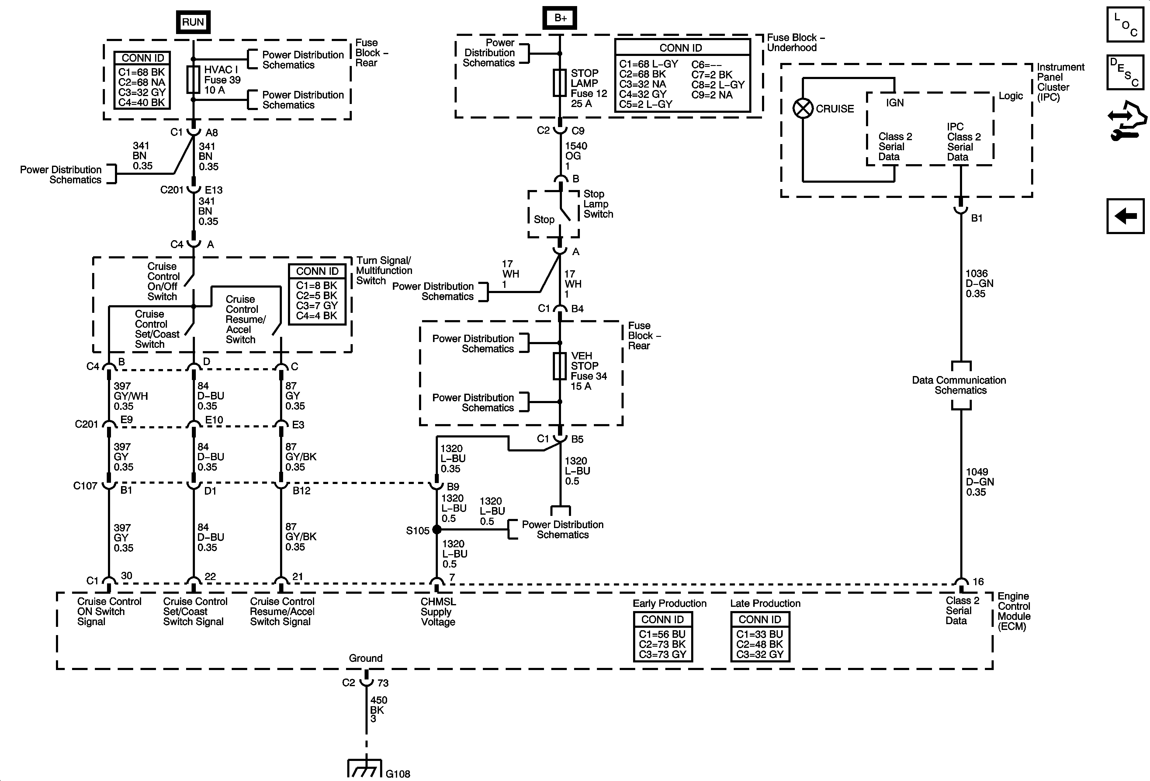
Figure
2:
5.3L/6.0L
Master Electrical Component List
Cruise Control Description and Operation (5.3L, 6.0L)
Control Module References
4.2L
BRAKE, HVAC I, and TBC RUN Fuses
Ignition Switch - ACCY/RUN/START, RUN, and START Bus Bars, IGN A and CRNK Fuses
BRAKE, HVAC I, and TBC RUN Fuses
B+ Bus - Underhood Fuse Block
ABS, ATC, BLWR, ECAS, ELEC BRK, HAZRD, IPC/DIC, LTR, RVC, STOP LAMP, TRLR, VEH CHMSL, VEH STOP, and VSES Fuses
SP205
ABS, ATC, BLWR, ECAS, ELEC BRK, HAZRD, IPC/DIC, LTR, RVC, STOP LAMP, TRLR, VEH CHMSL, VEH STOP, and VSES Fuses
G108