GM Service Manual Online
For 1990-2009 cars only
Makes
🢒
Chevrolet
🢒
2007
🢒
TrailBlazer - 2WD
🢒 Front Doors and Liftgate
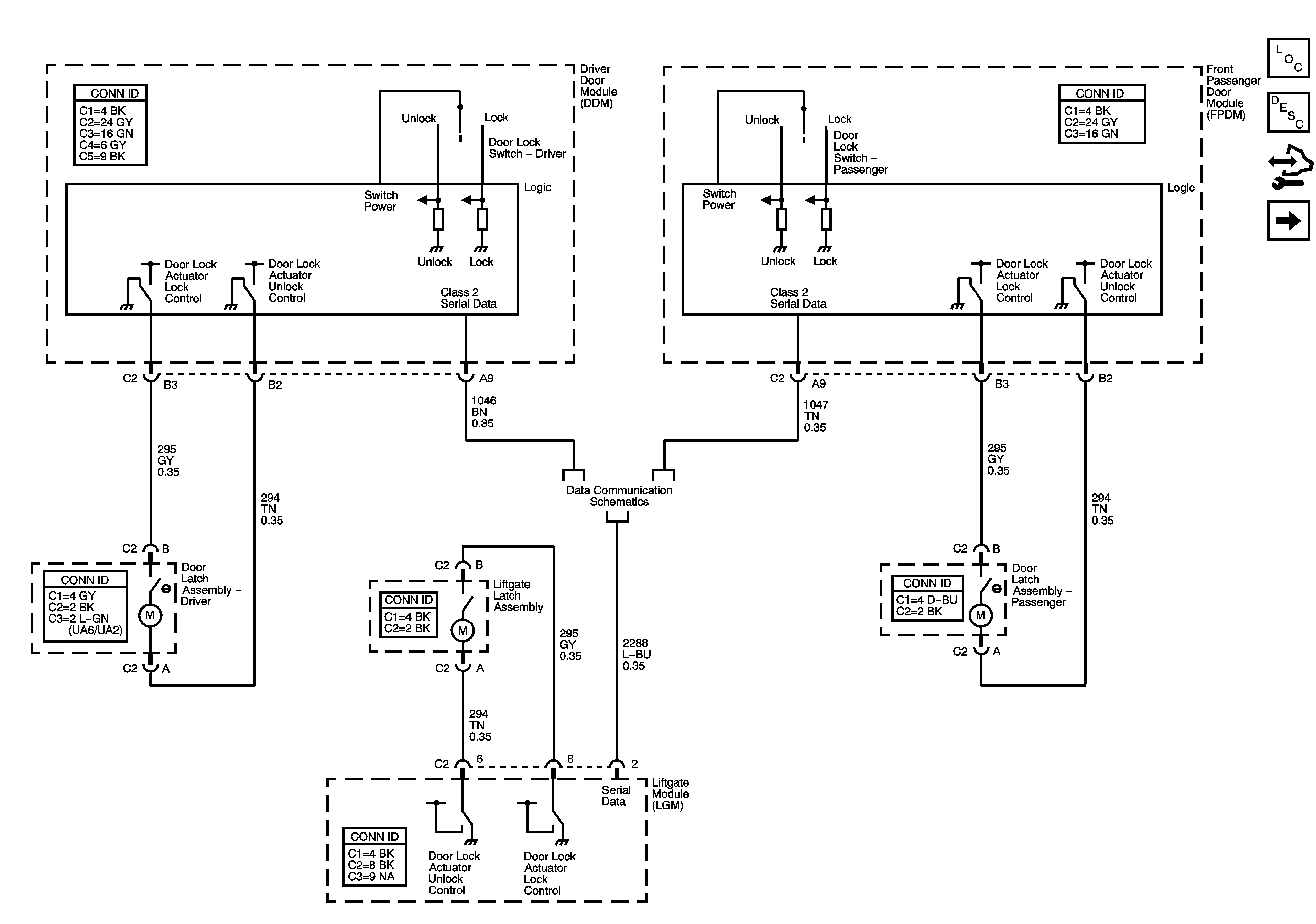
Front Doors and Liftgate
Front Doors and Liftgate
Master Electrical Component List
Power Door Locks Description and Operation
Control Module References
Rear Doors
SP306