GM Service Manual Online
For 1990-2009 cars only
Makes
🢒
Chevrolet
🢒
2007
🢒
TrailBlazer - 2WD
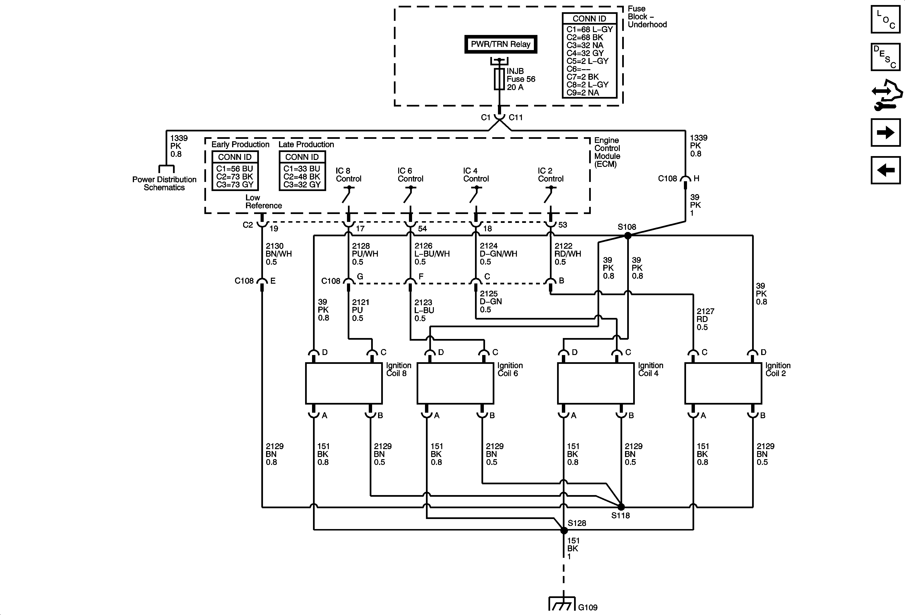
🢒 Ignition Controls - Ignition Coils 2, 4, 6, and 8
Ignition Controls - Ignition Coils 2, 4, 6, and 8
Ignition Controls - Ignition Coils 2, 4, 6, and 8
Master Electrical Component List
Electronic Ignition (EI) System Description
Control Module References
Ignition Controls - Sensors
Ignition Controls - Ignition Coils 1, 3, 5, and 7
Underhood Fuse Block - PWR/TRN Relay - 1 of 2
ENG 1, ETC, INJA, INJB, O2 SNSR A, O2 SNSR B Fuses - 5.3L/6.0L
G109