GM Service Manual Online
For 1990-2009 cars only
Makes
🢒
Chevrolet
🢒
2007
🢒
TrailBlazer - 2WD
🢒 Fuel Controls - Fuel Pump and Fuel Injectors
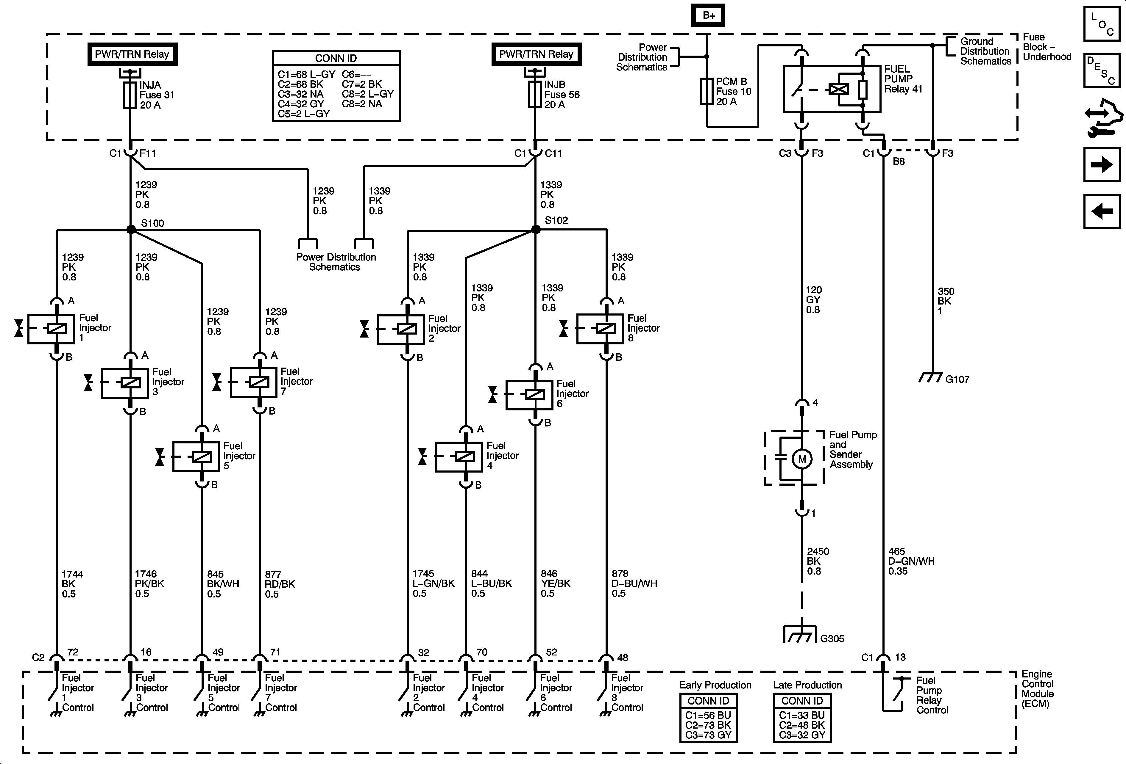
Fuel Controls - Fuel Pump and Fuel Injectors
Fuel Controls - Fuel Pump and Fuel Injectors
Master Electrical Component List
Fuel System Description
Control Module References
Fuel Controls - EVAP Controls
Ignition Controls - Sensors
Underhood Fuse Block - PWR/TRN Relay - 1 of 2
Underhood Fuse Block - PWR/TRN Relay - 1 of 2
B+ Bus - Underhood Fuse Block
G104, G105, and G107
G201 - 2 of 2, and G305