GM Service Manual Online
For 1990-2009 cars only
Makes
🢒
Chevrolet
🢒
2008
🢒
TrailBlazer - 2WD
🢒
Diagnostic Navigation
🢒
Vehicle Diagnostic Information
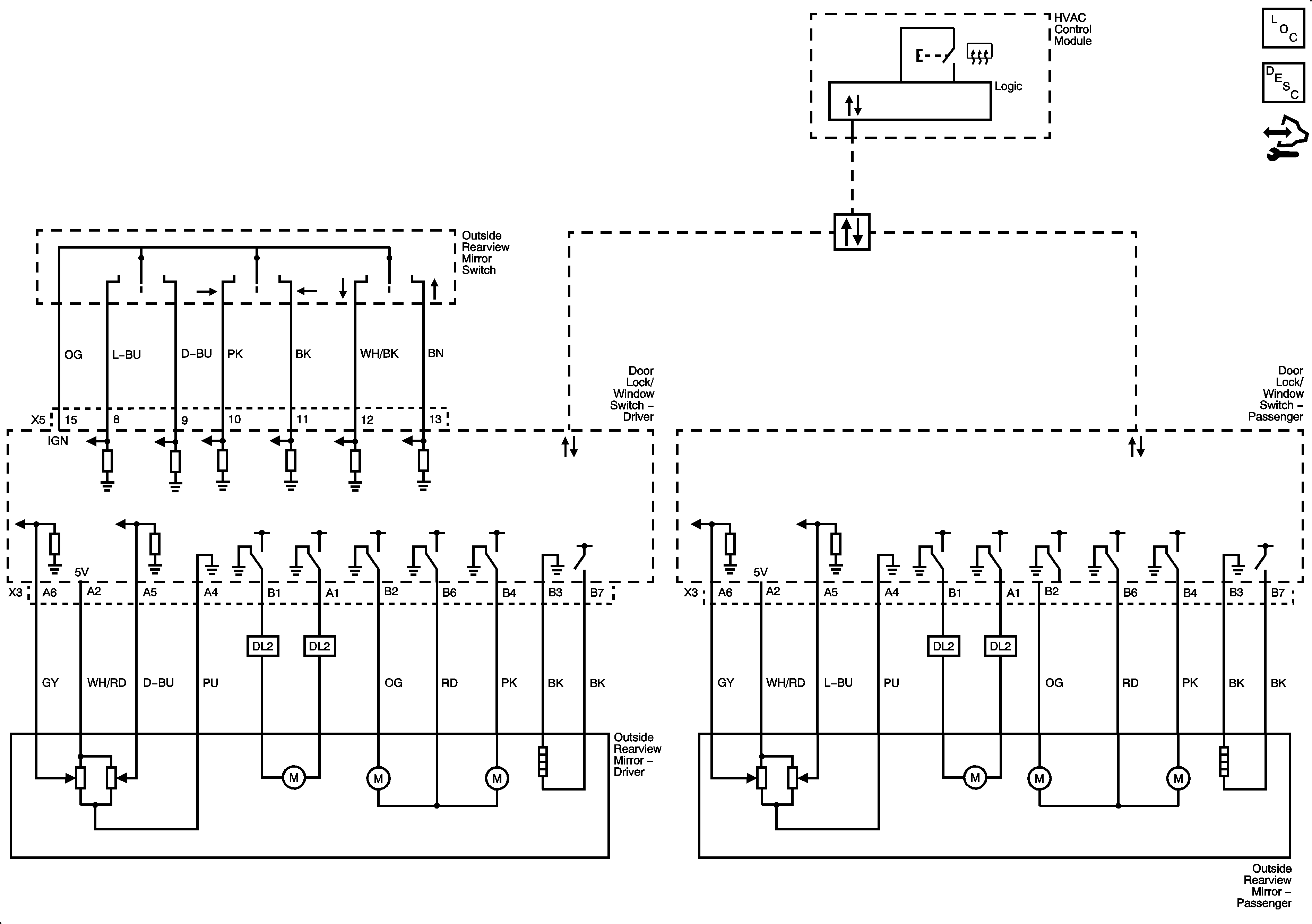
🢒 Outside Rearview Mirror Schematics
Master Electrical Component List
Outside Mirror Description and Operation Heated Mirrors
Control Module References