GM Service Manual Online
For 1990-2009 cars only
Makes
🢒
Chevrolet
🢒
2008
🢒
TrailBlazer - 2WD
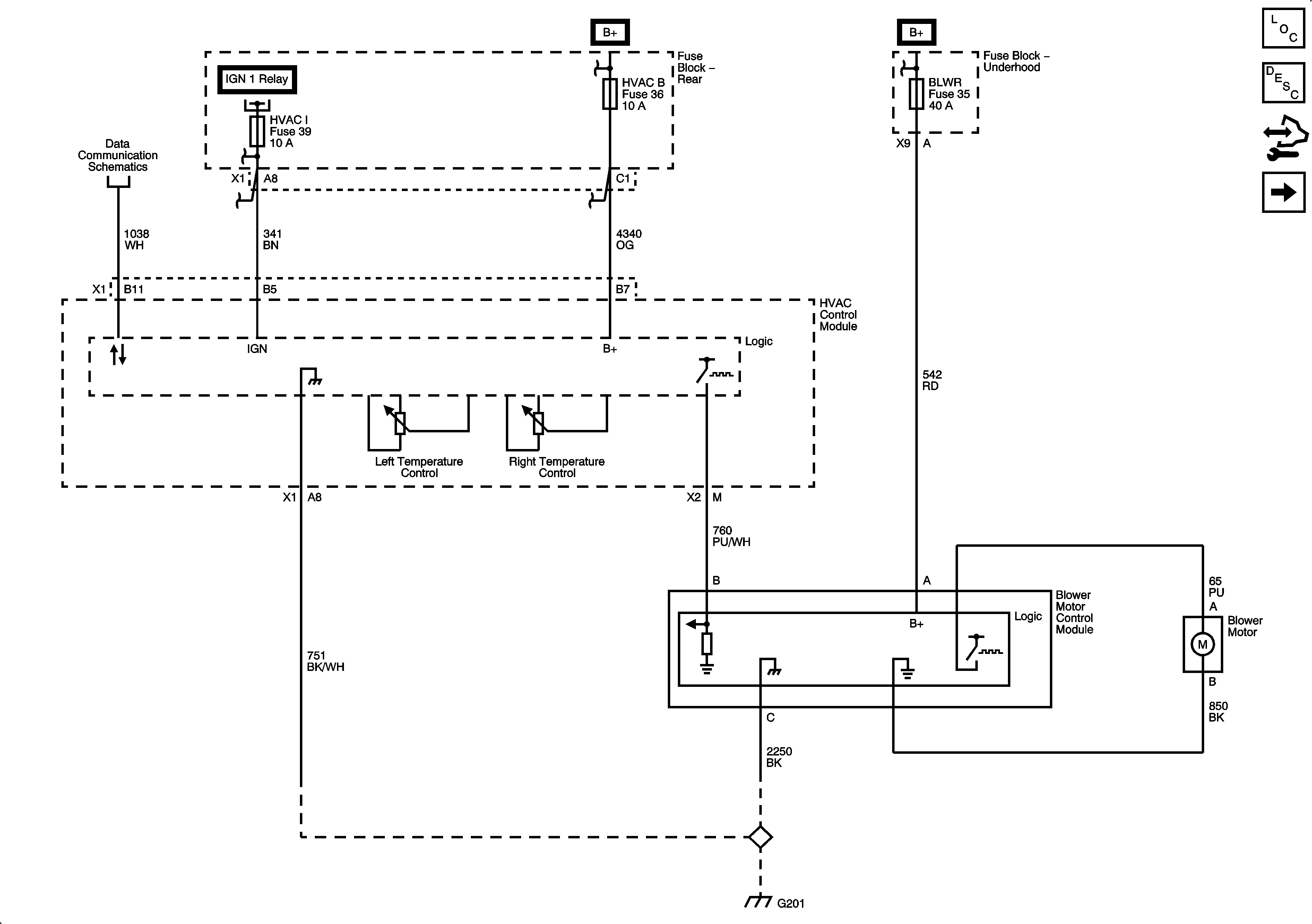
🢒 Module Power, Ground, Serial Data, and Blower Motor
Module Power, Ground, Serial Data, and Blower Motor
Module Power, Ground, Serial Data, and Blower Motor
Master Electrical Component List
Air Delivery Description and Operation
Control Module References
Compressor Controls