GM Service Manual Online
For 1990-2009 cars only
Makes
🢒
Chevrolet
🢒
2008
🢒
TrailBlazer - 2WD
🢒 Air Delivery/Temperature Actuators
Air Delivery/Temperature Actuators
Air Delivery/Temperature Actuators
Master Electrical Component List
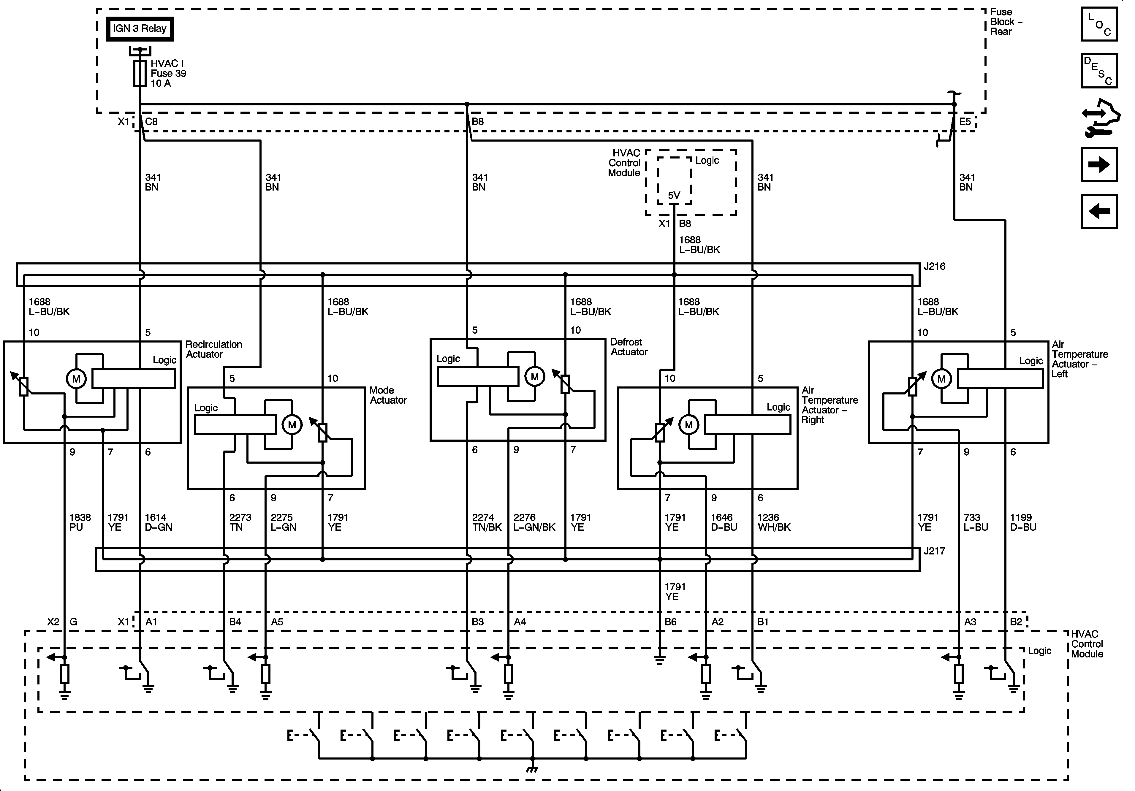
Air Delivery Description and Operation
Control Module References
Air Temperature Sensors
Compressor Controls