GM Service Manual Online
For 1990-2009 cars only
Makes
🢒
Chevrolet
🢒
2008
🢒
TrailBlazer - 2WD
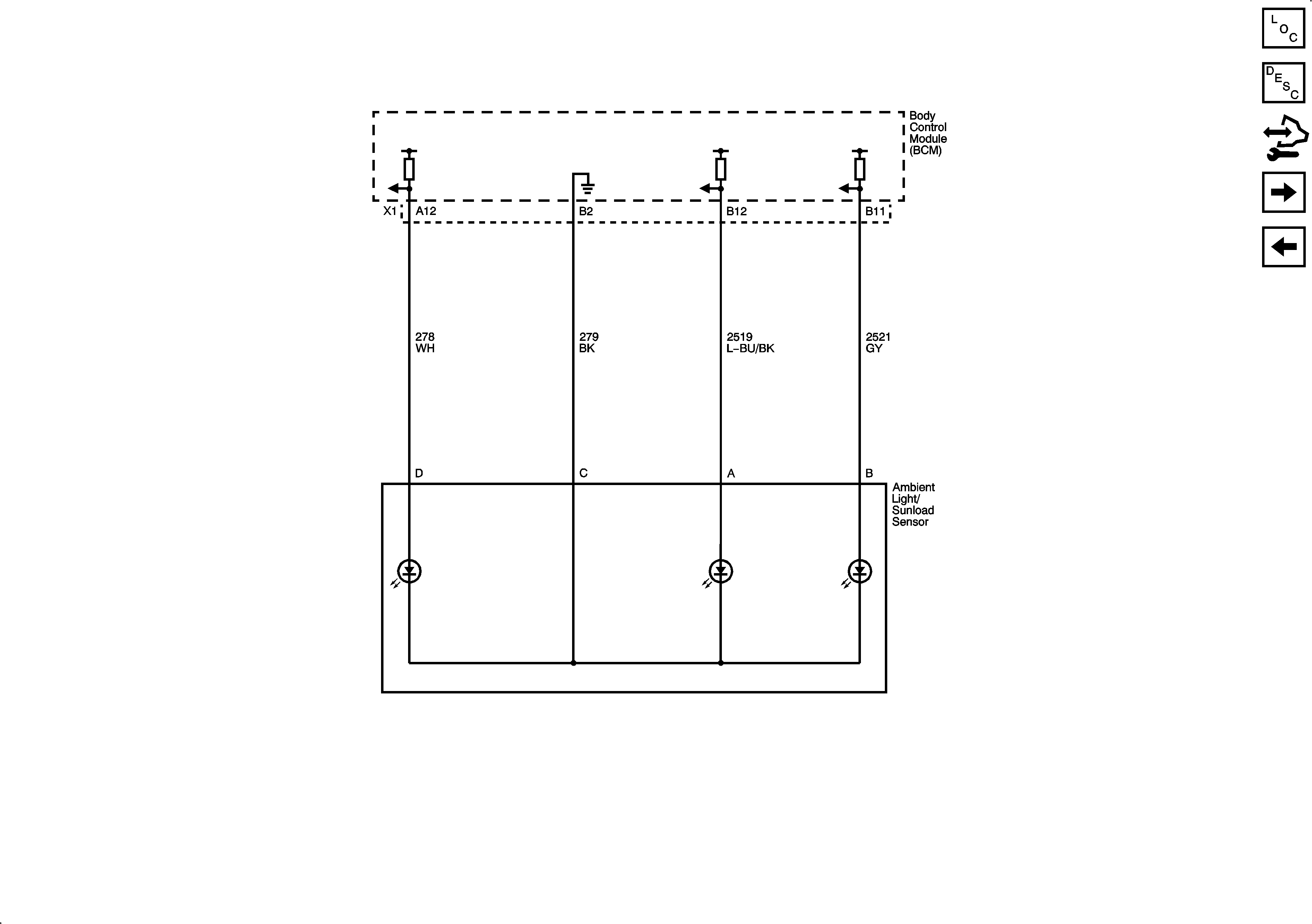
🢒 Ambient Light/Sunload Sensors
Ambient Light/Sunload Sensors
Ambient Light/Sunload Sensors
Master Electrical Component List
Air Temperature Description and Operation
Control Module References
Rear Auxiliary Controls
Air Temperature Sensors