GM Service Manual Online
For 1990-2009 cars only
Makes
🢒
Chevrolet
🢒
2009
🢒
TrailBlazer - 2WD
🢒
Diagnostic Navigation
🢒
Vehicle Diagnostic Information
🢒 Moveable Window Schematics
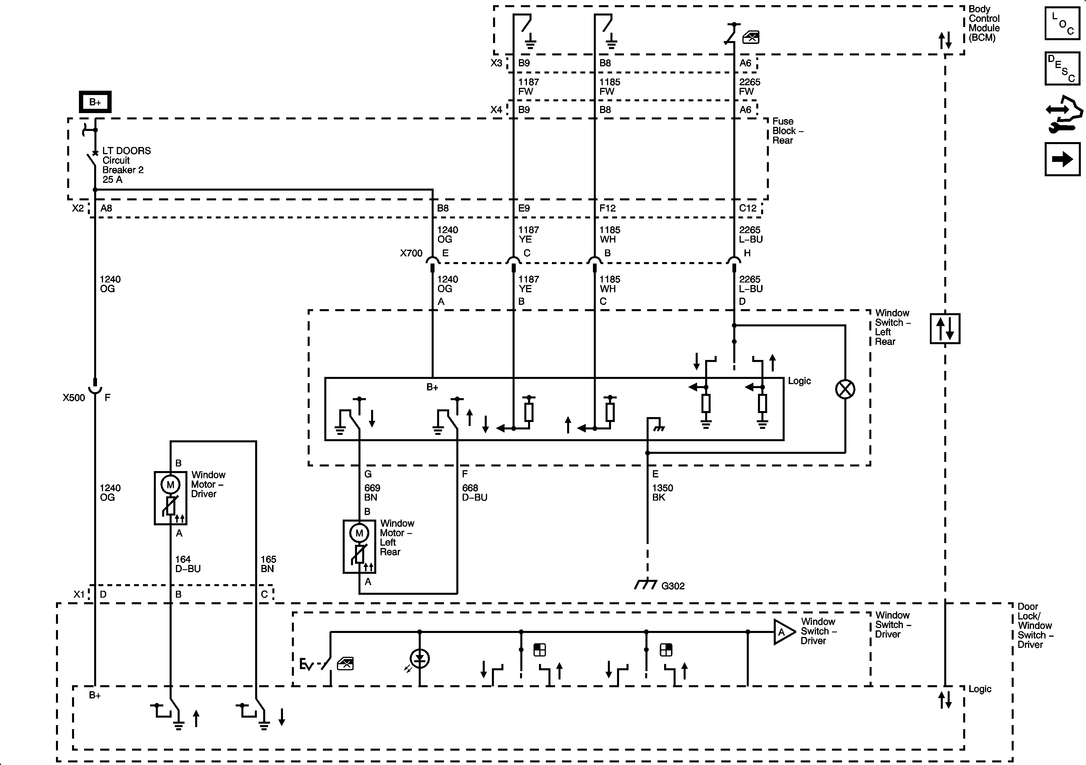
Figure
1:
Power Windows - Left
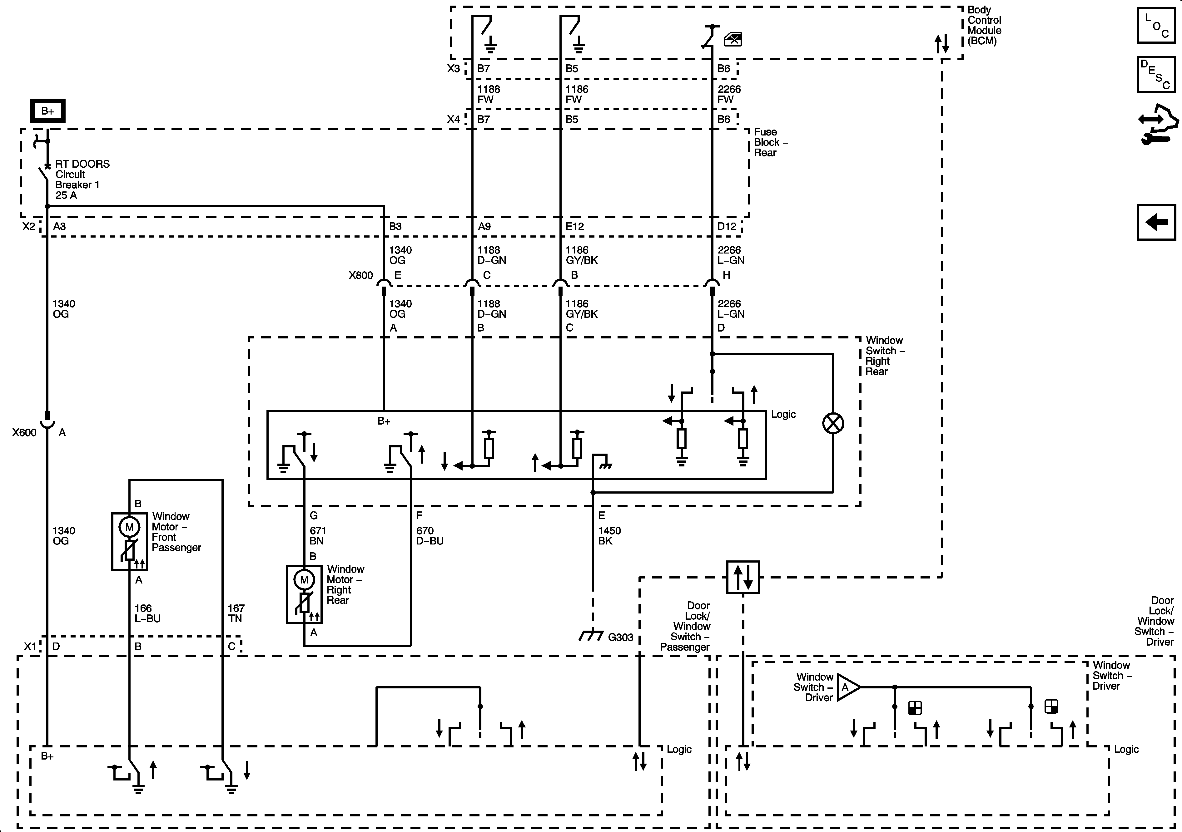
Figure
2:
Power Windows - Right