GM Service Manual Online
For 1990-2009 cars only
Makes
🢒
Chevrolet
🢒
2009
🢒
TrailBlazer - 2WD
🢒
Body Systems
🢒
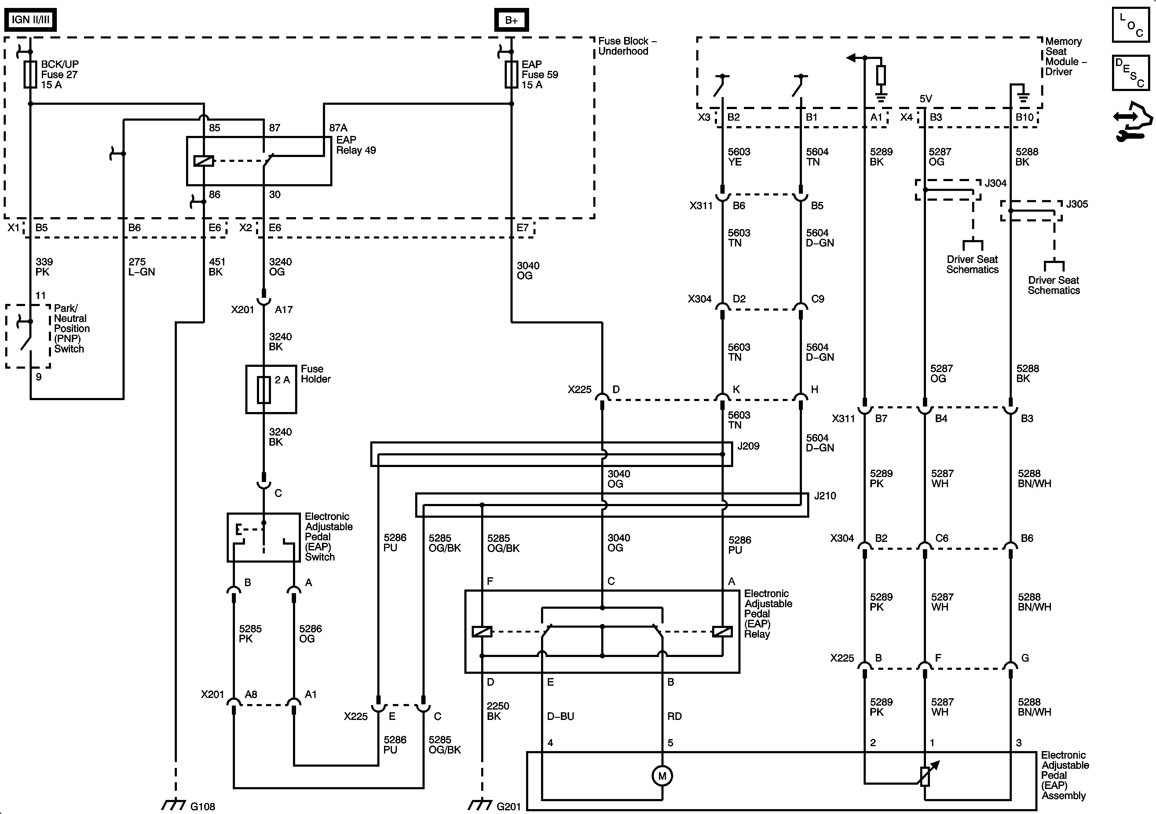
Adjustable Pedals
🢒 Adjustable Pedal Schematics