GM Service Manual Online
For 1990-2009 cars only
Makes
🢒
Chevrolet
🢒
2002
🢒
TrailBlazer - 4WD
🢒
Driveline/Axle
🢒
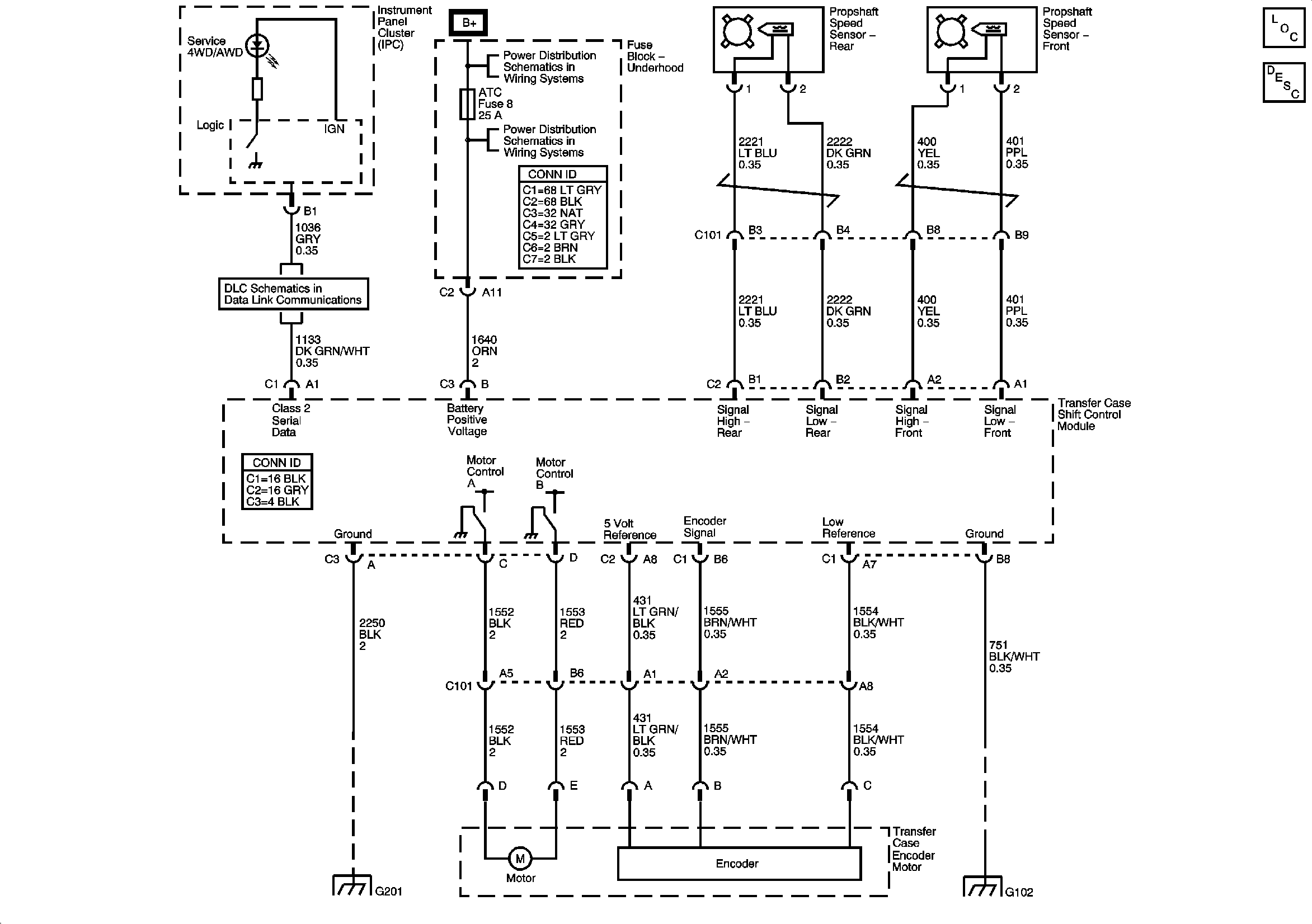
Transfer Case - NVG 126-NP4
🢒 Transfer Case Control Schematics
Master Electrical Component List
Transfer Case Description and Operation
B+ Bus - Underhood Fuse Block
TRAILER, ABS, ATC, BLOWER, ELEK BRK, CIGAR, ST/LP, VEH CHMSL, and VEH STOP Fuses
DLC and SP205
G201 - 1 of 2
G102, G104, G105, and G109