GM Service Manual Online
For 1990-2009 cars only
Makes
🢒
Chevrolet
🢒
2002
🢒
TrailBlazer - 4WD
🢒
Transmission/Transaxle
🢒
Automatic Transmission - 4L60-E
🢒 Automatic Transmission Controls Schematics
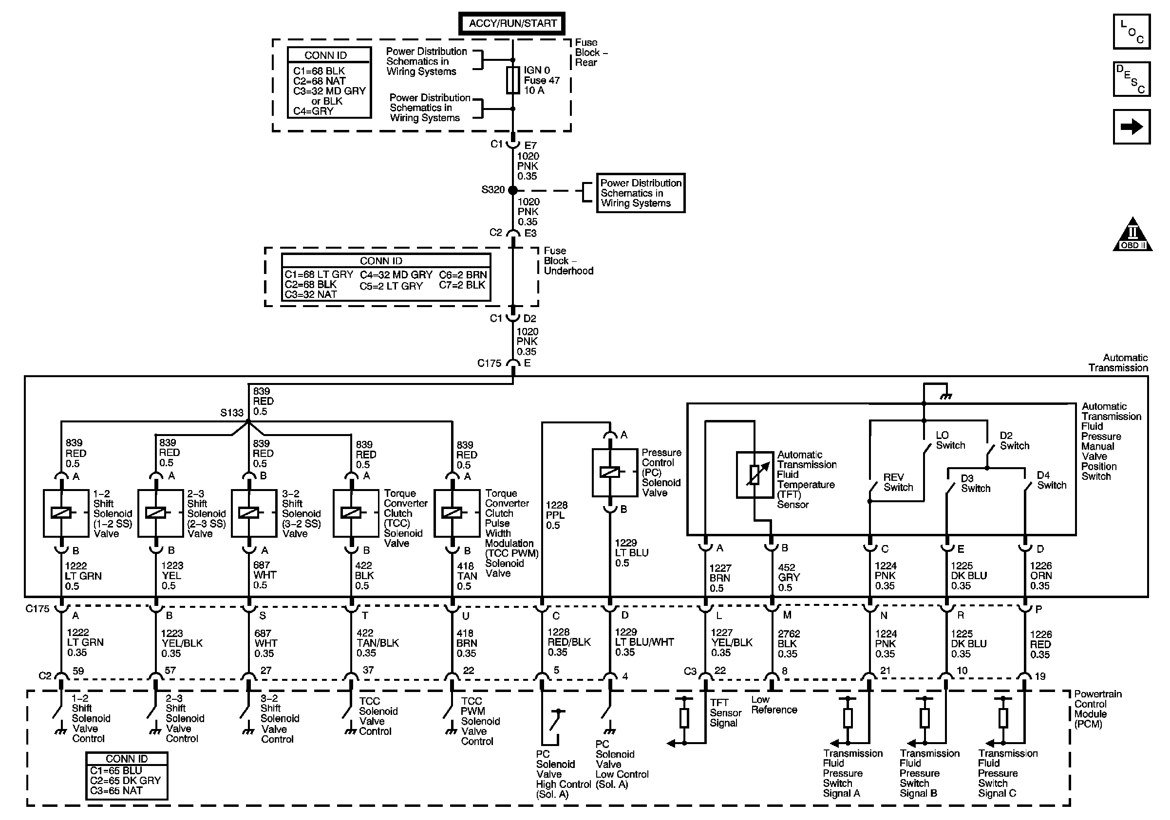
Figure
1:
Internal Controls
Master Electrical Component List
Electronic Component Description
Automatic Transmission Inputs and Indicator
OBD II Symbol Description Notice
ACCY/RUN/START, RUN, and START Bus Bars
IGN 0, TBC IG, TBC ACC, FRT WPR, and RAIN Fuses
IGN 0, TBC IG, TBC ACC, FRT WPR, and RAIN Fuses
Figure
2:
Automatic Transmission Inputs and Indicator
Master Electrical Component List
Electronic Component Description
Vehicle Speed Sensor
Internal Controls
OBD II Symbol Description Notice
DLC and SP205
G107 and G108
Figure
3:
Vehicle Speed Sensor
Master Electrical Component List
Electronic Component Description
Automatic Transmission Inputs and Indicator
OBD II Symbol Description Notice
Automatic Transmission Schematic Icons
Automatic Transmission Schematic Icons
Automatic Transmission Schematic Icons