GM Service Manual Online
For 1990-2009 cars only
Makes
🢒
Chevrolet
🢒
2002
🢒
TrailBlazer - 4WD
🢒
Body and Accessories
🢒
Wipers/Washer Systems
🢒 Wiper/Washer Schematics
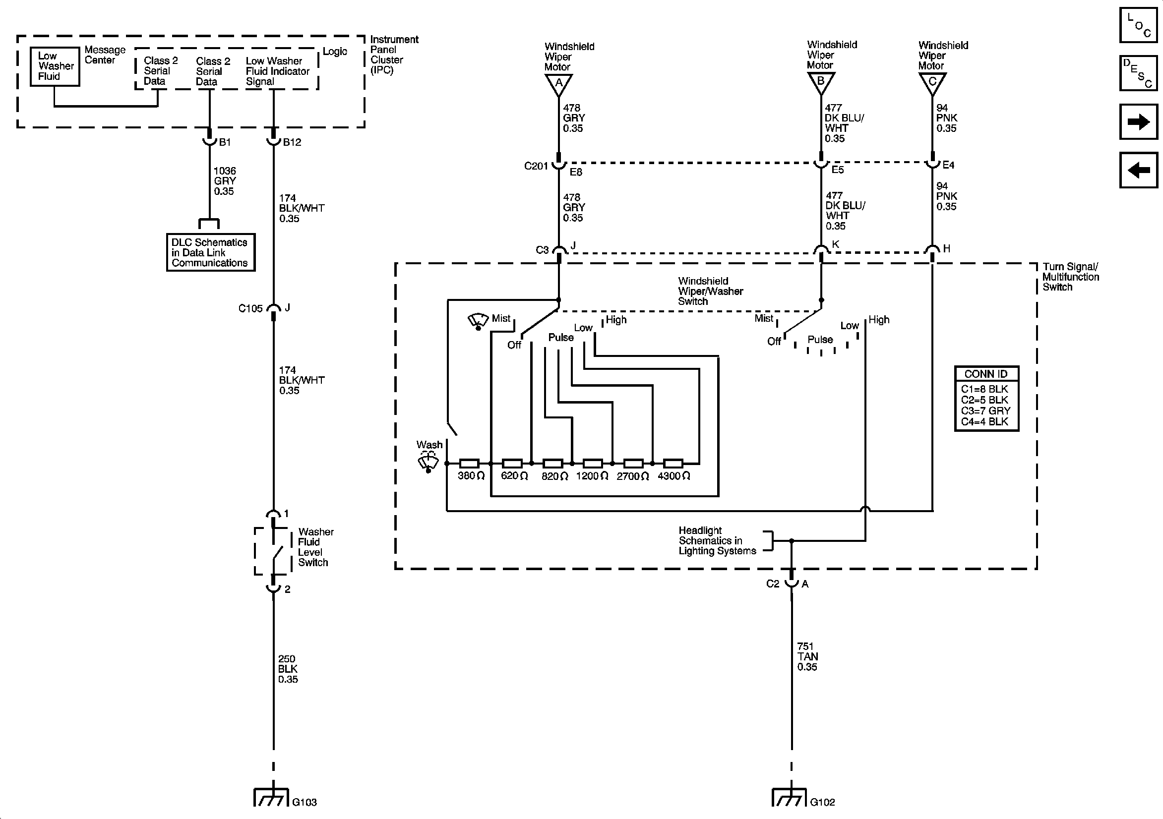
Figure
1:
Wiper Motor, Washer Control, and Outside Moisture Sensor
Master Electrical Component List
Wiper/Washer System Description and Operation
Wiper/Washer Switch, and Washer Fluid Level Switch
ACCY/RUN and RUN/START Bus Bars
B+ Bus - Underhood Fuse Block
G302 - 1 of 2, G303 and G304
G102, G104, G105, and G109
Wiper/Washer Switch, and Washer Fluid Level Switch
G101, G103, G106, and G110
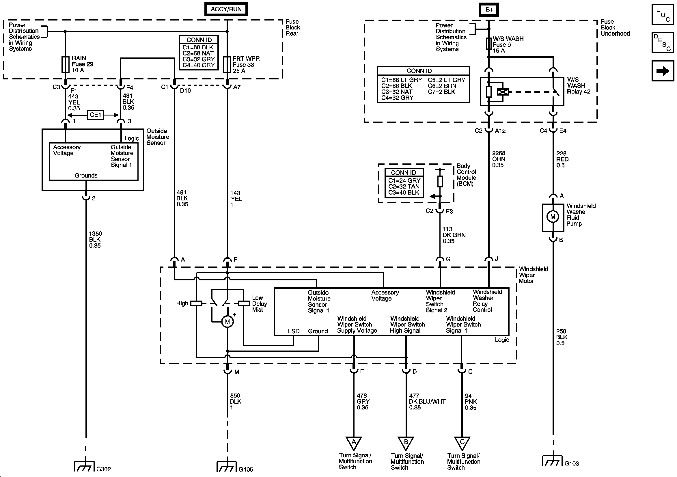
Figure
2:
Wiper/Washer Switch and Washer Fluid Level Switch
Master Electrical Component List
Wiper/Washer System Description and Operation
Headlamp Washer
Wiper Motor, Washer Control, and Outside Moisture Sensor
DLC and SP205
Wiper Motor, Washer Control, and Outside Moisture Sensor
Wiper Motor, Washer Control, and Outside Moisture Sensor
Wiper Motor, Washer Control, and Outside Moisture Sensor
G101, G103, G106, and G110
G102, G104, G105, and G109
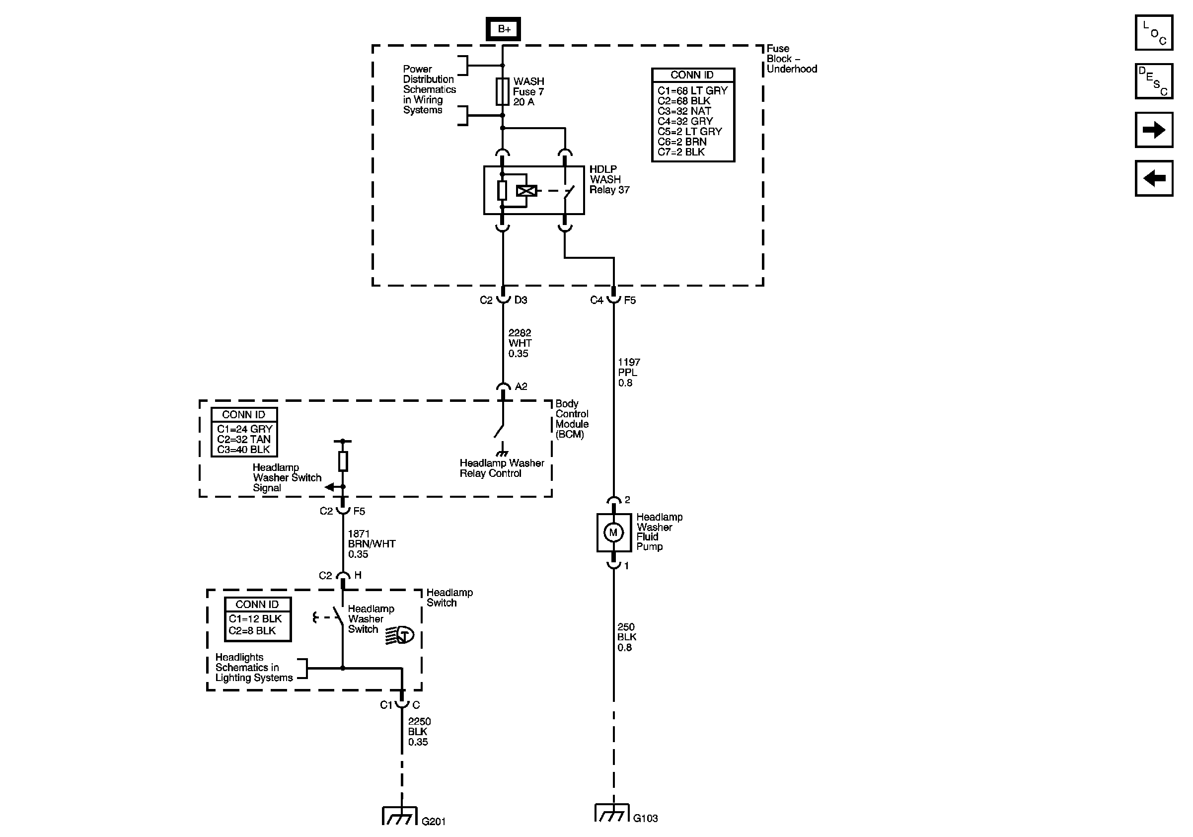
Figure
3:
Headlamp Washer
Master Electrical Component List
Headlamp Washer System Description and Operation
Rear Wiper/Washer
Wiper/Washer Switch, and Washer Fluid Level Switch
B+ Bus - Underhood Fuse Block
Headlamp Switch
G201 - 1 of 2
G101, G103, G106, and G110
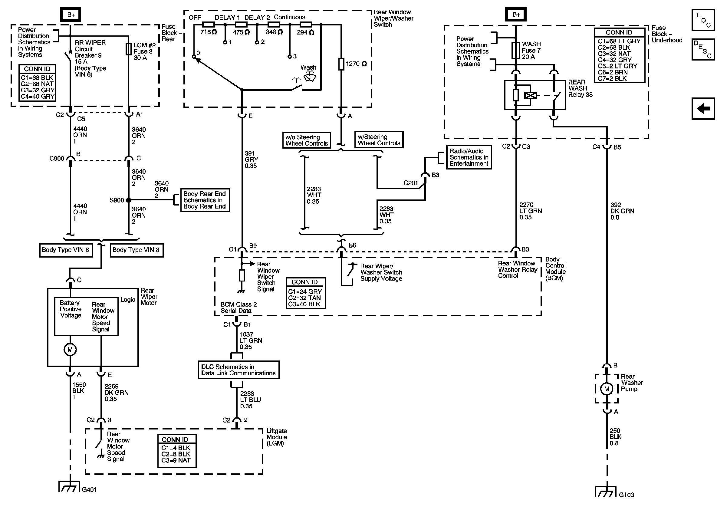
Figure
4:
Rear Wiper/Washer
Master Electrical Component List
Rear Wiper/Washer System Description and Operation
Headlamp Washer
B+ Bus - Rear Fuse Block
B+ Bus - Underhood Fuse Block
Liftgate
Steering Wheel Controls
DLC and SP205
Cigar Lighter/Auxiliary Outlets Schematics
G101, G103, G106, and G110