GM Service Manual Online
For 1990-2009 cars only
Makes
🢒
Chevrolet
🢒
2002
🢒
TrailBlazer - 4WD
🢒
Body and Accessories
🢒
Wiring Systems
🢒 Interior Lights Schematics
Figure
1:
Courtesy Lamp Control, I/P Compartment, and Underhood Lamp
Master Electrical Component List
Interior Lighting Systems Description and Operation
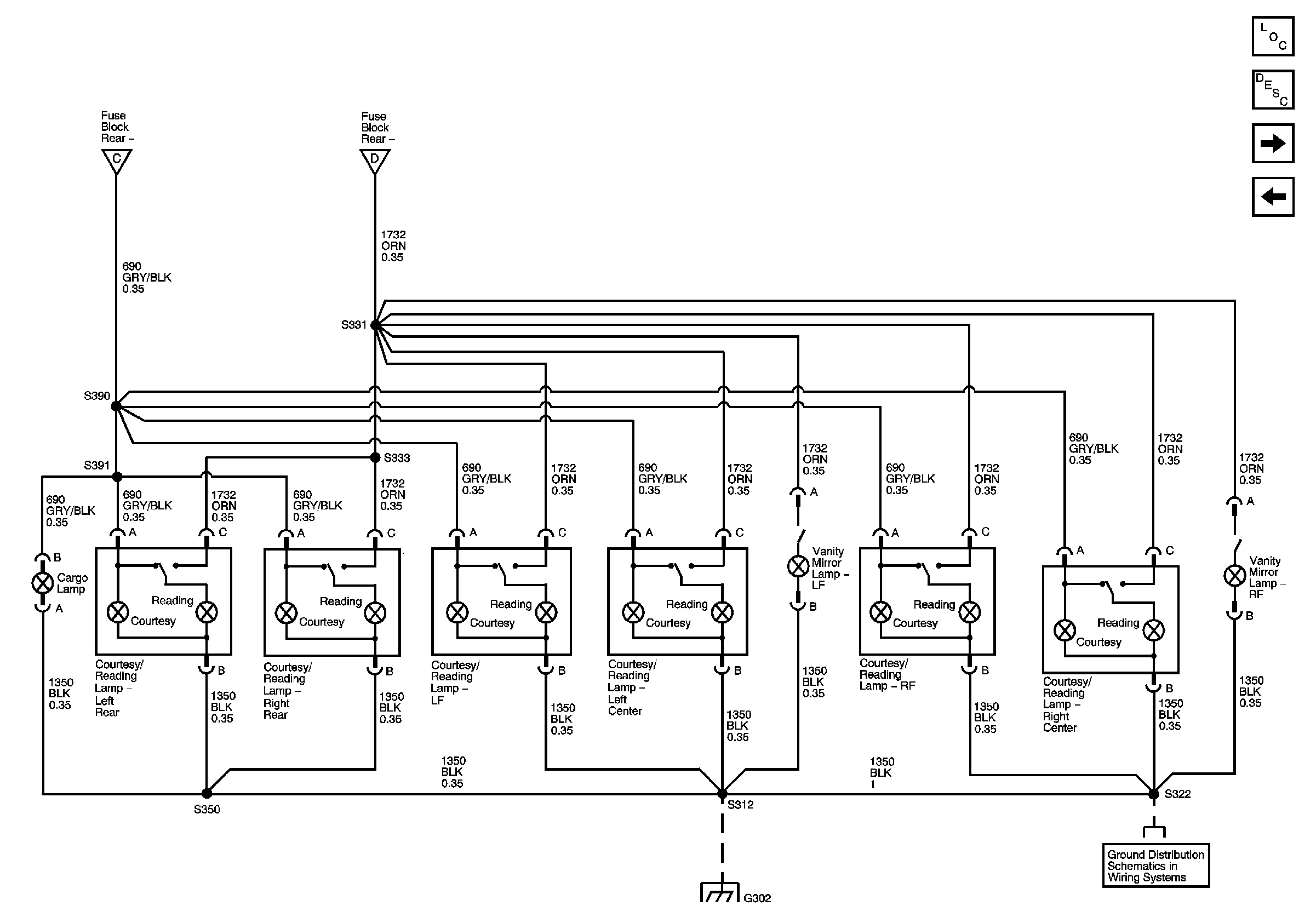
Courtesy/Reading, Cargo, and Vanity Mirror Lamps - Body Type VIN 3
B+ Bus - Rear Fuse Block
Courtesy/Reading, Cargo, and Vanity Mirror Lamps - Body Type VIN 3
Courtesy/Reading, Cargo, and Vanity Mirror Lamps - Body Type VIN 6
G201 - 2 of 2, G305 and G306
G201 - 1 of 2
G102, G104, G105, and G109
Figure
2:
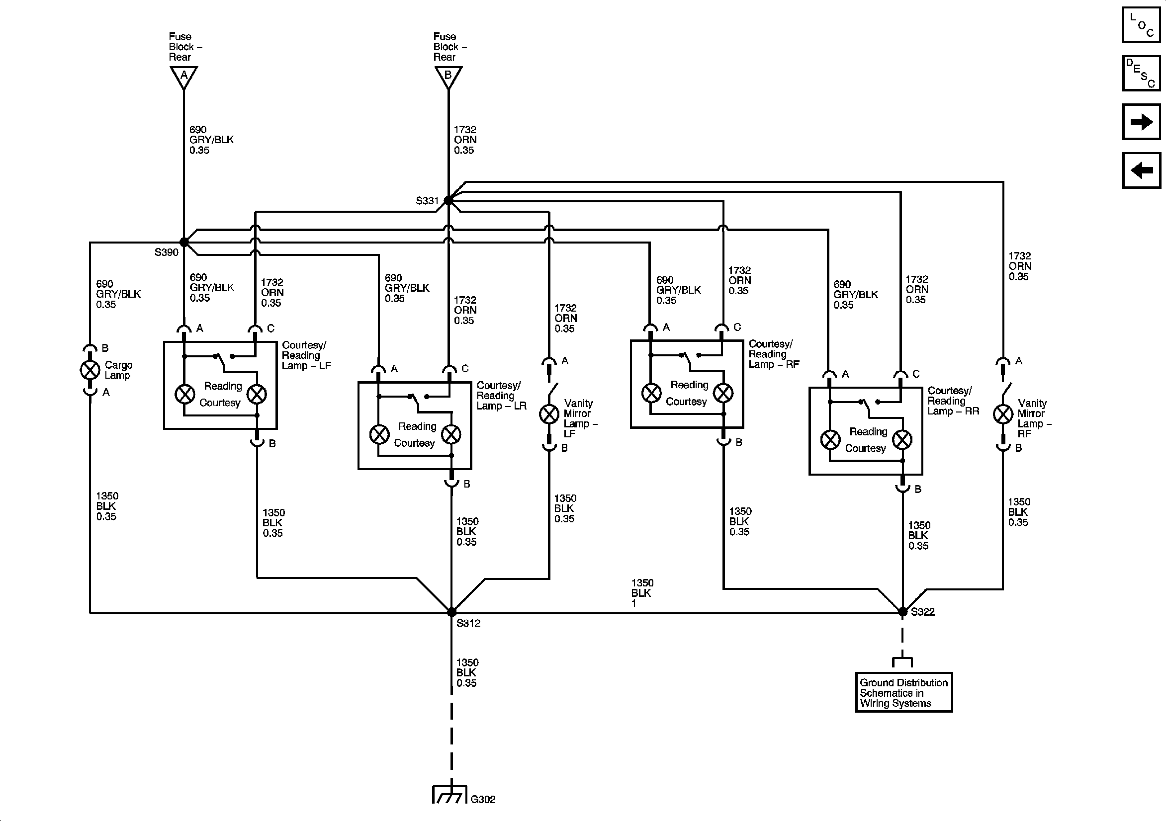
Courtesy/Reading, Cargo, and Vanity Mirror Lamps - Body Type VIN 3
Master Electrical Component List
Interior Lighting Systems Description and Operation
Courtesy/Reading, Cargo, and Vanity Mirror Lamps - Body Type VIN 6
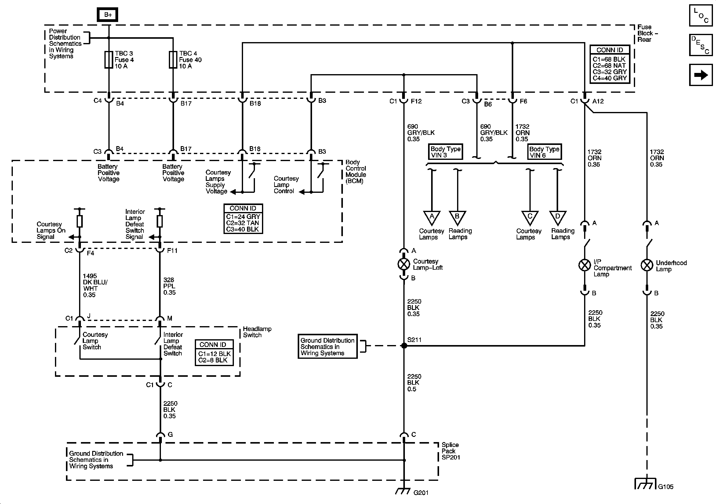
Courtesy Lamp Control, I/P Compartment, and Underhood Lamp
Courtesy Lamp Control, I/P Compartment, and Underhood Lamp
Courtesy Lamp Control, I/P Compartment, and Underhood Lamp
G302 - 2 of 2
G302 - 2 of 2
Figure
3:
Courtesy/Reading, Cargo, and Vanity Mirror Lamps - Body Type VIN 6
Master Electrical Component List
Interior Lighting Systems Description and Operation
Liftgate and Door Switches
Courtesy/Reading, Cargo, and Vanity Mirror Lamps - Body Type VIN 3
Courtesy Lamp Control, I/P Compartment, and Underhood Lamp
Courtesy Lamp Control, I/P Compartment, and Underhood Lamp
G302 - 2 of 2
G302 - 2 of 2
Figure
4:
Liftgate and Door Switches
Master Electrical Component List
Interior Lighting Systems Description and Operation
Courtesy/Reading, Cargo, and Vanity Mirror Lamps - Body Type VIN 6
DLC and SP205
SP206
G302 - 1 of 2, G303 and G304
G302 - 1 of 2, G303 and G304