GM Service Manual Online
For 1990-2009 cars only
Makes
🢒
Chevrolet
🢒
2002
🢒
TrailBlazer - 4WD
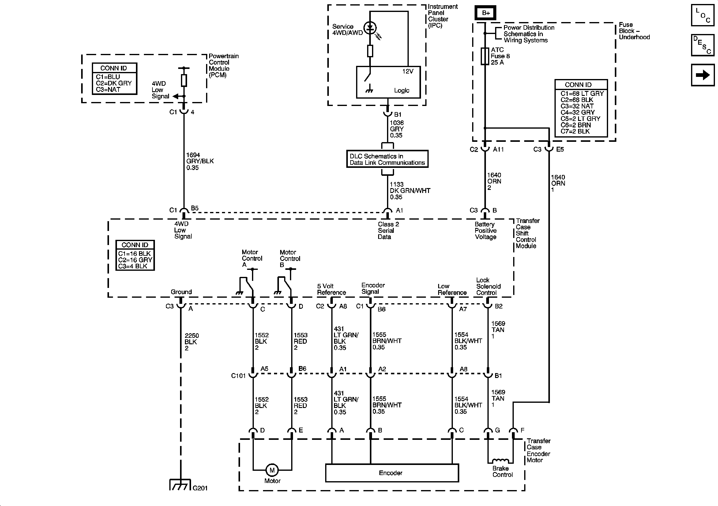
🢒 Power, Ground, Serial Data, and Encoder Motor
Power, Ground, Serial Data, and Encoder Motor
Power, Ground, Serial Data, and Encoder Motor
Master Electrical Component List
Transfer Case Description and Operation
Indicators, Speed Sensors, and Front Axle Actuator
B+ Bus - Underhood Fuse Block
DLC and SP205
G201 - 1 of 2