GM Service Manual Online
For 1990-2009 cars only
Figure 1:

Full Engine View Left Side


Object Number: 774476  Size: LF
(1)Idle Air Control (IAC) Motor
(2)Evaporative Emissions (EVAP) Canister Purge Solenoid
(3)Fuel Injector 1
(4)Fuel Injector 3
(5)Fuel Injector 5
(6)Manifold Absolute Pressure (MAP) Sensor
(7)Fuel Injector 7
(8)Positive Crankcase Ventilation (PCV) Valve
(9)Ignition Coil 7
(10)Ignition Coil 5
(11)Ignition Coil 3
(12)Ignition Coil 1
(13)Engine Coolant Temperature (ECT) Sensor
(14)Throttle Position (TP) Sensor
(15)Throttle Body
Figure 2:

Engine View, Right Bank


Object Number: 774471  Size: LF
(1)Fuel Injector 2 Connector
(2)Throttle Actuator Control (TAC) Motor Connector
(3)Throttle Actuator Control (TAC) Motor
(4)Exhaust Gas Recirculation (EGR) Valve Connector
(5)Exhaust Gas Recirculation (EGR) Valve
(6)Fuel Injector 6
(7)Ignition Coil 2
(8)Ignition Coil 4
(9)Fuel Injector 6
(10)Ignition Coil 6
(11)Fuel Injector 8
(12)Ignition Coil 8
Figure 3:

Knock Sensors With Intake Manifold Removed


Object Number: 198593  Size: MF
(1)Knock Sensor (KS) 1
(2)Knock Sensor (KS) 2
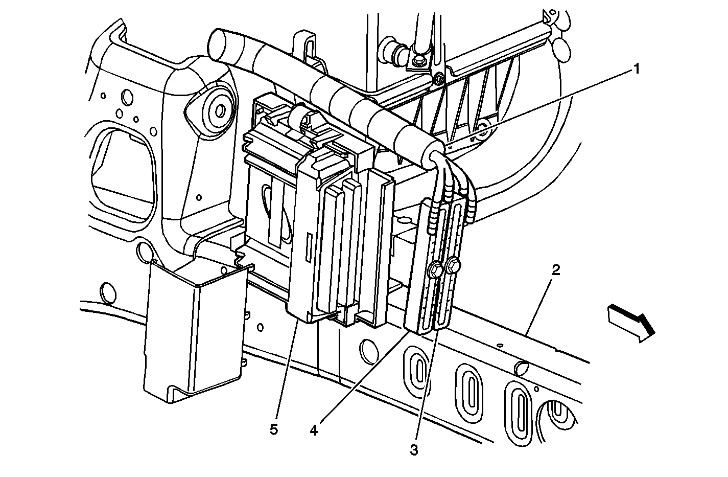
Figure 4:

Left Frame Rail (V8 Engine, 5.3L)


Object Number: 853166  Size: MF
(1)Engine Harness
(2)Frame
(3)PCM Connector C2
(4)PCM Connector C1
(5)Powertrain Control Module (PCM)
Figure 5:

Engine, Left Front (V8 Engine, 5.3L)


Object Number: 853167  Size: MF
(1)Engine Coolant Temperature (ECT) Sensor
(2)Engine Harness
(3)G108
(4)ECT Sensor Connector
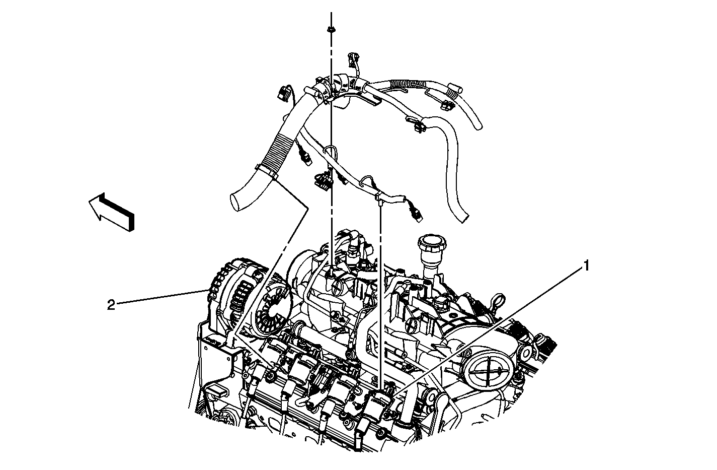
Figure 6:

Engine, Top Left (V8 Engine, 5.3L)


Object Number: 853152  Size: MF
(1)Ignition Coil
(2)Generator
Figure 7:

Engine, Lower Left Front (V8 Engine, 5.3L)


Object Number: 853156  Size: MF
(1)G108
(2)Engine Harness
(3)Engine
Figure 8:

Engine, Left Side (V8 Engine, 5.3L)


Object Number: 853162  Size: MF
(1)G109
(2)Engine Harness
(3)G107
Figure 9:

Cowl (V8 Engine, 5.3L)


Object Number: 866713  Size: MF
(1)Throttle Actuator Control (TAC) Module
(2)Plenum Front Panel
(3)Throttle Actuator Control (TAC) Module, C1
(4)Engine Harness
Figure 10:

Engine, Top (V8 Engine, 5.3L)


Object Number: 853169  Size: MF
(1)Throttle Actuator Control (TAC), Throttle Body
(2)C108
(3)Fuel Injector
Figure 11:

Engine, Top Center (V8 Engine, 5.3L)


Object Number: 853168  Size: MF
(1)Evaporative Emission (EVAP) Canister Purge Solenoid
(2)Knock Sensor (KS) Connector
(3)Manifold Absolute Pressure (MAP) Sensor
(4)Knock Sensor
(5)Fuel Injector
(6)Ignition Coil
(7)C109
Figure 12:

Engine, Top Rear (V8 Engine, 5.3L)


Object Number: 853171  Size: MF
(1)Heated Oxygen Sensor (HO2S) Bank 1 Sensor 1
(2)Oil Pressure Sensor
(3)Camshaft Position (CMP) Sensor
(4)Heated Oxygen Sensor (HO2S) Bank 2 Sensor 1
Figure 13:

Engine Air Duct (V8 Engine, 5.3L)


Object Number: 853179  Size: MF
(1)Engine
(2)Engine Harness
(3)Air Duct
(4)Mass Air Flow (MAF) Sensor
Figure 14:

Engine, Right Front (V8 Engine, 5.3L)


Object Number: 853154  Size: MF
(1)A/C Refrigerant Pressure Sensor
(2)Engine Harness
Figure 15:

Engine, Lower Right Front (V8 Engine, 5.3L)


Object Number: 853160  Size: MF
(1)A/C Compressor
(2)A/C Compressor Clutch Connector
(3)Engine Harness
Figure 16:

Engine, Right Rear (V8 Engine, 5.3L)


Object Number: 853157  Size: MF
(1)Crankshaft Position (CKP) Sensor
(2)CKP Sensor Connector
(3)Starter
Figure 17:

Oxygen Sensors


Object Number: 855623  Size: MF
(1)Heated Oxygen Sensor (HO2S) Bank 1 Sensor 1
(2)Heated Oxygen Sensor (HO2S) Bank 2 Sensor 1
(3)Heated Oxygen Sensor (HO2S) Bank 2 Sensor 2
(4)Heated Oxygen Sensor (HO2S) Bank 1 Sensor 2