GM Service Manual Online
For 1990-2009 cars only
Makes
🢒
Chevrolet
🢒
2003
🢒
TrailBlazer - 4WD
🢒
Body and Accessories
🢒
Wiring Systems
🢒 HVAC Schematics
Figure
1:
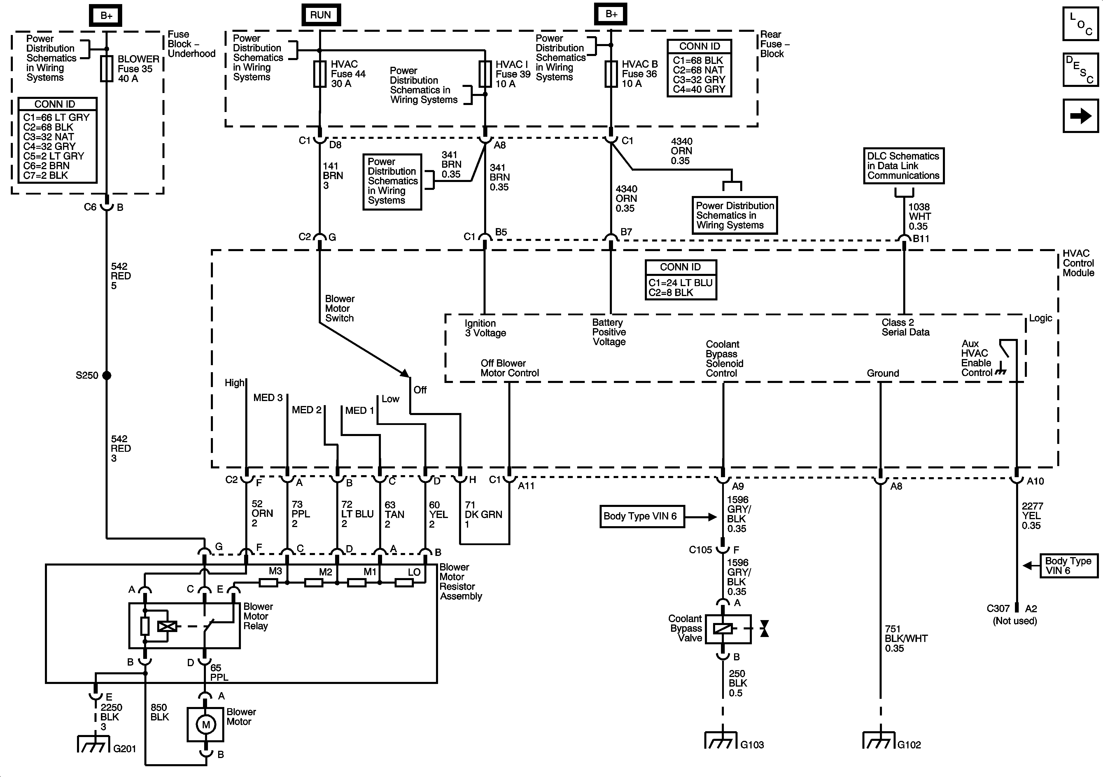
Module Power, Ground, Serial Data, Blower Motor, and Coolant Bypass Valve
Master Electrical Component List
Air Temperature Description and Operation
Compressor Controls
G201 - 1 of 2
G101, G103, G106 and G110
G102, G104, G105 and G107
TRAILER, ABS, ATC, BLOWER, ELEC BRK, CIGAR, ST/LP, VEH CHMSL, and VEH STOP fuses
O2, ETC, ENG I, SIR, HVAC, 4WD Fuses
HVAC I, BRAKE, and TBC RUN Fuses
HVAC I, BRAKE, and TBC RUN Fuses
LGM/DSM, OH BATT/ONSTAR, RADIO, HVAC B
LGM/DSM, OH BATT/ONSTAR, RADIO, HVAC B
Figure
2:
Compressor Controls
Master Electrical Component List
Air Temperature Description and Operation
Air Delivery/Temperature Actuators
Module Power, Ground, Serial Data, Blower Motor, and Coolant Bypass Valve
G102, G104, G105 and G107
G101, G103, G106 and G110
IGN E TBC IGN 1, BACK UP, BTSI, and TRLR B/U Fuses
IGN E TBC IGN 1, BACK UP, BTSI, and TRLR B/U Fuses
B+ Bus - Underhood Fuse Block
Figure
3:
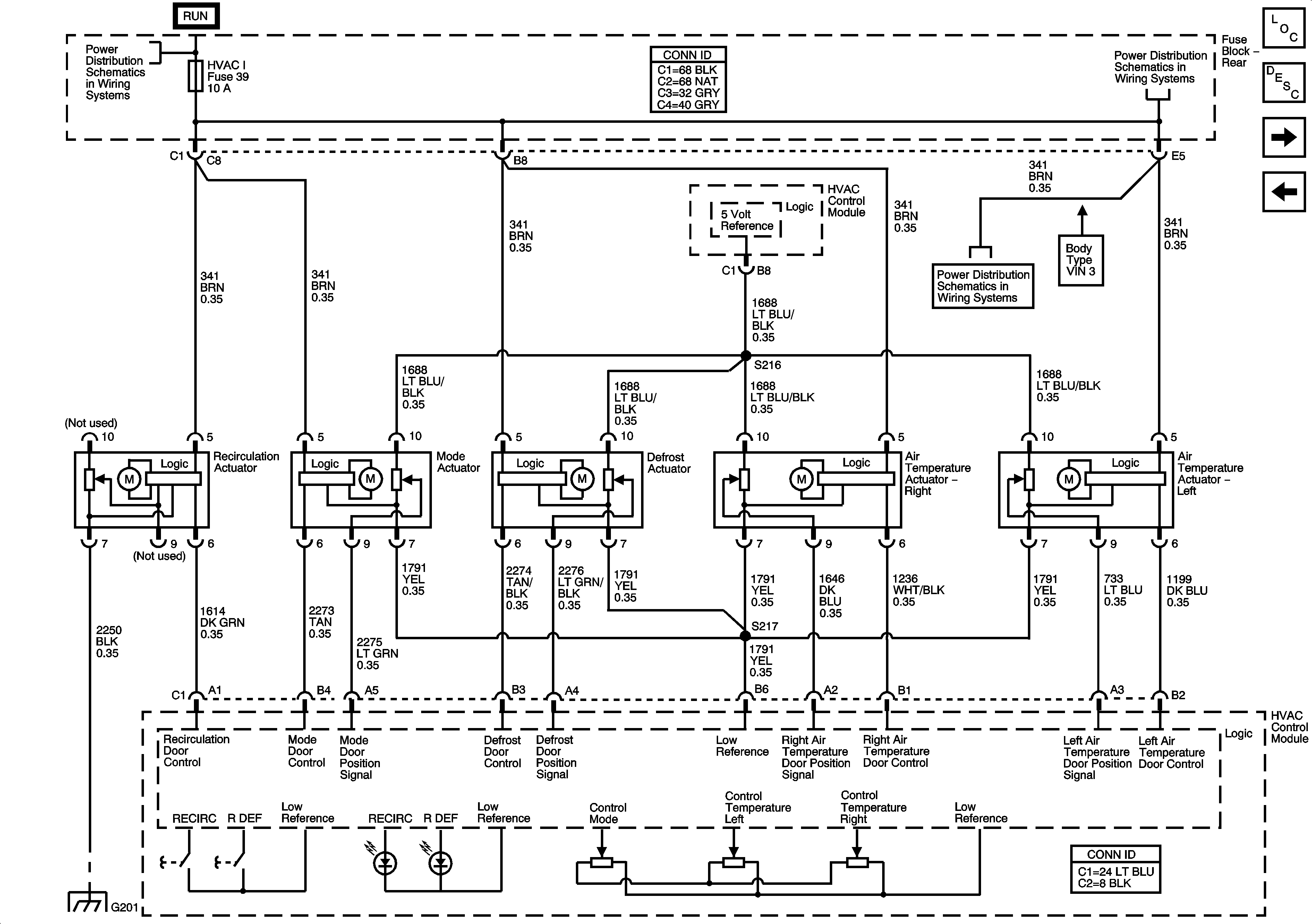
Air Delivery/Temperature Actuators
Master Electrical Component List
Air Temperature Description and Operation
Rear Mode Controls
Compressor Controls
G201 - 1 of 2
HVAC I, BRAKE, and TBC RUN Fuses
HVAC I, BRAKE, and TBC RUN Fuses
Steering Wheel Controls
Figure
4:
Rear Mode Controls -- Body Type VIN 3
Master Electrical Component List
Air Temperature Description and Operation
Rear HVAC w/o RSA (Long Wheel Base, VIN6)
Air Delivery/Temperature Actuators
G201 - 1 of 2
HVAC I, BRAKE, and TBC RUN Fuses
Figure
5:
Rear HVAC -- Body Type VIN 6
Master Electrical Component List
Air Temperature Description and Operation
Rear Mode Controls
G401, G402 and G403
G201 - 1 of 2
SUNROOF, AUX PWR2, RR HVAC, AUX PWR1, TBC2, TBC3, TBC4 Fuses
LGM/DSM, OH BATT/ONSTAR, RADIO, HVAC B