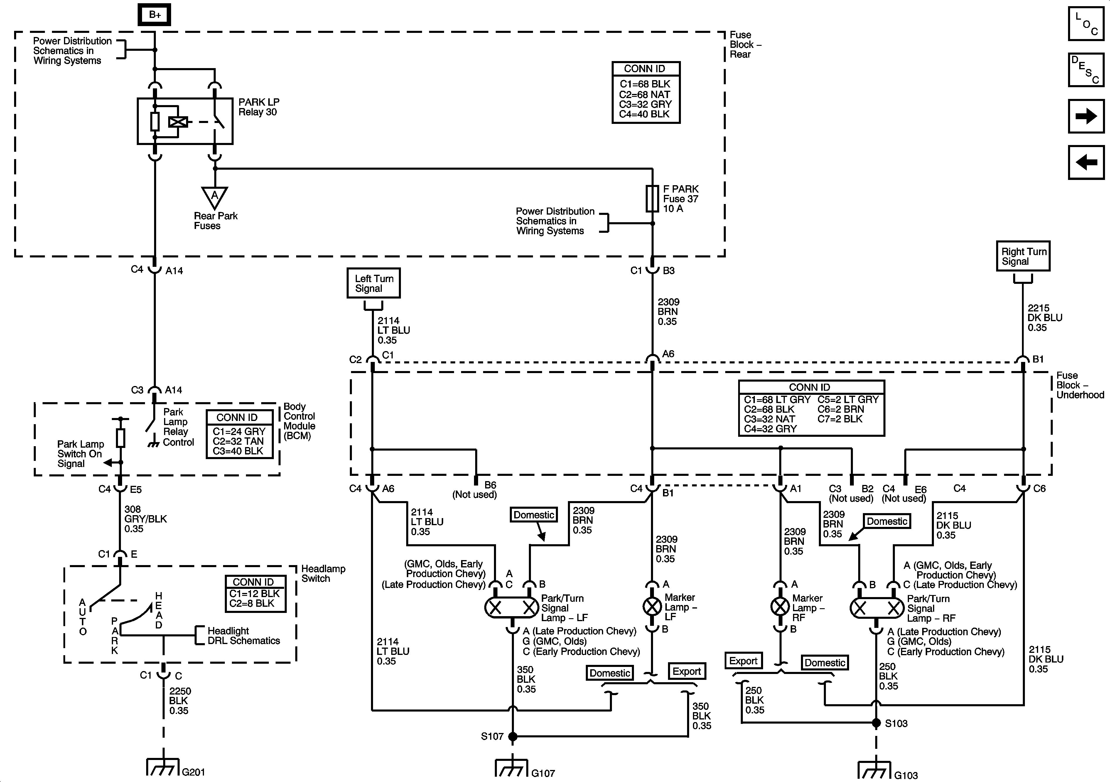
| Figure 1: |
Park Lamp Control, Turn Signal Inputs and Hazard
Switch
|
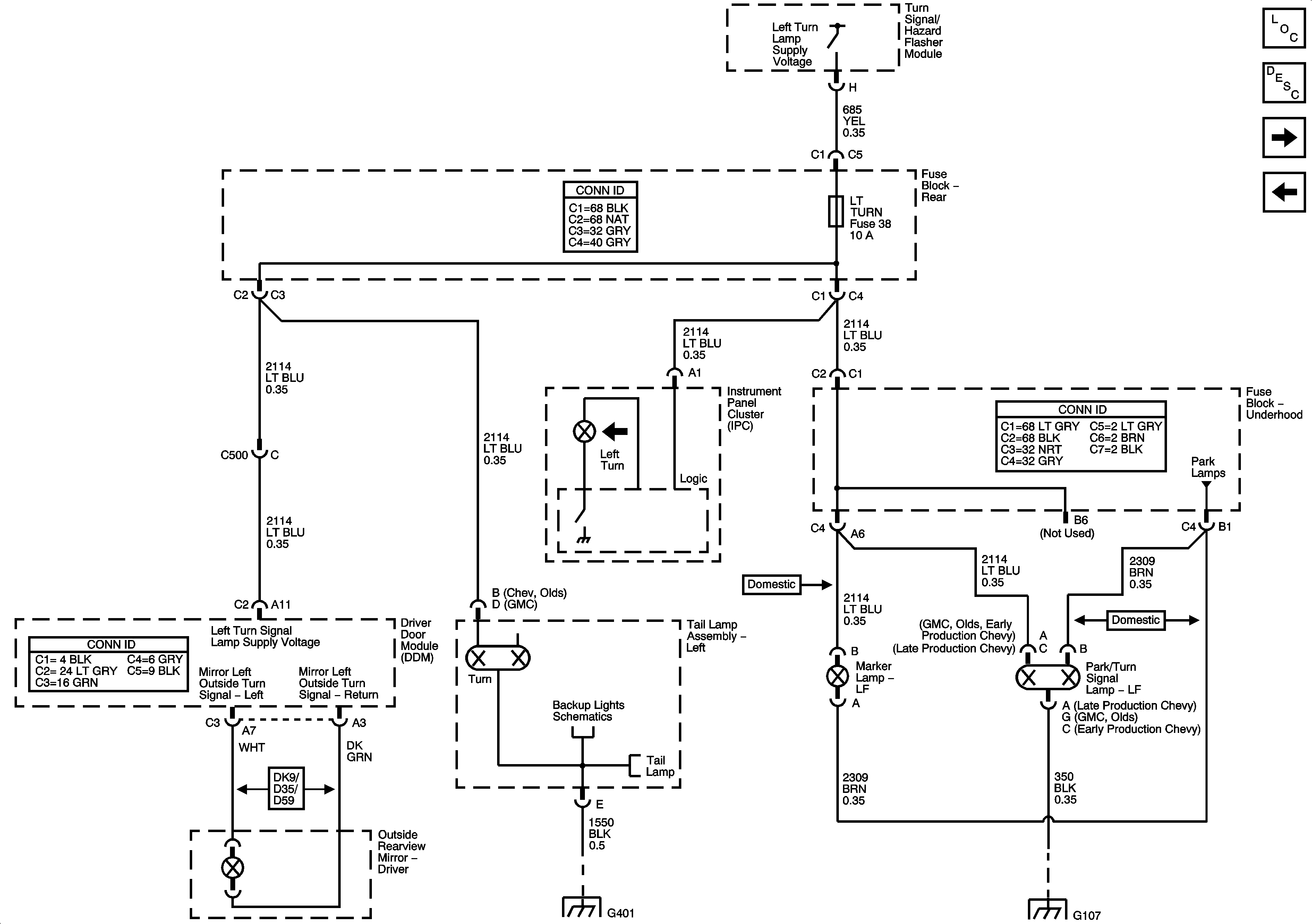
| Figure 2: |
Left Turn Signals
|
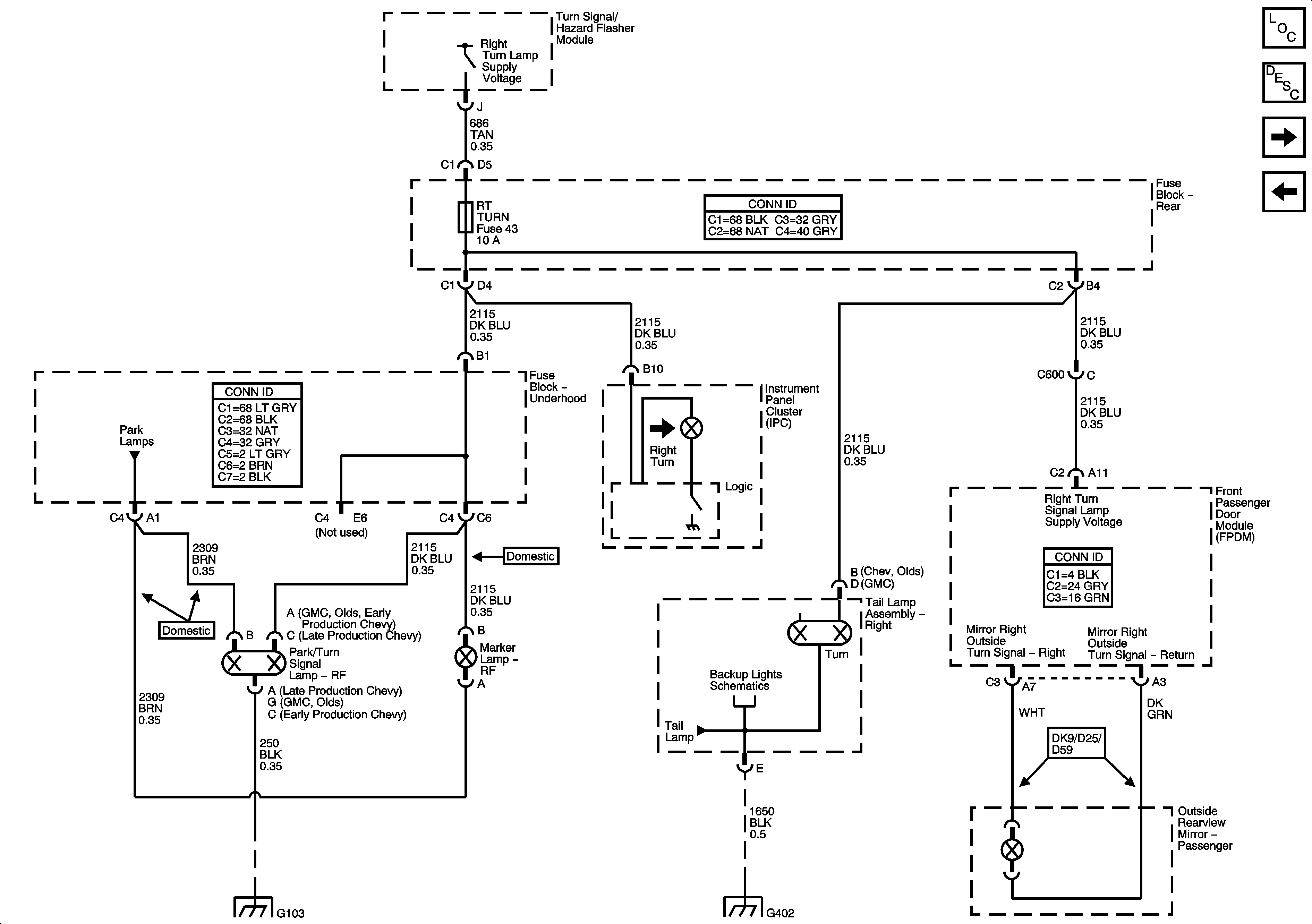
| Figure 3: |
Right Turn Signals
|
| Figure 4: |
Front Lamps
|
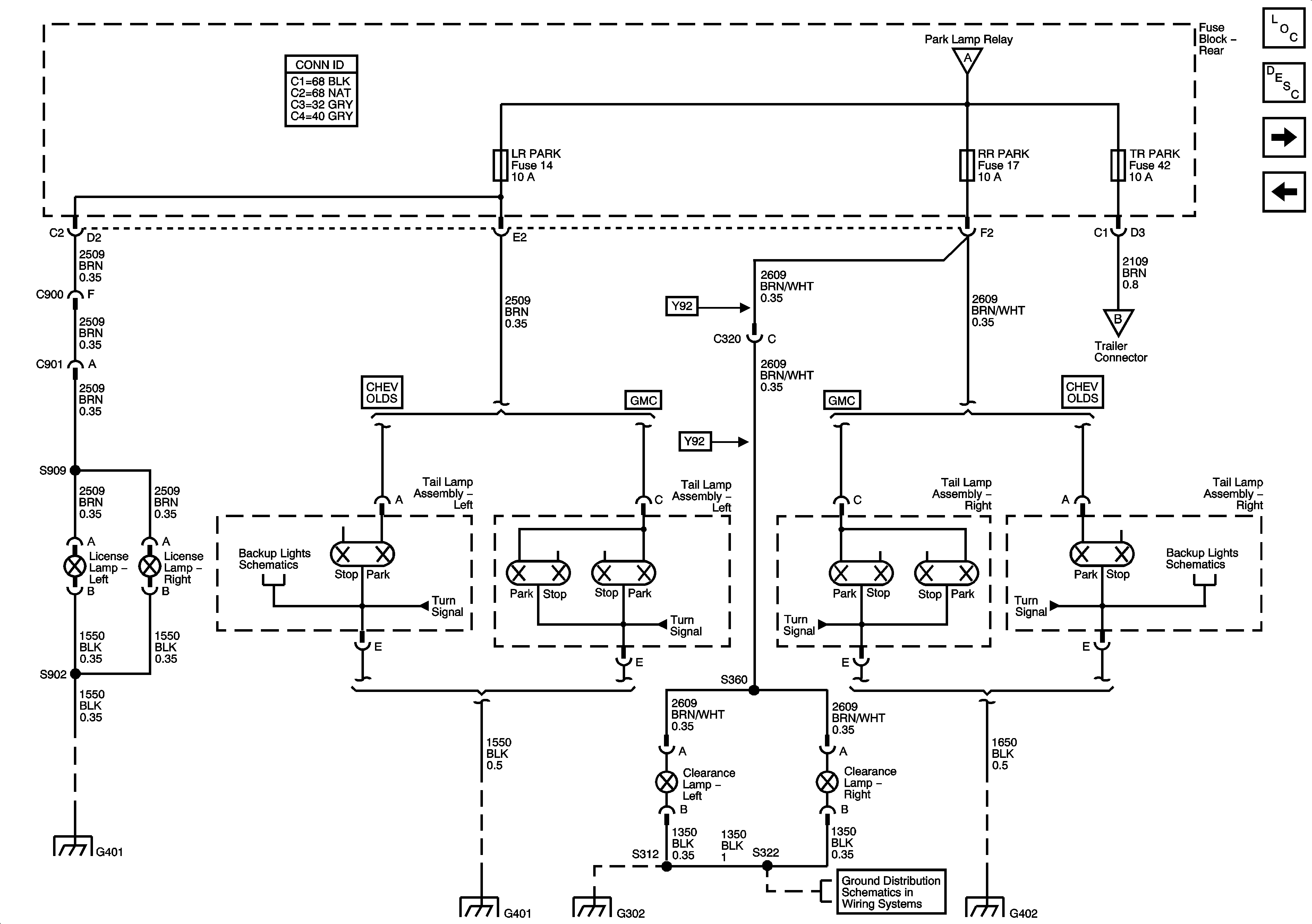
| Figure 5: |
License, Clearance Lamps and Tail
Lamps
|
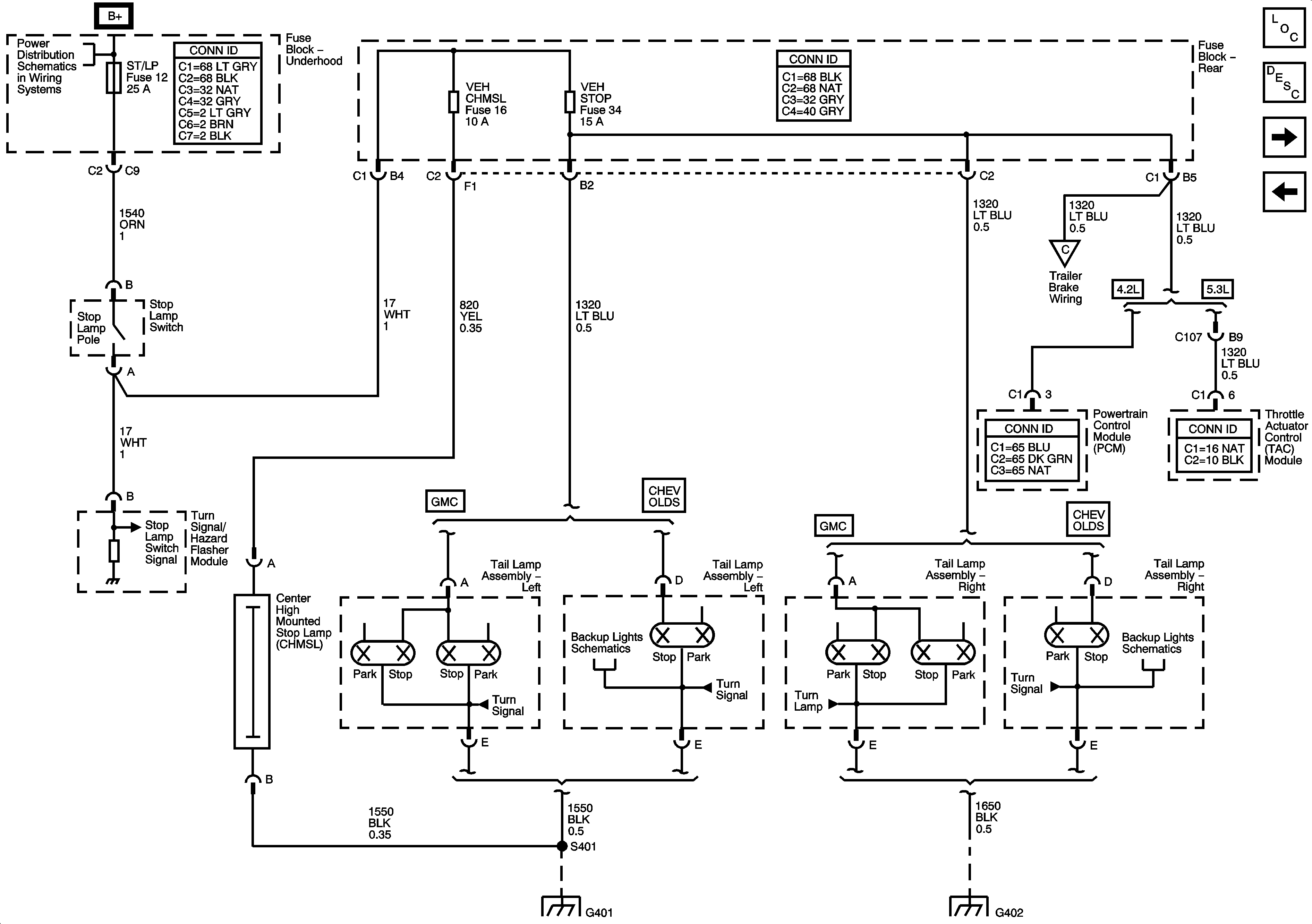
| Figure 6: |
Stop Lamps
|
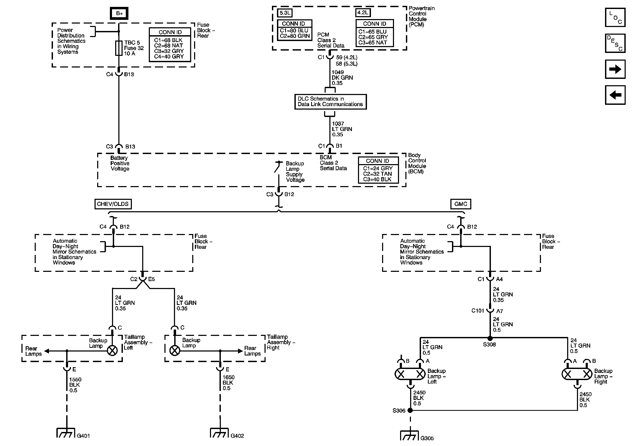
| Figure 7: |
Backup Lamps
|
| Figure 8: |
Trailer Wiring
|