GM Service Manual Online
For 1990-2009 cars only
Makes
🢒
Chevrolet
🢒
2003
🢒
TrailBlazer - 4WD
🢒
Body and Accessories
🢒
Wiring Systems
🢒 Wiper/Washer Schematics
Figure
1:
Outside Moisture Sensor and Front Wiper/Washer Motor
Master Electrical Component List
Wiper/Washer System Description and Operation
Wiper/Washer Switch and Washer Fluid Level Switch
G101, G103, G106 and G110
Wiper/Washer Switch and Washer Fluid Level Switch
G102, G104, G105 and G107
G302 - 1 of 2, G303 and G304
IGN 0, TBC IF, TBC ACC, FRT WPR, and RAIN Fuses
B+ Bus - Underhood Fuse Block
Figure
2:
Wiper/Washer Switch and Washer Fluid Level Switch
Master Electrical Component List
Wiper/Washer System Description and Operation
Headlamp Washer
Outside Moisture Senor and Front Wiper/Washer Motor
G102, G104, G105 and G107
G101, G103, G106 and G110
SP306
Outside Moisture Senor and Front Wiper/Washer Motor
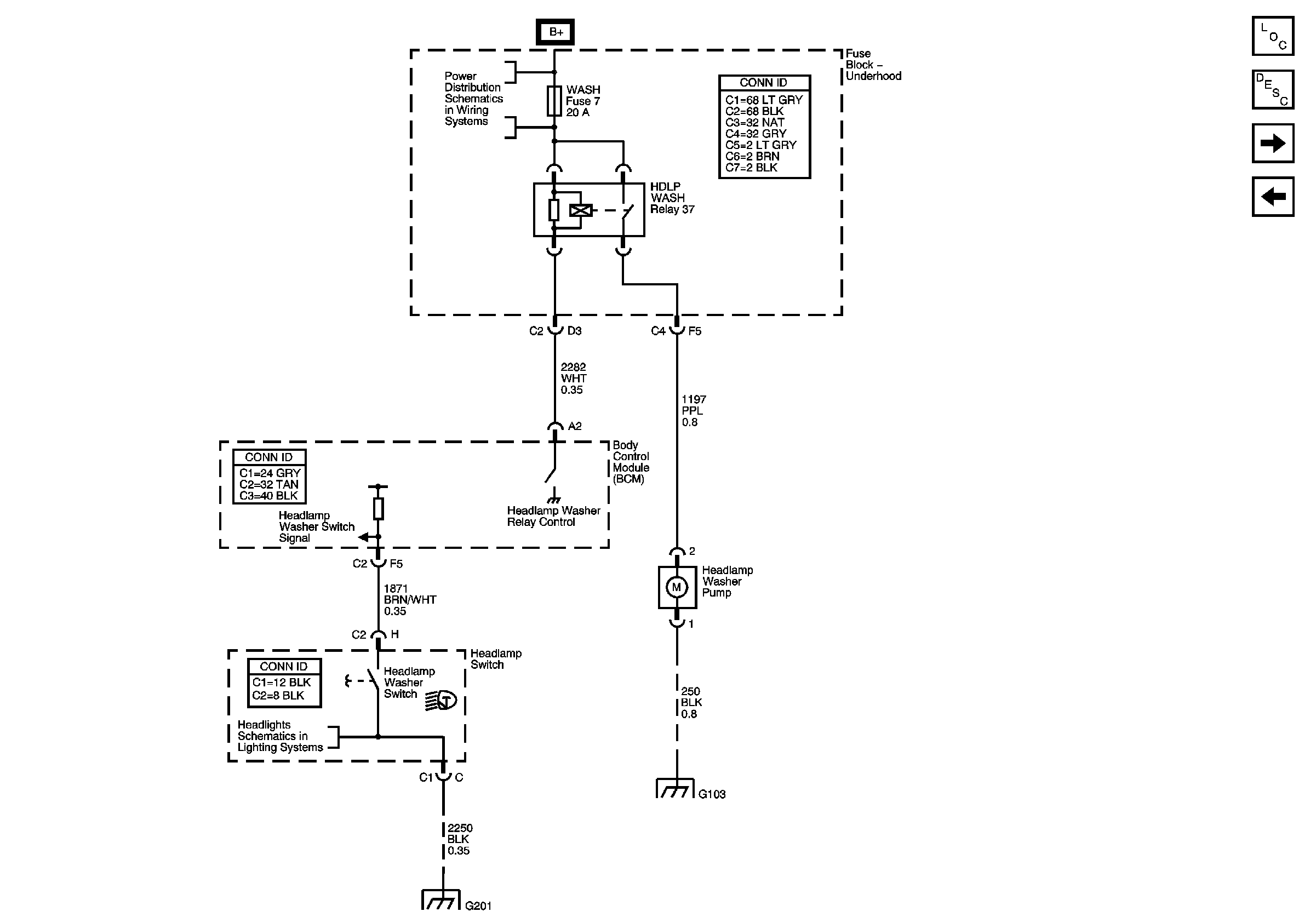
Figure
3:
Headlamp Washer
Master Electrical Component List
Headlamp Washer System Description and Operation
Rear Wiper/Washer
Wiper/Washer Switch and Washer Fluid Level Switch
G101, G103, G106 and G110
G201 - 1 of 2
Headlamp Switch
B+ Bus - Underhood Fuse Block
Figure
4:
Rear Wiper/Washer
Master Electrical Component List
Rear Wiper/Washer System Description and Operation
Headlamp Washer
G401, G402 and G403
Data Link Connector and SP205
B+ Bus - Rear Fuse Block
Steering Wheel Controls
B+ Bus - Underhood Fuse Block