GM Service Manual Online
For 1990-2009 cars only
Makes
🢒
Chevrolet
🢒
2003
🢒
TrailBlazer - 4WD
🢒
Body and Accessories
🢒
Lighting Systems
🢒 Interior Lights Schematics
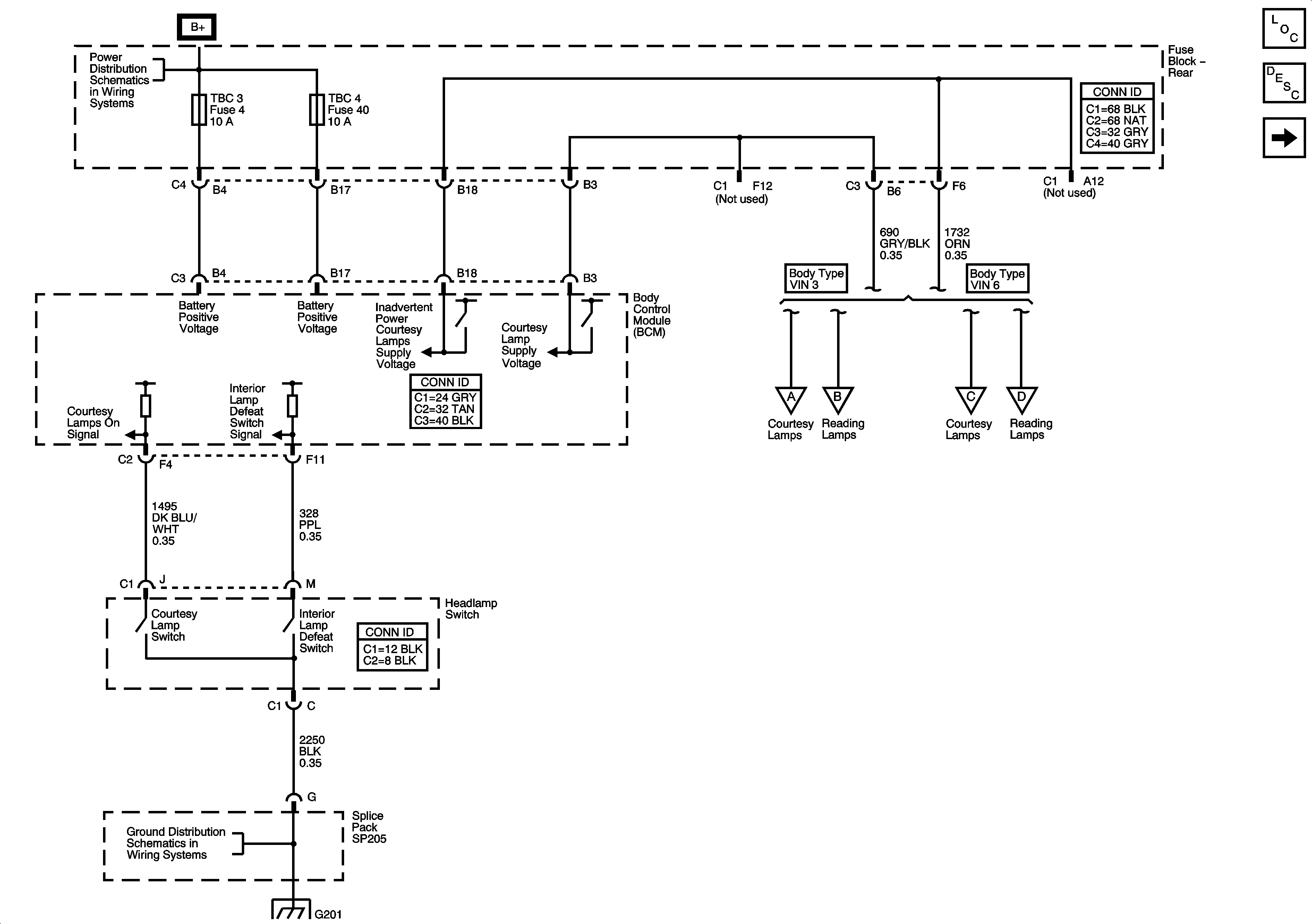
Figure
1:
Interior Lamps Controls
Master Electrical Component List
Interior Lighting Systems Description and Operation
Front Door Switches
G113 (V8 Engine)
Front Door Switches
Interior Lights (Long Wheelbase, Body Type VIN 6)
B+ Bus - Rear Fuse Block
Figure
2:
Courtesy /Reading Lamps, Cargo Lamp, Vanity Mirror Lamps (Short Wheelbase, Body Type VIN 3)
Master Electrical Component List
Interior Lighting Systems Description and Operation
Interior Lights (Long Wheelbase, Body Type VIN 6)
Interior Lamps (Short Wheelbase, Body Type VIN 3)
G302 2 of 2
G302 - 1 of 2, G303 and G304
Interior Lamps (Short Wheelbase, Body Type VIN 3)
Figure
3:
Interior Lamps (Long Wheelbase, Body Type VIN 6)
Master Electrical Component List
Interior Lighting Systems Description and Operation
Liftgate and Rear Door Switches
Front Door Switches
G302 2 of 2
G302 - 1 of 2, G303 and G304
Interior Lamps (Short Wheelbase, Body Type VIN 3)
Figure
4:
Liftgate and Door Switches
Master Electrical Component List
Interior Lighting Systems Description and Operation
Interior Lights (Long Wheelbase, Body Type VIN 6)
SP306
Data Link Connector and SP205
G302 - 1 of 2, G303 and G304