GM Service Manual Online
For 1990-2009 cars only
Makes
🢒
Chevrolet
🢒
2003
🢒
TrailBlazer - 4WD
🢒
Body and Accessories
🢒
Entertainment
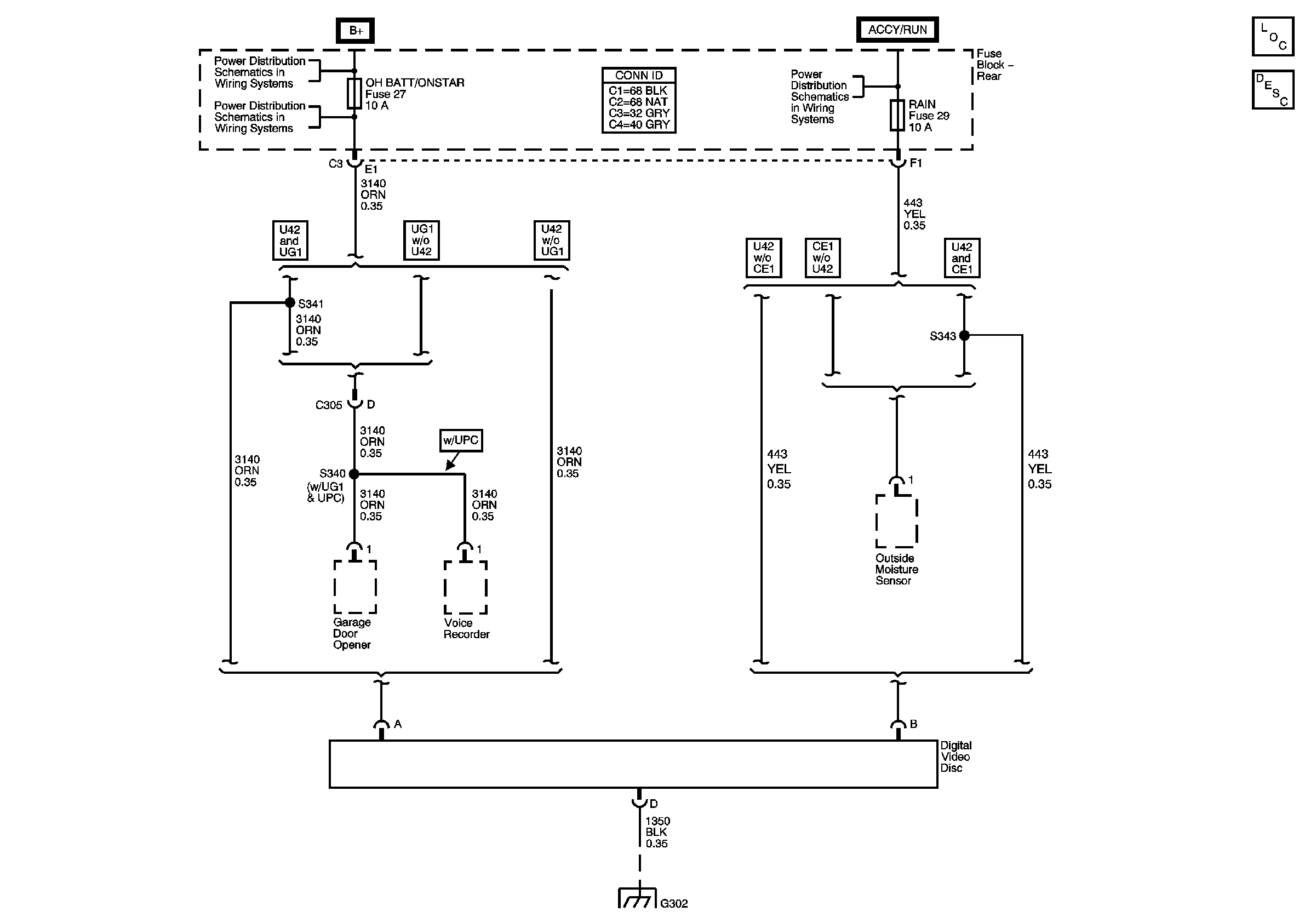
🢒 Video System Schematics
Master Electrical Component List
Video Entertainment System Description and Operation
G302 - 1 of 2, G303 and G304
LGM/DSM, OH BATT/ONSTAR, RADIO, HVAC B
IGN 0, TBC IF, TBC ACC, FRT WPR, and RAIN Fuses