GM Service Manual Online
For 1990-2009 cars only
Makes
🢒
Chevrolet
🢒
2003
🢒
TrailBlazer - 4WD
🢒
Body and Accessories
🢒
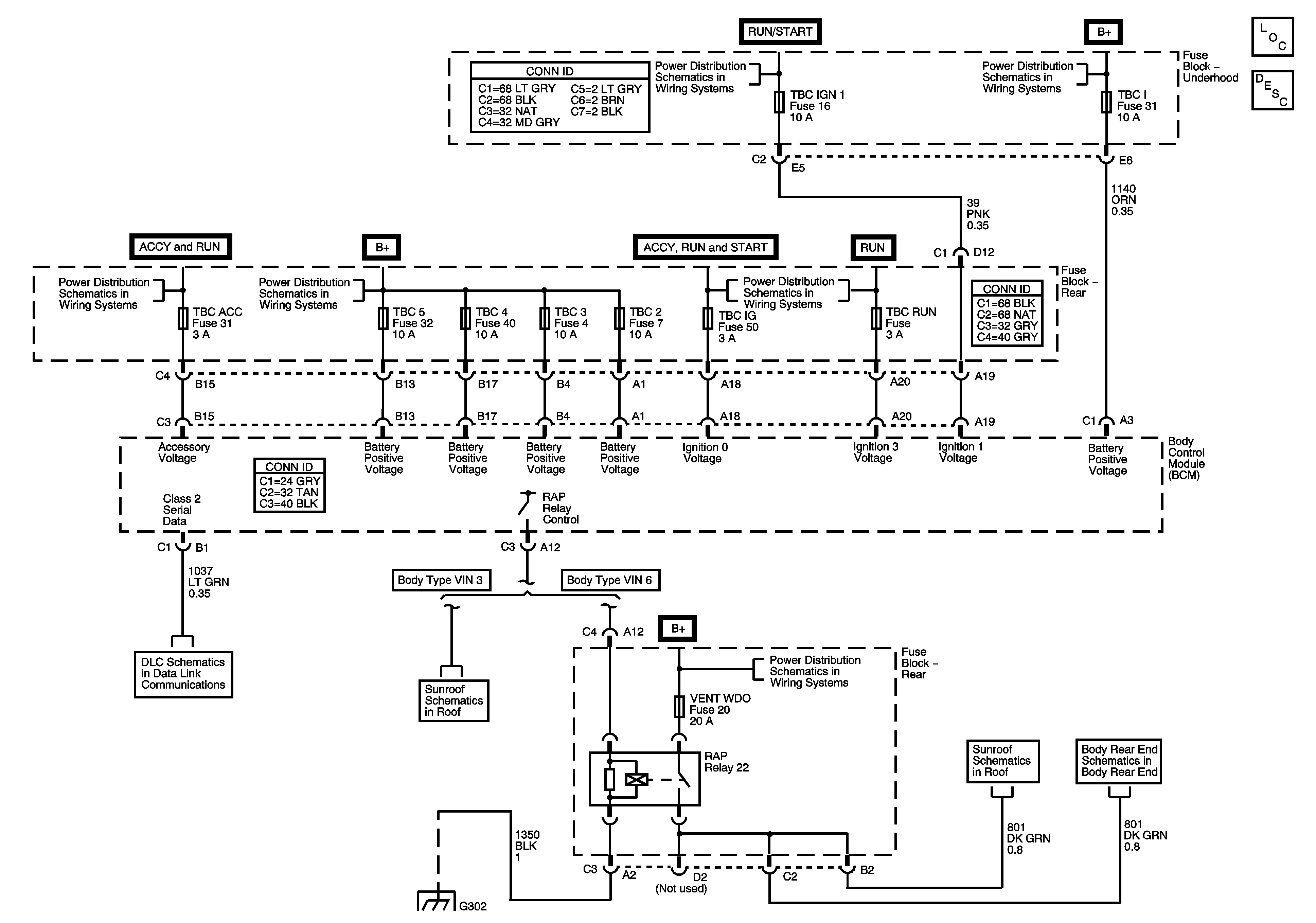
Retained Accessory Power
🢒 Retained Accessory Power (RAP) Schematics