GM Service Manual Online
For 1990-2009 cars only
Makes
🢒
Chevrolet
🢒
2003
🢒
TrailBlazer - 4WD
🢒
Body and Accessories
🢒
Seats
🢒 Power Seats Schematics
Figure
1:
Driver w/o Memory
Master Electrical Component List
Power Seats System Description and Operation
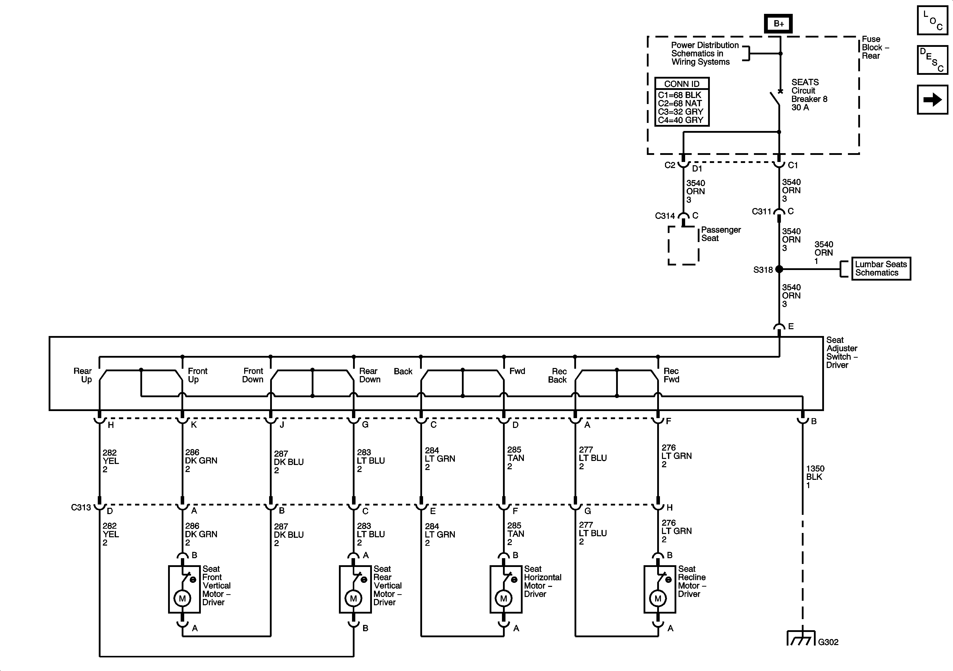
Driver w/Memory - Power, Ground, and Controls
B+ Bus - Rear Fuse Block
Driver Controls w/o Memory
G302 - 1 of 2, G303 and G304
Figure
2:
Driver w/Memory - Power, Ground, and Controls
Master Electrical Component List
Power Seats System Description and Operation
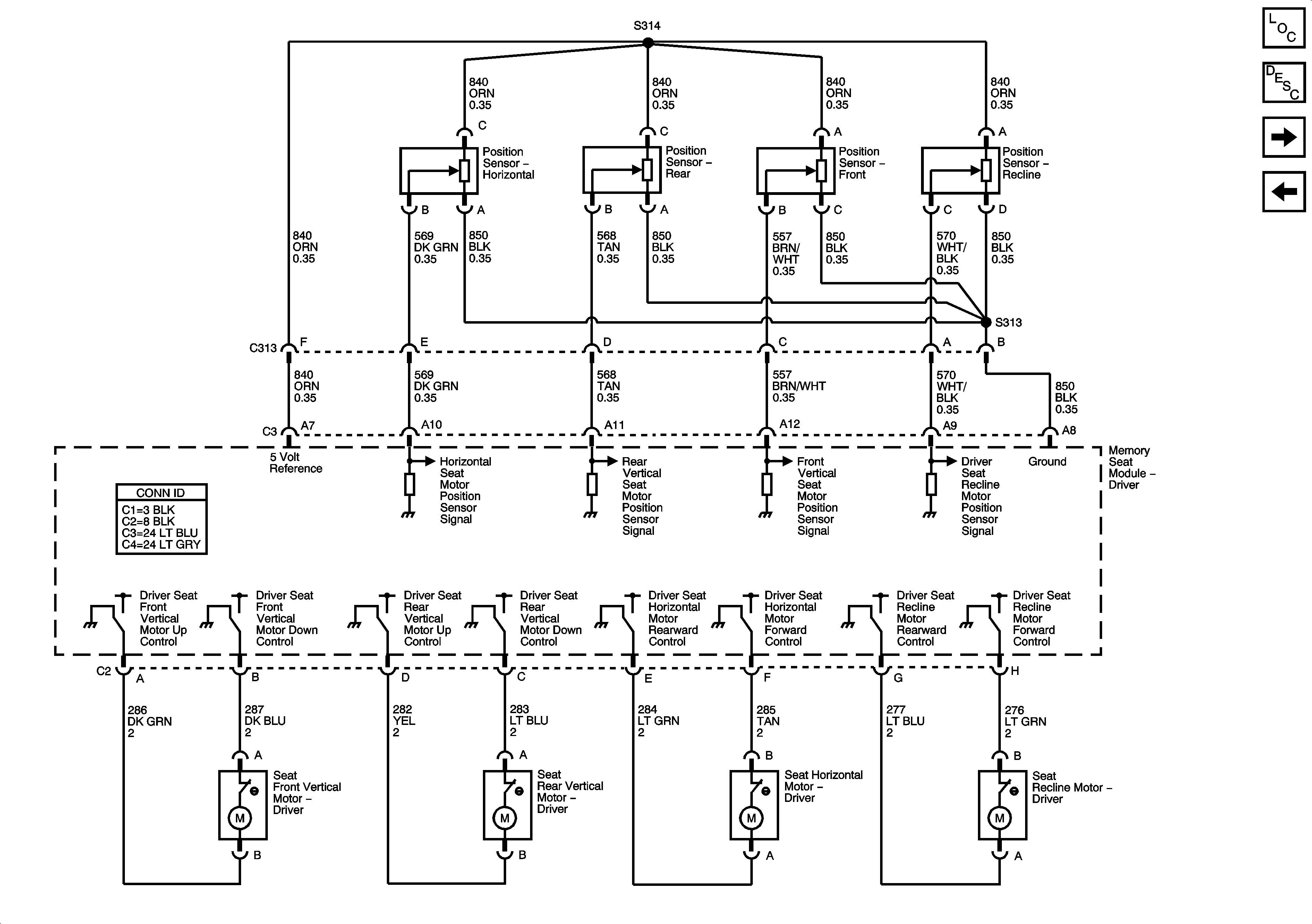
Driver w/Memory - Motors and Position Sensors
Driver w/o Memory
B+ Bus - Rear Fuse Block
RR FOG, LR PARK, TR PARK, RR PARK, F PARK, LGM 2 Fuses, RR WIPER and SEATS Circuit Breakers
LGM/DSM, OH BATT/ONSTAR, RADIO, HVAC B
Passenger w/Heat
Driver w/Memory - Motors and Position Sensors
G302 - 1 of 2, G303 and G304
Figure
3:
Driver w/Memory -- Motors and Position Sensors
Master Electrical Component List
Power Seats System Description and Operation
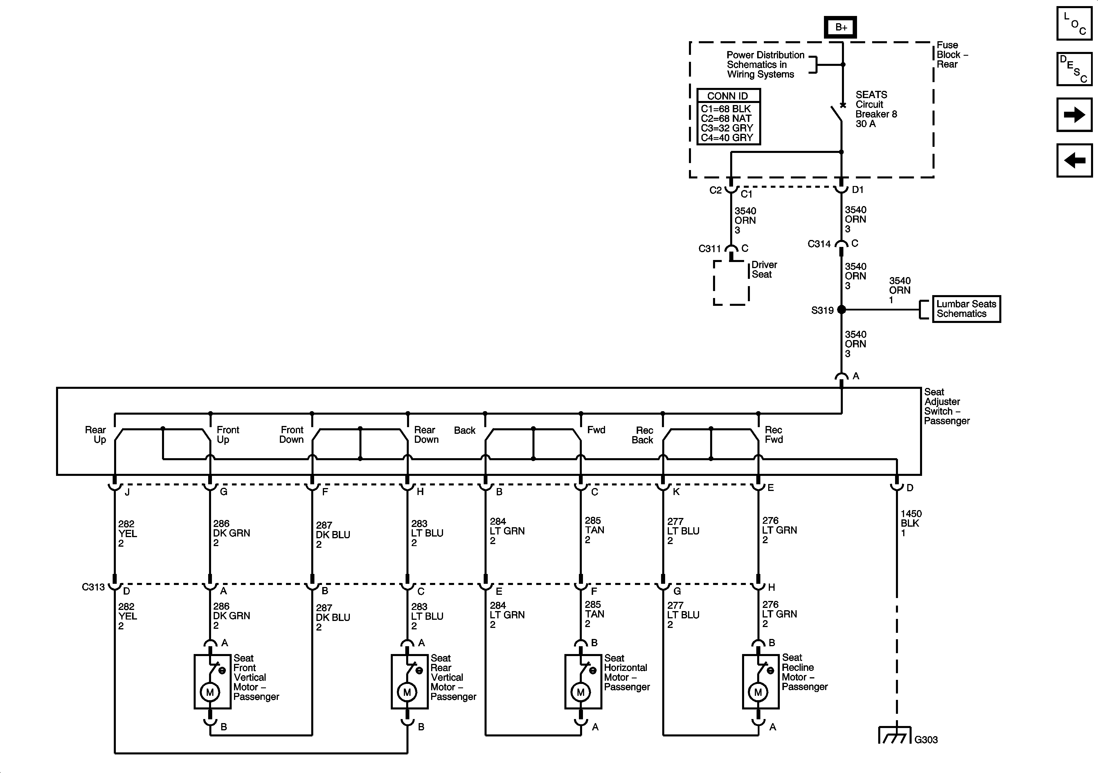
Passenger w/o Heat
Driver w/Memory - Power, Ground, and Controls
Driver w/Memory - Power, Ground, and Controls
Figure
4:
Passenger w/o Heat
Master Electrical Component List
Power Seats System Description and Operation
Passenger w/Heat
Driver w/Memory - Motors and Position Sensors
B+ Bus - Rear Fuse Block
Passenger Controls w/o Heat
G302 - 1 of 2, G303 and G304
Figure
5:
Passenger w/Heat
Master Electrical Component List
Power Seats System Description and Operation
Passenger w/o Heat
B+ Bus - Rear Fuse Block
RR FOG, LR PARK, TR PARK, RR PARK, F PARK, LGM 2 Fuses, RR WIPER and SEATS Circuit Breakers
Driver w/Memory - Power, Ground, and Controls
G302 - 1 of 2, G303 and G304