GM Service Manual Online
For 1990-2009 cars only
Makes
🢒
Chevrolet
🢒
2004
🢒
TrailBlazer - 4WD
🢒
Body
🢒
Wiring Systems
🢒 Cruise Control Schematics
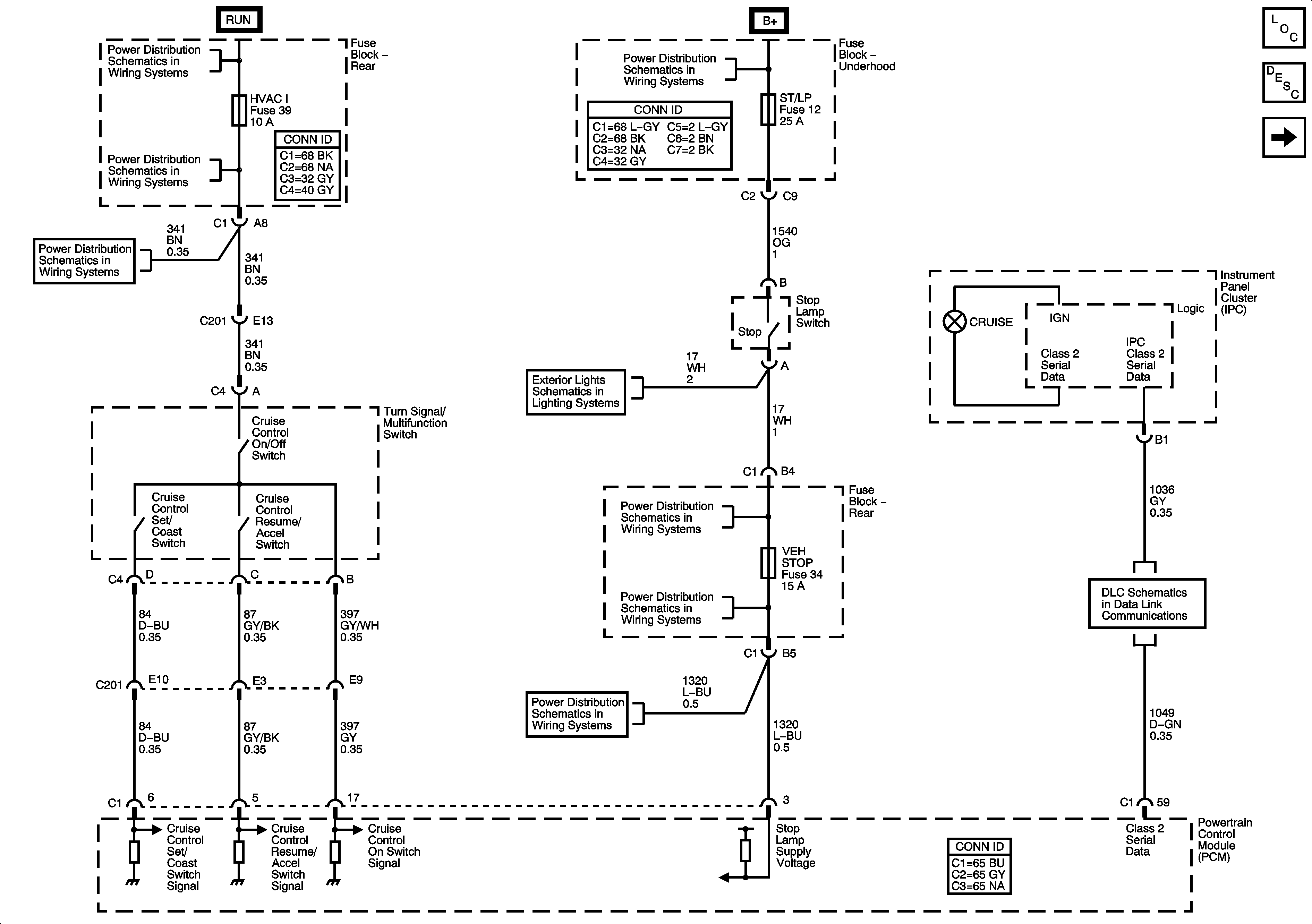
Figure
1:
4.2L
Master Electrical Component List
Cruise Control Description and Operation 4.2L
5.3L
ACCY/RUN/START, RUN, and START Bus Bars
B+ Bus - Underhood Fuse Block
HVAC I, BRAKE, and TBC RUN Fuses
HVAC I, BRAKE, and TBC RUN Fuses
Stop Lamps
CIGAR, ABS, ATC, BLOWER, ECAS, IPC/DIC, FLASH, ST/LP, ELEK BRK, and TRAILER Fuses
CIGAR, ABS, ATC, BLOWER, ECAS, IPC/DIC, FLASH, ST/LP, ELEK BRK, and TRAILER Fuses
Power, Ground, Data Link Connector, and SP205
CIGAR, ABS, ATC, BLOWER, ECAS, IPC/DIC, FLASH, ST/LP, ELEK BRK, and TRAILER Fuses
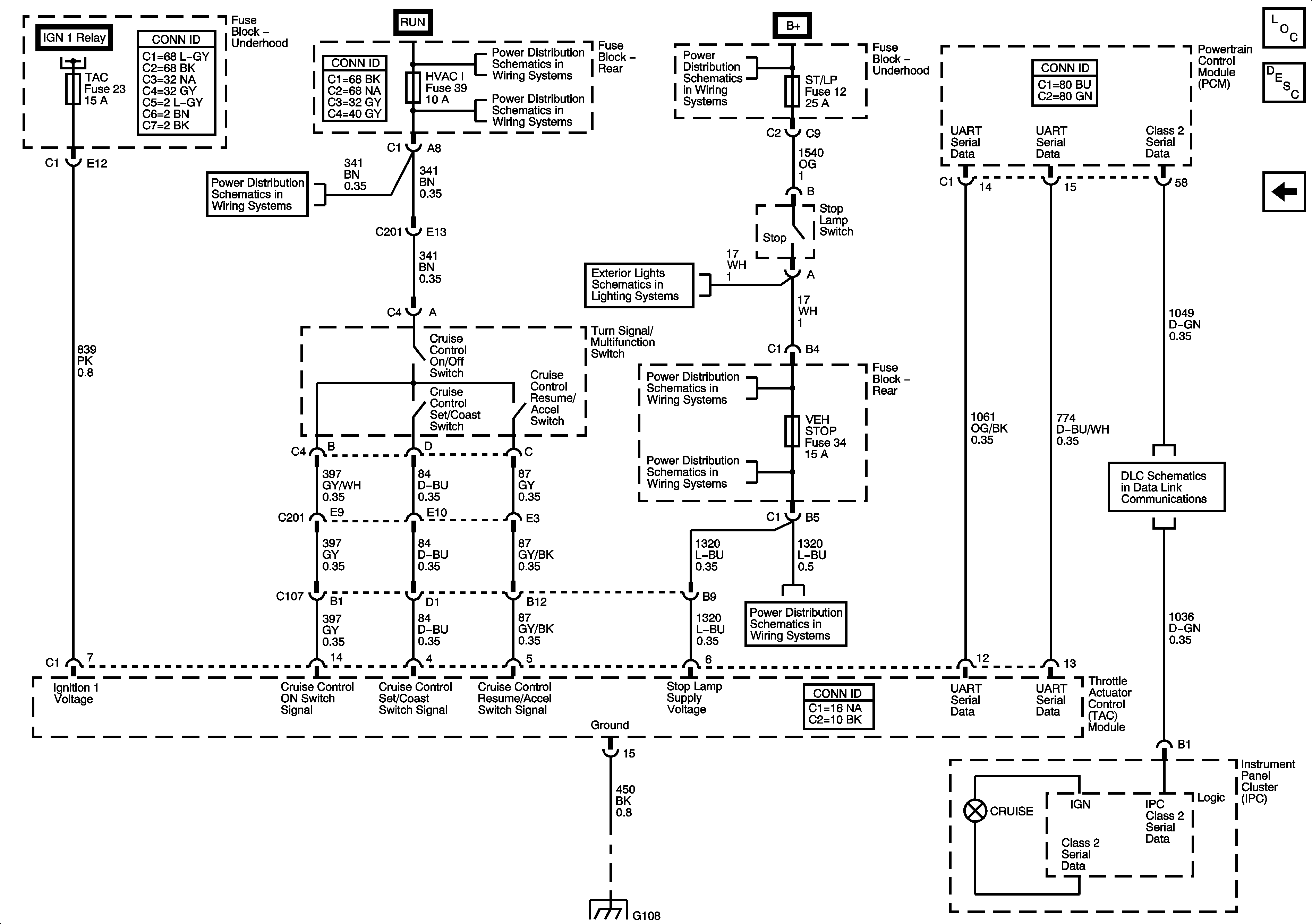
Figure
2:
5.3L
Master Electrical Component List
Cruise Control Description and Operation 5.3L
4.2L
Fuse Block - Underhood, IGN 1 Relay
ACCY/RUN/START, RUN, and START Bus Bars
HVAC I, BRAKE, and TBC RUN Fuses
B+ Bus - Underhood Fuse Block
HVAC I, BRAKE, and TBC RUN Fuses
Stop Lamps
CIGAR, ABS, ATC, BLOWER, ECAS, IPC/DIC, FLASH, ST/LP, ELEK BRK, and TRAILER Fuses
CIGAR, ABS, ATC, BLOWER, ECAS, IPC/DIC, FLASH, ST/LP, ELEK BRK, and TRAILER Fuses
Power, Ground, Data Link Connector, and SP205
CIGAR, ABS, ATC, BLOWER, ECAS, IPC/DIC, FLASH, ST/LP, ELEK BRK, and TRAILER Fuses
G108