GM Service Manual Online
For 1990-2009 cars only
Makes
🢒
Chevrolet
🢒
2004
🢒
TrailBlazer - 4WD
🢒
Accessories
🢒
Entertainment
🢒 Video System Schematics
Master Electrical Component List
Radio/Audio System Description and Operation
B+ Bus - Rear Fuse Block
LGM/DSM, OH BATT/ONSTAR, RADIO, and HVAC B Fuses
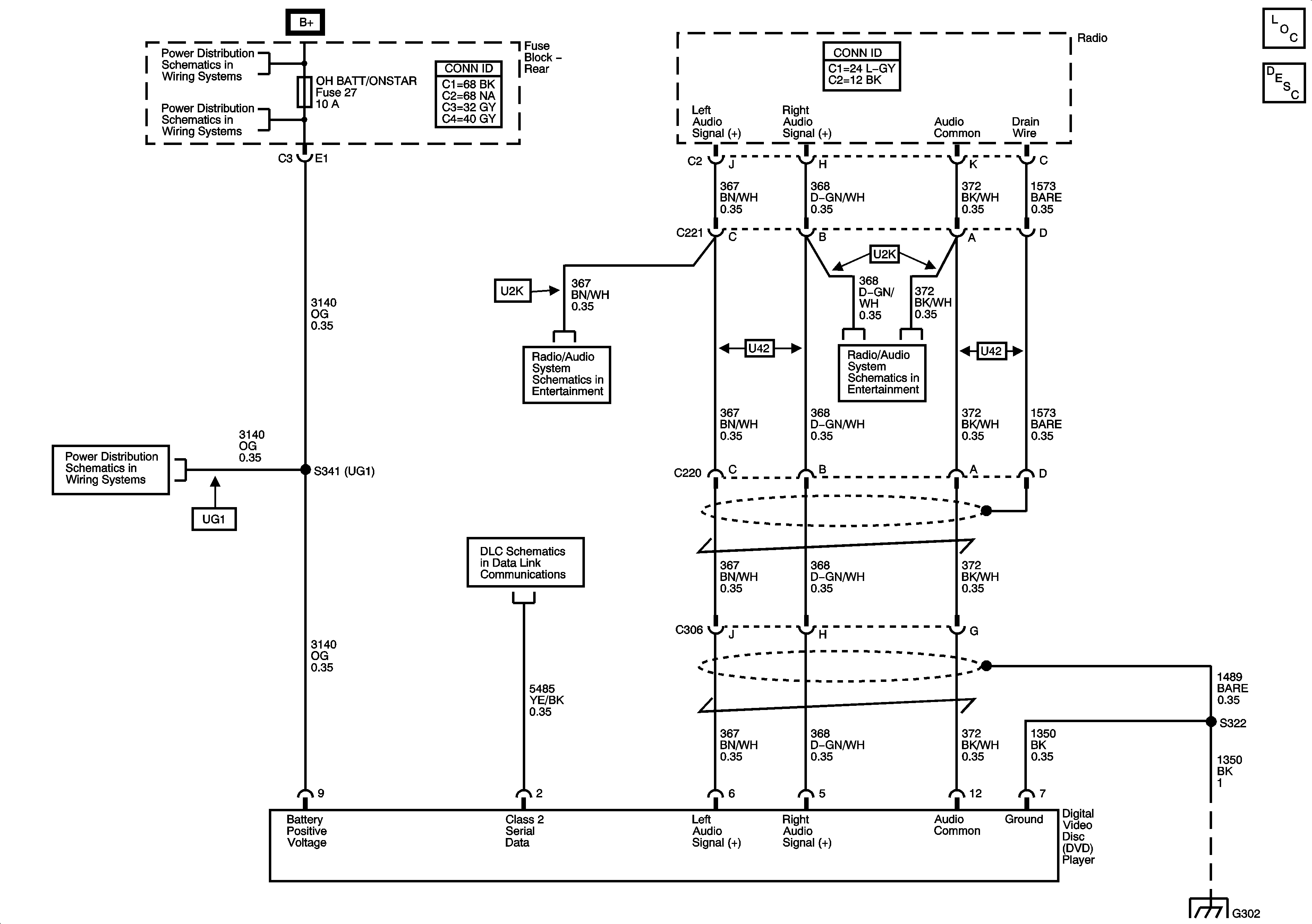
Power, Ground, Serial Data and Digital Radio Receiver
Power, Ground, Serial Data and Digital Radio Receiver
LGM/DSM, OH BATT/ONSTAR, RADIO, and HVAC B Fuses
Power, Ground, Data Link Connector, and SP205
G302 - 2 of 2